Lexus ES: System Diagram
SYSTEM DIAGRAM
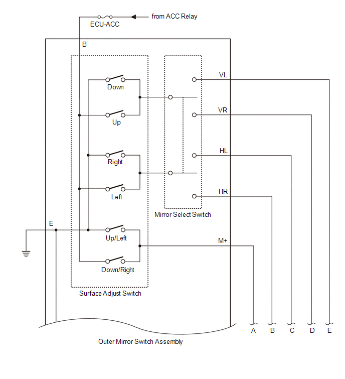
ELECTRICAL REMOTE CONTROL MIRROR FUNCTION
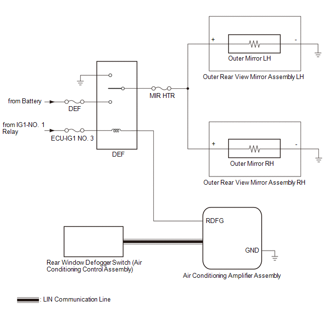
MIRROR HEATER FUNCTION
AUTOMATIC GLARE-RESISTANT EC MIRROR FUNCTION

Communication Table
| Sender | Receiver | Signal | Communication Method |
| Air Conditioning Control Assembly | Air Conditioning Amplifier Assembly | Mirror heater switch (rear window defogger switch) signal | LIN |
READ NEXT:
SYSTEM DESCRIPTION POWER MIRROR CONTROL SYSTEM (w/o Memory) DESCRIPTION (a) This system has the following functions: electrical remote control mirror function, power retract mirror function, mirror he
CAUTION / NOTICE / HINT HINT:
Use the following procedure to troubleshoot the power mirror control system (w/o Memory).
*: Use the Techstream.
PROCEDURE 1. VEHICLE BROUGHT TO WORKSHOP
OPERATION CHECK CHECK ELECTRICAL REMOTE CONTROL MIRROR FUNCTION (a) Turn the engine switch on (IG). (b) With L on the mirror select switch selected, check that the outer rear view mirror assembly LH s
SEE MORE:
DESCRIPTION If there is a short in a speaker circuit, the stereo component amplifier assembly detects it and stops output to the speakers. Thus sound cannot be heard from the speakers even if there is no malfunction in the stereo component amplifier assembly, DCM (telematics transceiver)* or speaker
DESCRIPTION The main body ECU (multiplex network body ECU) and tire pressure warning ECU and receiver communicate by direct line. If a malfunction occurs in this communication signal, B1247 is output by the main body ECU (multiplex network body ECU). DTC No. Detection Item DTC Detection Condi
© 2016-2026 Copyright www.lexguide.net
