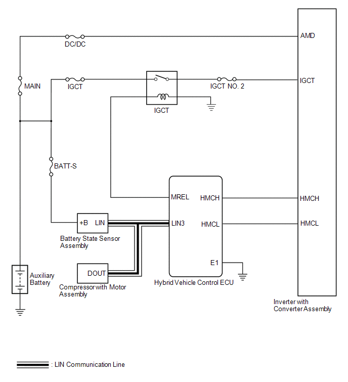
Lexus ES: System Diagram
SYSTEM DIAGRAM

READ NEXT:
PARTS LOCATION ILLUSTRATION *1 INVERTER WITH CONVERTER ASSEMBLY *2 COMPRESSOR WITH MOTOR ASSEMBLY *3 AUXILIARY BATTERY *4 FUSIBLE LINK BLOCK ASSEMBLY - BATT-S FUSE *5 BATTERY
PRECAUTION CHARGING SYSTEM PRECAUTION CAUTION:
Orange wire harnesses and connectors indicate high-voltage circuits. To prevent electric shock, always follow the procedure described in the repair ma
SEE MORE:
DTC CHECK / CLEAR CHECK DTC (a) Connect the Techstream to the DLC3. (b) Turn the power switch on (IG). (c) Turn the Techstream on. (d) Enter the following menus: Body Electrical / Back Door / Trouble Codes. Body Electrical > Back Door > Trouble Codes (e) Check for DTCs. Click here CLEAR DTC (
TERMINALS OF ECU CLEARANCE WARNING ECU ASSEMBLY (a) Disconnect the N41 clearance warning ECU assembly connector. (b) Measure the voltage and resistance on the wire harness side connector according to the value(s) in the table below. Terminal No. (Symbol) Wiring Color Terminal Description C
© 2016-2026 Copyright www.lexguide.net
