Lexus ES: System Diagram
SYSTEM DIAGRAM
| Transmitting ECU (Transmitter) | Receiving ECU | Signal | Communication Method |
| Skid control ECU (brake actuator assembly) | Steering angle sensor | Steering angle sensor request signal | CAN communication line |
| Steering angle sensor | Skid control ECU (brake actuator assembly) | Steering angle sensor signal | CAN communication line |
| Skid control ECU (brake actuator assembly) | Yaw rate and acceleration sensor (airbag ECU assembly) | Yaw rate and acceleration request signal | CAN communication line |
| Yaw rate and acceleration sensor (airbag ECU assembly) | Skid control ECU (brake actuator assembly) | Yaw rate and acceleration signal | CAN communication line |
| Skid control ECU (brake actuator assembly) | ECM | -
Vehicle speed signal
-
Electronically controlled brake system data signal
| CAN communication line |
| ECM | Skid control ECU (brake actuator assembly) | -
Shift position signal
-
Throttle position signal
-
Engine speed signal
-
SFI system data signal
| CAN communication line |
| Skid control ECU (brake actuator assembly) | Power steering ECU (rack and pinion power steering gear assembly) | -
Vehicle speed signal
-
Electronically controlled brake system data signal
| CAN communication line |
| Main body ECU (multiplex network body ECU) | Skid control ECU (brake actuator assembly) | -
Driver seat belt buckle switch signal
-
Driver side courtesy switch signal
| CAN communication line |
| Skid control ECU (brake actuator assembly) | Combination meter assembly | -
ABS warning light signal
-
Brake warning light / red (malfunction) signal
-
Slip indicator light signal
-
VSC OFF indicator light signal
-
Multi-information display (Traction Control Turned Off) signal
-
Brake hold standby indicator light signal
-
Brake hold operated indicator light signal
-
Multi-information display (Secondary Collision Brake System Malfunction) signal
-
Multi-information display (Brake hold system malfunction) signal
-
Vehicle speed signal
| CAN communication line |
| Airbag ECU assembly | Skid control ECU (brake actuator assembly) | Secondary collision brake request signal | CAN communication line |
READ NEXT:
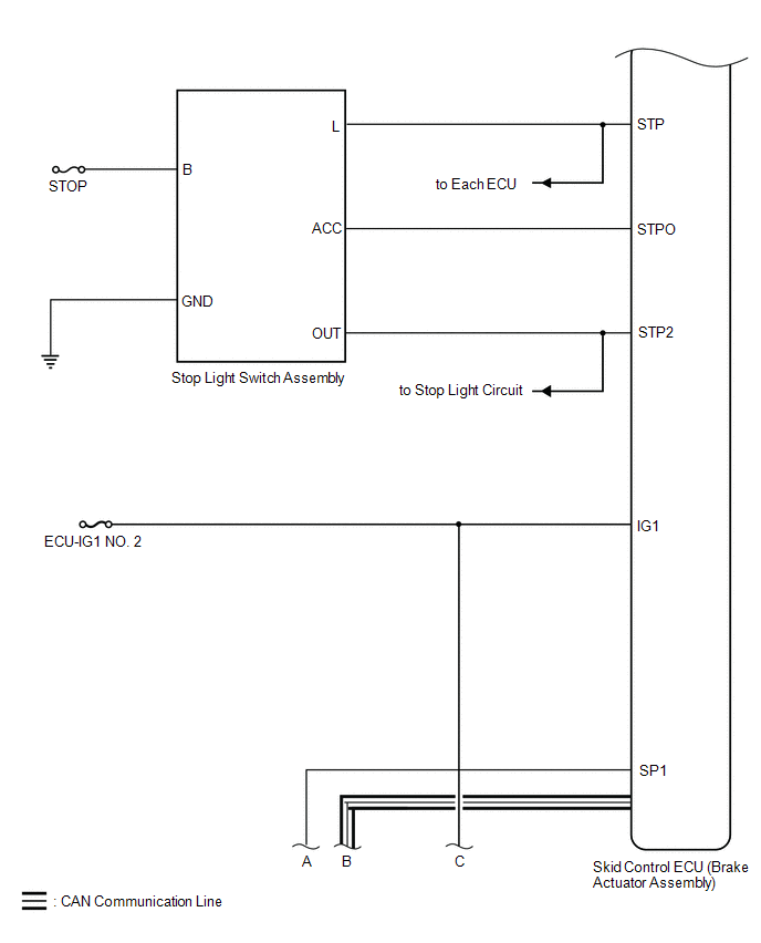
TERMINALS OF ECU TERMINALS OF ECU *a Component without harness connected (Skid Control ECU (Brake Actuator Assembly)) - - HINT:
As a waterproof connector is used for the brake actuator
TEST MODE PROCEDURE NOTICE:
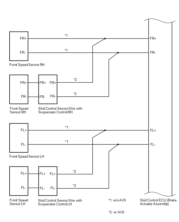
After replacing or removing and installing a speed sensor, perform Dealer Mode (Signal Check) inspection to confirm that the speed sensors are operating correctly.
Aft
TEST MODE PROCEDURE NOTICE:
After replacing or removing and installing a speed sensor, perform Dealer Mode (Signal Check) inspection to confirm that the speed sensors are operating correctly.
Aft
SEE MORE:
DESCRIPTION This DTC is stored if the rear television camera assembly judges that there is an internal malfunction as a result of its self check. HINT: The rear television camera assembly stores different types of information during initialization. If the rear television camera assembly cannot read
DESCRIPTION The cause of the malfunction may be the cooling system. Check whether the grille is blocked, whether coolant is leaking, the radiator fan operating condition and whether coolant has frozen. Related Parts Check Area Inspection Grille blockage, coolant amount, coolant hoses, radia
© 2016-2025 Copyright www.lexguide.net
