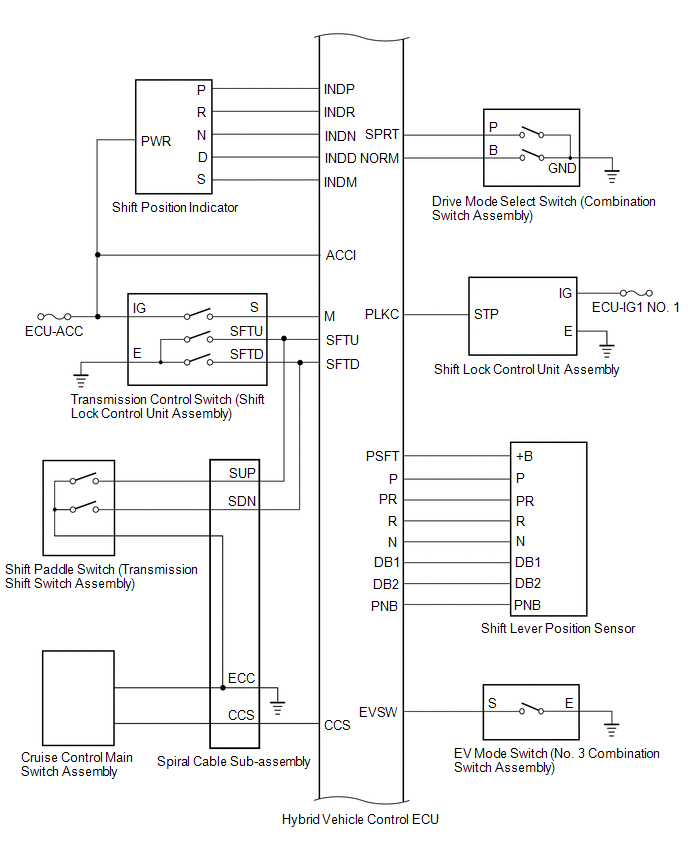
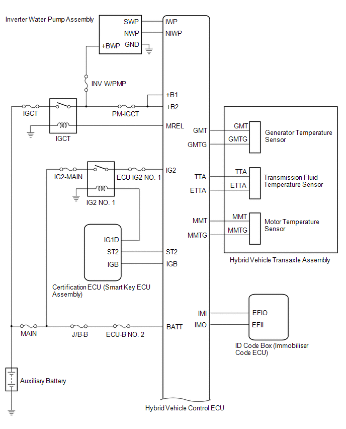
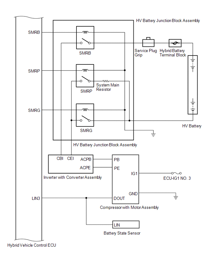
Lexus ES: System Diagram
SYSTEM DIAGRAM

READ NEXT:
CAUTION / NOTICE / HINT HINT:
*: Use the Techstream
Use the following procedure to troubleshoot the hybrid control system.
PROCEDURE 1. VEHICLE BROUGHT TO WORKSHOP
NEXT
UTILITY HINT:
With "All Readiness", you can check whether or not the DTC judgment has been completed by using the Techstream.
You should check "All Readiness" after simulating malfunction symptom
PROBLEM SYMPTOMS TABLE Hybrid Control System Symptom Suspected Area Link Cannot enter EV drive mode CAN communication system Pattern Select Switch EV Mode Circuit EV mod
SEE MORE:
INSTALLATION PROCEDURE 1. INSTALL LOWER RADIATOR SUPPORT (a) Install the 2 lower radiator supports to the radiator assembly. 2. INSTALL RADIATOR SUPPORT CUSHION (a) Install the 2 radiator support cushions to the radiator assembly. 3. INSTALL RADIATOR ASSEMBLY (a) Engage the 2 guides. (b) Engage the
CUSTOMIZE PARAMETERS CUSTOMIZE POWER MIRROR CONTROL SYSTEM (w/ Memory) NOTICE:
When the customer requests a change in a function, first make sure that the function can be customized.
Record the current settings before customizing.
HINT: The following items can be customized. (a) Customizing
© 2016-2026 Copyright www.lexguide.net
