Lexus ES: System Diagram
SYSTEM DIAGRAM
HIGH PRESSURE SIDE FUEL SYSTEM WIRING DIAGRAM
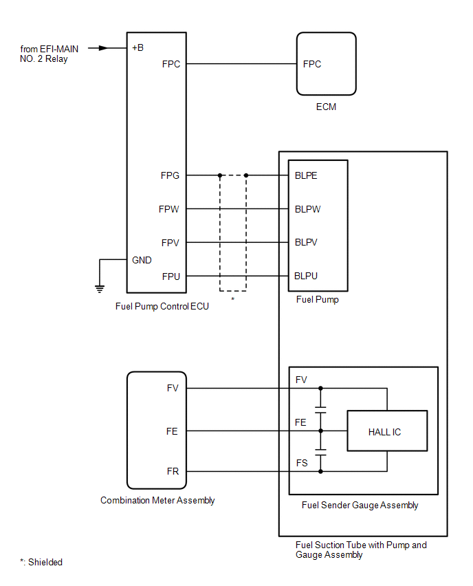
LOW PRESSURE SIDE FUEL SYSTEM WIRING DIAGRAM

READ NEXT:
ON-VEHICLE INSPECTION PROCEDURE 1. CHECK FUEL PUMP OPERATION AND INSPECT FOR FUEL LEAK (a) Check fuel pump operation. (1) Connect the Techstream to the DLC3. (2) Turn the power switch on (IG). NOTICE:
COMPONENTS ILLUSTRATION *1 NO. 2 FLOOR UNDER COVER - - N*m (kgf*cm, ft.*lbf): Specified torque - - ILLUSTRATION *1 FUEL TANK ASSEMBLY *2 FUEL TANK MAIN TUBE SUB-ASSEM
SEE MORE:
ON-VEHICLE INSPECTION PROCEDURE 1. INSPECT CAM TIMING CONTROL MOTOR WITH EDU ASSEMBLY (a) Check Rotation Direction Signal: (1) Connect the Techstream to the DLC3. (2) Turn the power switch on (IG). (3) Turn the Techstream on. (4) Enter the following menus: Powertrain / Engine / Data List / VVT-iE Mo
INSTALLATION PROCEDURE 1. INSTALL AIR FUEL RATIO SENSOR HINT: Perform "Inspection After Repair" after replacing the air fuel ratio sensor. Click here (a) Using SST, install the air fuel ratio sensor to the front exhaust pipe assembly (TWC: Rear Catalyst). SST: 09224-00012 Torque: Specified tig
© 2016-2025 Copyright www.lexguide.net
