Lexus ES: System Diagram
SYSTEM DIAGRAM
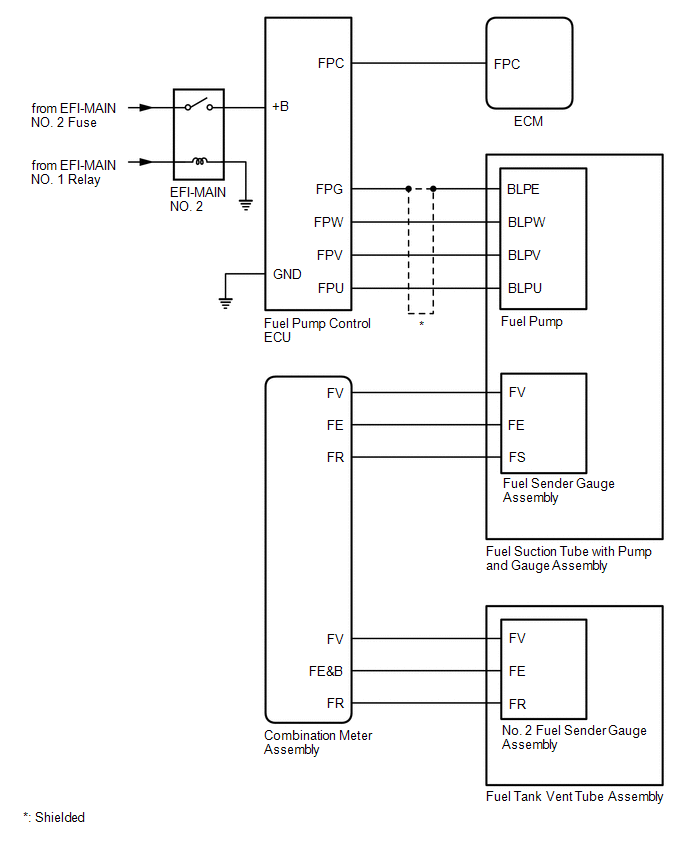
HIGH PRESSURE SIDE FUEL SYSTEM WIRING DIAGRAM
LOW PRESSURE SIDE FUEL SYSTEM WIRING DIAGRAM

READ NEXT:
ON-VEHICLE INSPECTION PROCEDURE 1. CHECK FUEL PUMP OPERATION AND INSPECT FOR FUEL LEAK (a) Check fuel pump operation. (1) Connect the Techstream to the DLC3. (2) Turn the engine switch on (IG). NOTICE
COMPONENTS ILLUSTRATION *1 NO. 1 FLOOR UNDER COVER *2 NO. 2 FLOOR UNDER COVER N*m (kgf*cm, ft.*lbf): Specified torque - - ILLUSTRATION *1 NO. 2 FUEL TANK PROTECTOR *2
SEE MORE:
DATA LIST / ACTIVE TEST DATA LIST NOTICE: In the table below, the values listed under "Normal Condition" are reference values. Do not depend solely on these reference values when deciding whether a part is faulty or not. HINT: Using the Techstream to read the Data List allows the values or states of
DATA LIST / ACTIVE TEST DATA LIST NOTICE:
Some Data List values may vary significantly if there are slight differences in the environment in which the vehicle is operating when measurements are obtained. Variations may also occur due to aging of the vehicle. Due to these considerations, it is not
© 2016-2025 Copyright www.lexguide.net
