Lexus ES: System Diagram
SYSTEM DIAGRAM

READ NEXT:
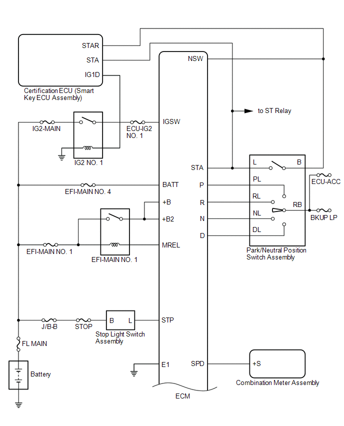
TERMINALS OF ECM ECM HINT: The standard voltage and resistance of each ECM terminal is shown in the table below. In the table, first follow the information under "Condition". Look under "Terminal No.
DESCRIPTION When the shift lever is in S and moved toward "-" or "+", it is possible to select different shift ranges (S1 to S8). Moving the shift lever toward "+" increases the shift range by one, an
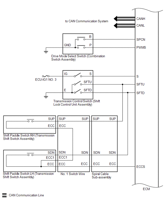
DESCRIPTION The engine control unit and transmission control unit are located inside the ECM. The engine control unit intercommunicates with the transmission control unit using CAN communication. If t
SEE MORE:
DESCRIPTION The main body ECU (multiplex network body ECU) receives remote control signals from the driver door key cylinder or electrical key transmitter sub-assembly. Then, the main body ECU (multiplex network body ECU) activates the power window motor and sends the remote control signals to the s
SYSTEM DESCRIPTION LUGGAGE COMPARTMENT DOOR OPENER SYSTEM DESCRIPTION (a) If the trunk and fuel switch assembly (luggage compartment door opening switch) is pressed and the luggage compartment door is closed, a luggage compartment door lock assembly open operation signal is sent to the main body ECU
© 2016-2026 Copyright www.lexguide.net
