Lexus ES: System Diagram
SYSTEM DIAGRAM
| Transmitting ECU (Transmitter) | Receiving ECU | Signal | Communication Method |
| Skid control ECU (brake actuator assembly) | Steering angle sensor | Steering angle sensor request signal | CAN communication line |
| Steering angle sensor | Skid control ECU (brake actuator assembly) | Steering angle sensor signal | CAN communication line |
| Skid control ECU (brake actuator assembly) | Yaw rate and acceleration sensor (airbag ECU assembly) | Yaw rate and acceleration request signal | CAN communication line |
| Yaw rate and acceleration sensor (airbag ECU assembly) | Skid control ECU (brake actuator assembly) | Yaw rate and acceleration signal | CAN communication line |
| Skid control ECU (brake actuator assembly) | ECM | -
Vehicle speed signal
-
Electronically controlled brake system data signal
| CAN communication line |
| ECM | Skid control ECU (brake actuator assembly) | -
Shift position signal
-
Throttle position signal
-
Engine speed signal
-
SFI system data signal
| CAN communication line |
| Skid control ECU (brake actuator assembly) | Power steering ECU (rack and pinion power steering gear assembly) | -
Vehicle speed signal
-
Electronically controlled brake system data signal
| CAN communication line |
| Main body ECU (multiplex network body ECU) | Skid control ECU (brake actuator assembly) | -
Driver seat belt buckle switch signal
-
Driver side courtesy switch signal
| CAN communication line |
| Skid control ECU (brake actuator assembly) | Combination meter assembly | -
ABS warning light signal
-
Brake warning light / red (malfunction) signal
-
Slip indicator light signal
-
VSC OFF indicator light signal
-
Multi-information display (Traction Control Turned Off) signal
-
Brake hold standby indicator light signal
-
Brake hold operated indicator light signal
-
Multi-information display (Secondary Collision Brake System Malfunction) signal
-
Multi-information display (Brake hold system malfunction) signal
-
Vehicle speed signal
| CAN communication line |
| Airbag ECU assembly | Skid control ECU (brake actuator assembly) | Secondary collision brake request signal | CAN communication line |
READ NEXT:
SYSTEM DIAGRAM Transmitting ECU (Transmitter) Receiving ECU Signal Communication Method Skid control ECU (brake actuator assembly) Steering angle sensor Steering angle sensor re
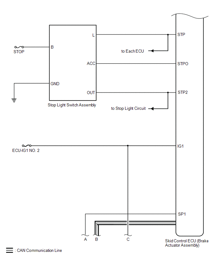
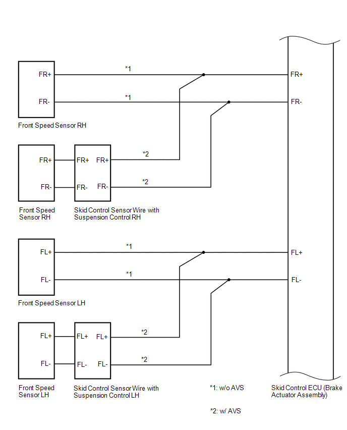
TERMINALS OF ECU TERMINALS OF ECU *a Component without harness connected (Skid Control ECU (Brake Actuator Assembly)) - - HINT:
As a waterproof connector is used for the brake actuator
TEST MODE PROCEDURE NOTICE:
After replacing or removing and installing a speed sensor, perform Dealer Mode (Signal Check) inspection to confirm that the speed sensors are operating correctly.
Aft
SEE MORE:
REMOVAL CAUTION / NOTICE / HINT NOTICE: Make sure to hold the front wiper arm while lifting it, as lifting the front wiper arm by the front wiper blade may damage or deform the front wiper blade. PROCEDURE 1. REMOVE FRONT WIPER ARM HEAD CAP (a) Using a screwdriver with its tip wrapped with protec
ADJUSTMENT PROCEDURE 1. REMOVE WASHER NOZZLE SUB-ASSEMBLY Click here 2. ADJUST WASHER NOZZLE SUB-ASSEMBLY (a) Select a washer nozzle sub-assembly so the position the washer fluid hits the windshield will be within the standard area. Replace the washer nozzle sub-assembly with the selected one.
© 2016-2026 Copyright www.lexguide.net
