Lexus ES: System Diagram
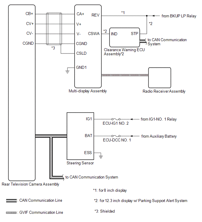
SYSTEM DIAGRAM

Communication Table
| Sender | Receiver | Signal | Line |
| Radio Receiver Assembly | Multi-display Assembly | Camera information signal | GVIF |
| Radio Receiver Assembly | Rear Television Camera Assembly | Setting information signal | CAN |
| Steering Sensor | Rear Television Camera Assembly | Steering angle signal | CAN |
| Hybrid Vehicle Control ECU | Rear Television Camera Assembly | -
Vehicle information signal
-
Reverse signal
| CAN |
| Main Body ECU (Multiplex Network Body ECU) | Rear Television Camera Assembly | -
Luggage compartment door courtesy switch signal
-
Vehicle information signal
| CAN |
| Blind Spot Monitor Sensor*1 | Rear Television Camera Assembly | RCTA information signal | CAN |
| Clearance Warning ECU Assembly*2 | Rear Television Camera Assembly | Sonar information signal | CAN |
-
*1: w/ Blind Spot Monitor System
-
*2: w/ Parking Support Alert System
READ NEXT:
TERMINALS OF ECU REAR TELEVISION CAMERA ASSEMBLY (a) Disconnect the T1 rear television camera assembly connector. (b) Measure the voltage on the wire harness side connector according to the value(s)
DESCRIPTION These DTCs are stored if there is a malfunction in the CAN communication system connected to the rear television camera assembly. HINT: If CAN communication system DTCs are stored, they ma
DESCRIPTION This DTC is stored when the rear television camera assembly judges that it has an internal CAN malfunction. DTC No. Detection Item DTC Detection Condition Trouble Area U1000
SEE MORE:
FREEZE FRAME DATA CHECK FREEZE FRAME DATA HINT: Whenever an active noise control system DTC is stored, the stereo component equalizer assembly stores the current vehicle state as freeze frame data. (a) Connect the Techstream to the DLC3. (b) Turn the power switch on (IG). (c) Turn the Techstream on.
DESCRIPTION The multi-display assembly and radio receiver assembly are connected by AVC-LAN communication lines. This DTC is stored when an AVC-LAN communication error occurs between the multi-display assembly and radio receiver assembly. DTC No. Detection Item DTC Detection Condition Troub
© 2016-2026 Copyright www.lexguide.net
