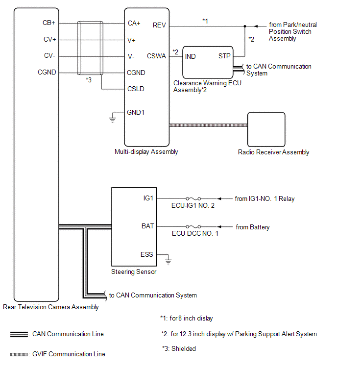
Lexus ES: System Diagram
SYSTEM DIAGRAM

Communication Table
| Sender | Receiver | Signal | Line |
| Radio Receiver Assembly | Multi-display Assembly | Camera information signal | GVIF |
| Radio Receiver Assembly | Rear Television Camera Assembly | Setting information signal | CAN |
| Steering Sensor | Rear Television Camera Assembly | Steering angle signal | CAN |
| ECM | Rear Television Camera Assembly | -
Vehicle information signal
-
Reverse signal
| CAN |
| Main Body ECU (Multiplex Network Body ECU) | Rear Television Camera Assembly | -
Luggage compartment door courtesy switch signal
-
Vehicle information signal
| CAN |
| Blind Spot Monitor Sensor*1 | Rear Television Camera Assembly | RCTA information signal | CAN |
| Clearance Warning ECU Assembly*2 | Rear Television Camera Assembly | Sonar information signal | CAN |
-
*1: w/ Blind Spot Monitor System
-
*2: w/ Parking Support Alert System
READ NEXT:
TERMINALS OF ECU REAR TELEVISION CAMERA ASSEMBLY (a) Disconnect the T1 rear television camera assembly connector. (b) Measure the voltage on the wire harness side connector according to the value(s)
DESCRIPTION These DTCs are stored if there is a malfunction in the CAN communication system connected to the rear television camera assembly. HINT: If CAN communication system DTCs are stored, they ma
DESCRIPTION This DTC is stored when the rear television camera assembly judges that it has an internal CAN malfunction. DTC No. Detection Item DTC Detection Condition Trouble Area U1000
SEE MORE:
ON-VEHICLE INSPECTION PROCEDURE 1. INSPECT PARKING BRAKE ACTUATOR ASSEMBLY (for Gasoline Model) HINT: Using the GTS to perform the Utilities allows relays, VSVs and actuators and other items to be operated without removing any parts. This non-intrusive functional inspection can be very useful becaus
DESCRIPTION
This DTC is stored when the parking assist ECU judges that the maximum steering angle has not been memorized (steering angle setting is incomplete).
This DTC is stored when the rear television camera assembly judges that the maximum steering angle has not been memorized (steering an
© 2016-2026 Copyright www.lexguide.net
