Lexus ES: Starting System
Parts Location
PARTS LOCATION
ILLUSTRATION
| *1 | STARTER ASSEMBLY | *2 | ECM |
| *3 | PARK/NEUTRAL POSITION SWITCH ASSEMBLY | *4 | ENGINE ROOM RELAY BLOCK AND JUNCTION BLOCK ASSEMBLY - ST RELAY - ST NO. 1 FUSE - FL MAIN FUSE |
ILLUSTRATION
| *1 | ENGINE SWITCH | *2 | CERTIFICATION ECU (SMART KEY ECU ASSEMBLY) |
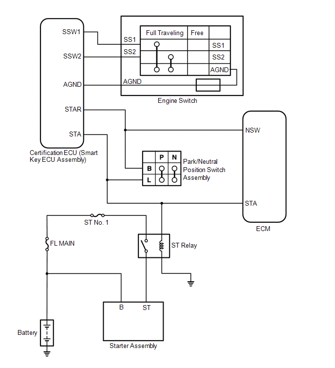
System Diagram
SYSTEM DIAGRAM

READ NEXT:
ComponentsCOMPONENTS ILLUSTRATION *1 RADIATOR CAP SUB-ASSEMBLY *2 RADIATOR DRAIN COCK PLUG *3 NO. 1 ENGINE UNDER COVER - - ReplacementREPLACEMENT CAUTION / NOTICE / HINT CAUTI
SEE MORE:
DESCRIPTION The ABS solenoid relay and reservoir cut solenoid valves are built into the brake actuator assembly. When the brakes are operating, the reservoir cut solenoid valves supply brake fluid from the brake master cylinder reservoir assembly to the pump motor as necessary. When this DTC is stor
FREEZE FRAME DATA DESCRIPTION The ECM records vehicle and driving condition information as freeze frame data the moment a DTC is stored. When troubleshooting, freeze frame data can be helpful in determining whether the vehicle was moving or stationary, whether the engine was warmed up or not, whethe
© 2016-2026 Copyright www.lexguide.net
