Lexus ES: Starting System
Parts Location
PARTS LOCATION
ILLUSTRATION
| *1 | STARTER ASSEMBLY | *2 | ECM |
| *3 | ENGINE ROOM RELAY BLOCK AND JUNCTION BLOCK ASSEMBLY - ST RELAY - FL MAIN FUSE - ST FUSE | *4 | PARK/NEUTRAL POSITION SWITCH ASSEMBLY |
ILLUSTRATION
| *1 | ENGINE SWITCH | *2 | CERTIFICATION ECU (SMART KEY ECU ASSEMBLY) |
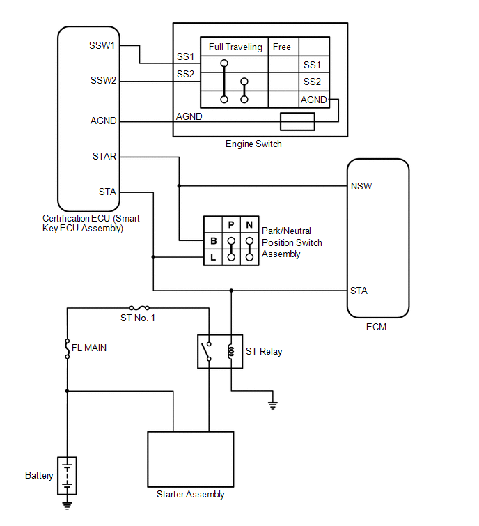
System Diagram
SYSTEM DIAGRAM

READ NEXT:
ComponentsCOMPONENTS ILLUSTRATION *1 RADIATOR CAP SUB-ASSEMBLY *2 RADIATOR DRAIN COCK PLUG *3 NO. 1 ENGINE UNDER COVER - - ReplacementREPLACEMENT CAUTION / NOTICE / HINT CAUTI
SEE MORE:
DESCRIPTION The main body ECU (multiplex network body ECU) receives switch signals from the trunk and fuel switch assembly (luggage compartment door opening switch) the luggage door opening cancel switch, and operates the luggage compartment door lock assembly to open the luggage compartment door. W
CUSTOMIZE PARAMETERS NOTICE:
When the customer requests a change in a function, first make sure that the function can be customized.
Be sure to make a note of the current settings before customizing.
When troubleshooting a function, first make sure that the function is set to the default sett
© 2016-2025 Copyright www.lexguide.net
