Lexus ES: Relay
On-vehicle Inspection
ON-VEHICLE INSPECTION
PROCEDURE
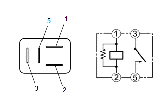
1. INSPECT WIPER RELAY
| (a) Measure the resistance according to the value(s) in the table below. Standard Resistance: | Tester Connection | Condition | Specified Condition | | 3 - 5 | Auxiliary battery voltage not applied between terminals 1 and 2 | 10 kΩ or higher | | Auxiliary battery voltage applied between terminals 1 and 2 | Below 1 Ω | If the result is not as specified, replace the WIPER relay. | |
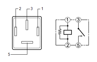
2. INSPECT WASHER RELAY
| (a) Measure the resistance according to the value(s) in the table below. Standard Resistance: | Tester Connection | Condition | Specified Condition | | 3 - 5 | Auxiliary battery voltage not applied between terminals 1 and 2 | 10 kΩ or higher | | Auxiliary battery voltage applied between terminals 1 and 2 | Below 1 Ω | If the result is not as specified, replace the WASHER relay. | |
READ NEXT:
COMPONENTS ILLUSTRATION *1 LEVEL WARNING SWITCH ASSEMBLY - -
REMOVAL CAUTION / NOTICE / HINT The necessary procedures (adjustment, calibration, initialization or registration) that must be performed after parts are removed and installed, or replaced during leve
SEE MORE:
INSPECTION PROCEDURE 1. INSPECT FRONT LOWER BALL JOINT ASSEMBLY (a) Inspect the turning torque of the ball joint. (1) Secure the front lower ball joint assembly in a vise using aluminum plates. (2) Install the nut to the front lower ball joint assembly stud. (3) Using a torque wrench, turn the st
REPLACEMENT CAUTION / NOTICE / HINT CAUTION: To avoid the danger of being burned, do not remove the reserve tank cap or drain cock plug while the coolant (for inverter) is still hot. Pressurized, hot coolant (for inverter) and steam may be released and cause serious burns. *1 Reserve Tank Cap
© 2016-2026 Copyright www.lexguide.net
