Lexus ES: Relay
On-vehicle Inspection
ON-VEHICLE INSPECTION
PROCEDURE
1. INSPECT DEF RELAY
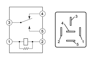
| (a) Measure the resistance according to the value(s) in the table below. Standard Resistance: | Tester Connection | Condition | Specified Condition | | 3 - 4 | Auxiliary battery voltage applied between terminals 1 and 2 | 10 kΩ or higher | | 3 - 4 | Auxiliary battery voltage not applied between terminals | Below 1 Ω | | 3 - 5 | Auxiliary battery voltage applied between terminals 1 and 2 | Below 1 Ω | | 3 - 5 | Auxiliary battery voltage not applied between terminals | 10 kΩ or higher | | 4 - 5 | Always | 10 kΩ or higher | If the result is not as specified, replace the DEF relay. | |
2. INSPECT DEICER RELAY
| (a) Measure the resistance according to the value(s) in the table below. Standard Resistance: | Tester Connection | Condition | Specified Condition | | 3 - 5 | Auxiliary battery voltage applied between terminals 1 and 2 | Below 1 Ω | | 3 - 5 | Auxiliary battery voltage not applied between terminals | 10 kΩ or higher | If the result is not as specified, replace the deicer relay. | |
3. INSPECT HWD RELAY
| (a) Measure the resistance according to the value(s) in the table below. Standard Resistance: | Tester Connection | Condition | Specified Condition | | 3 - 5 | Auxiliary battery voltage applied between terminals 1 and 2 | Below 1 Ω | | 3 - 5 | Auxiliary battery voltage not applied between terminals | 10 kΩ or higher | If the result is not as specified, replace the HWD relay. | |
READ NEXT:
PRECAUTION PRECAUTION FOR DISCONNECTING CABLE FROM NEGATIVE BATTERY TERMINAL NOTICE: When disconnecting the cable from the negative (-) battery terminal, initialize the following systems after the cab
PARTS LOCATION ILLUSTRATION *1 DEF RELAY *2 REAR WINDOW DEFOGGER WIRE *3 NO. 1 ENGINE ROOM RELAY BLOCK AND NO. 1 JUNCTION BLOCK ASSEMBLY - DEF FUSE *4 BACK WINDOW GLASS ILLUSTRA
SEE MORE:
DESCRIPTION The shift lever position sensor sends 7 different switch signals to the hybrid vehicle control ECU. The hybrid vehicle control ECU uses these signals to detect the shift lever position (P, R, N or D). The hybrid vehicle control ECU also uses this information to determine the intended dir
REMOVAL CAUTION / NOTICE / HINT The necessary procedures (adjustment, calibration, initialization or registration) that must be performed after parts are removed and installed, or replaced during camshaft removal/installation are shown below. Necessary Procedure After Parts Removed/Installed/Replace
© 2016-2026 Copyright www.lexguide.net
