Lexus ES: Relay
On-vehicle Inspection
ON-VEHICLE INSPECTION
PROCEDURE
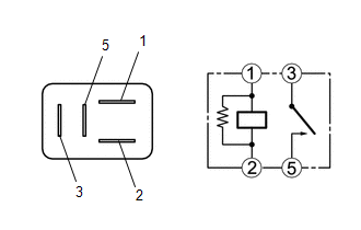
1. INSPECT WIPER RELAY
| (a) Measure the resistance according to the value(s) in the table below. Standard Resistance: | Tester Connection | Condition | Specified Condition | | 3 - 5 | Auxiliary battery voltage not applied between terminals 1 and 2 | 10 kΩ or higher | | Auxiliary battery voltage applied between terminals 1 and 2 | Below 1 Ω | If the result is not as specified, replace the WIPER relay. | |
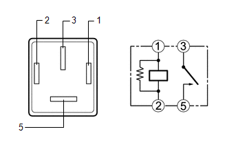
2. INSPECT WASHER RELAY
| (a) Measure the resistance according to the value(s) in the table below. Standard Resistance: | Tester Connection | Condition | Specified Condition | | 3 - 5 | Auxiliary battery voltage not applied between terminals 1 and 2 | 10 kΩ or higher | | Auxiliary battery voltage applied between terminals 1 and 2 | Below 1 Ω | If the result is not as specified, replace the WASHER relay. | |
READ NEXT:
COMPONENTS ILLUSTRATION *1 LEVEL WARNING SWITCH ASSEMBLY - -
REMOVAL CAUTION / NOTICE / HINT The necessary procedures (adjustment, calibration, initialization or registration) that must be performed after parts are removed and installed, or replaced during leve
SEE MORE:
DESCRIPTION The high-pressure direct injection fuel system consists of a spill control valve, check valve, fuel relief valve, fuel pressure sensor, fuel pump assembly (for high pressure side) and direct fuel injector assemblies. The spill control valve adjusts the return volume of high-pressure fuel
DESCRIPTION Based on signals from the transmission revolution sensors (NT and NC), the actual gear is detected. The ECM compares the actual gear with the shift schedule in the ECM memory to detect mechanical malfunction of the solenoid valves, transmission valve body assembly and automatic transaxle
© 2016-2025 Copyright www.lexguide.net
