Lexus ES: Relay
On-vehicle Inspection
ON-VEHICLE INSPECTION
PROCEDURE
1. INSPECT DEF RELAY
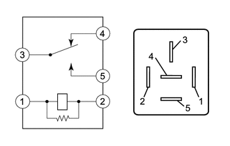
| (a) Measure the resistance according to the value(s) in the table below. Standard Resistance: | Tester Connection | Condition | Specified Condition | | 3 - 4 | Auxiliary battery voltage applied between terminals 1 and 2 | 10 kΩ or higher | | 3 - 4 | Auxiliary battery voltage not applied between terminals | Below 1 Ω | | 3 - 5 | Auxiliary battery voltage applied between terminals 1 and 2 | Below 1 Ω | | 3 - 5 | Auxiliary battery voltage not applied between terminals | 10 kΩ or higher | | 4 - 5 | Always | 10 kΩ or higher | If the result is not as specified, replace the DEF relay. | |
2. INSPECT DEICER RELAY
| (a) Measure the resistance according to the value(s) in the table below. Standard Resistance: | Tester Connection | Condition | Specified Condition | | 3 - 5 | Auxiliary battery voltage applied between terminals 1 and 2 | Below 1 Ω | | 3 - 5 | Auxiliary battery voltage not applied between terminals | 10 kΩ or higher | If the result is not as specified, replace the deicer relay. | |
3. INSPECT HWD RELAY
| (a) Measure the resistance according to the value(s) in the table below. Standard Resistance: | Tester Connection | Condition | Specified Condition | | 3 - 5 | Auxiliary battery voltage applied between terminals 1 and 2 | Below 1 Ω | | 3 - 5 | Auxiliary battery voltage not applied between terminals | 10 kΩ or higher | If the result is not as specified, replace the HWD relay. | |
READ NEXT:
PRECAUTION PRECAUTION FOR DISCONNECTING CABLE FROM NEGATIVE BATTERY TERMINAL NOTICE: When disconnecting the cable from the negative (-) battery terminal, initialize the following systems after the cab
PARTS LOCATION ILLUSTRATION *1 DEF RELAY *2 REAR WINDOW DEFOGGER WIRE *3 NO. 1 ENGINE ROOM RELAY BLOCK AND NO. 1 JUNCTION BLOCK ASSEMBLY - DEF FUSE *4 BACK WINDOW GLASS ILLUSTRA
SEE MORE:
REMOVAL CAUTION / NOTICE / HINT The necessary procedures (adjustment, calibration, initialization, or registration) that must be performed after parts are removed and installed, or replaced during ignition coil assembly or spark plug removal/installation are shown below. Necessary Procedures After P
DIAGNOSIS SYSTEM DESCRIPTION The main body ECU (multiplex network body ECU) and certification ECU (smart key ECU assembly) control the LIN communication system. LIN communication system data and Diagnostic Trouble Codes (DTCs) can be read through the Data Link Connector 3 (DLC3). When the system see
© 2016-2026 Copyright www.lexguide.net
