Lexus ES manuals

Lexus ES: Rear Power Window RH does not Operate with Rear Power Window Switch RH

Lexus ES (XZ10) Service Manual / Vehicle Interior / Window / Glass / Power Window Control System (for Hv Model) / Rear Power Window RH does not Operate with Rear Power Window Switch RH

DESCRIPTION

When the power switch is on (IG), the power window regulator motor assembly (for rear RH door) is operated by the rear power window regulator switch assembly (for RH door). The power window regulator motor assembly (for rear RH door) has motor, regulator, and ECU functions.

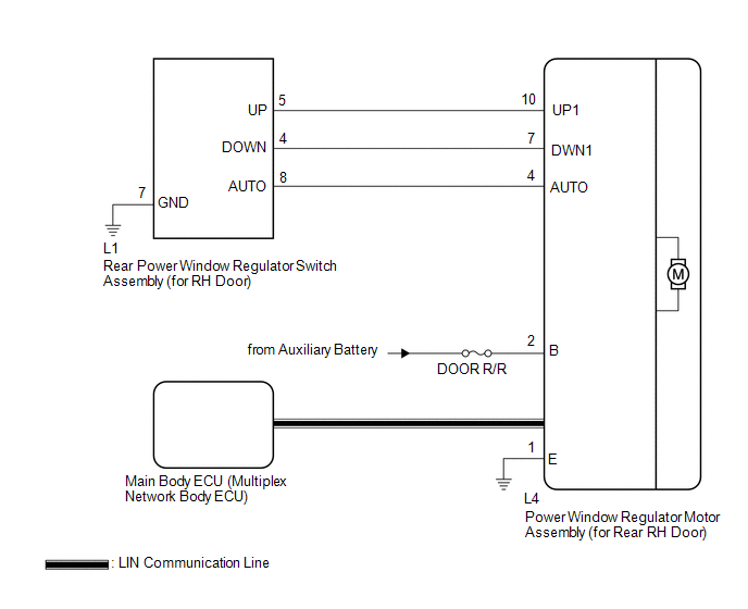
WIRING DIAGRAM

CAUTION / NOTICE / HINT

NOTICE:

  • The power window control system uses the LIN communication system. Inspect the communication function by following How to Proceed with Troubleshooting. Troubleshoot the power window control system after confirming that the communication system is functioning properly.

    Click here

  • If the power window regulator motor assembly (for rear RH door) has been replaced with a new one, initialize the power window control system.

    Click here

  • Check that the window lock switch is off before performing the following procedure.
  • Inspect the fuses for circuits related to this system before performing the following procedure.
  • Before replacing the main body ECU (multiplex network body ECU), refer to Registration.

    Click here

PROCEDURE

1.

READ VALUE USING TECHSTREAM (MAIN BODY)

(a) Connect the Techstream to the DLC3.

(b) Turn the power switch on (IG).

(c) Turn the Techstream on.

(d) Enter the following menus: Body Electrical / Main Body / Data List.

(e) Read the Data List according to the display on the Techstream.

Body Electrical > Main Body > Data List

Tester Display

Measurement Item

Range

Normal Condition

Diagnostic Note

Communication RR-Door Motor

Connection status between power window regulator motor assembly (for rear RH door) and main body ECU (multiplex network body ECU)

STOP or OK

STOP: Communication stopped

OK: Normal communication

-

Body Electrical > Main Body > Data List

Tester Display

Communication RR-Door Motor

OK:

OK is displayed for each Data List item above.

NG

GO TO LIN COMMUNICATION SYSTEM (Proceed to How to Proceed with Troubleshooting)

OK

2.

READ VALUE USING TECHSTREAM (RR-DOOR MOTOR)

(a) Enter the following menus: Body Electrical / RR-Door Motor / Data List.

(b) Read the Data List according to the display on the Techstream.

Body Electrical > RR-Door Motor > Data List

Tester Display

Measurement Item

Range

Normal Condition

Diagnostic Note

RR Door P/W Up SW

Rear RH door power window manual up switch signal

OFF or ON

OFF: Rear RH door power window manual up switch not being operated

ON: Rear RH door power window manual up switch being operated

-

RR Door P/W Down SW

Rear RH door power window manual down switch signal

OFF or ON

OFF: Rear RH door power window manual down switch not being operated

ON: Rear RH door power window manual down switch being operated

-

Body Electrical > RR-Door Motor > Data List

Tester Display

RR Door P/W Up SW

RR Door P/W Down SW

OK:

On the Techstream screen, ON or OFF is displayed accordingly.

NG

GO TO STEP 4

OK

3.

PERFORM ACTIVE TEST USING TECHSTREAM (RR-DOOR MOTOR)

(a) Enter the following menus: Body Electrical / RR-Door Motor / Active Test.

(b) Perform the Active Test according to the display on the Techstream.

CAUTION:

Be careful to avoid injuries as this test causes vehicle parts to move. During the Active Test, the jam protection function will not operate.

Body Electrical > RR-Door Motor > Active Test

Tester Display

Measurement Item

Control Range

Diagnostic Note

Power Window

Power window

OFF / DOWN / UP

-

Body Electrical > RR-Door Motor > Active Test

Tester Display

Power Window

OK:

Rear RH door power window operates normally.

OK

REPLACE MAIN BODY ECU (MULTIPLEX NETWORK BODY ECU)

NG

REPLACE POWER WINDOW REGULATOR MOTOR ASSEMBLY (for Rear RH Door)

4.

INSPECT REAR POWER WINDOW REGULATOR SWITCH ASSEMBLY (for RH Door)

(a) Remove the rear power window regulator switch assembly (for RH door).

Click here

(b) Inspect the rear power window regulator switch assembly (for RH door).

Click here

NG

REPLACE REAR POWER WINDOW REGULATOR SWITCH ASSEMBLY (for RH Door)

OK

5.

CHECK HARNESS AND CONNECTOR (REAR POWER WINDOW REGULATOR SWITCH (for RH Door) - POWER WINDOW REGULATOR MOTOR (for Rear RH Door) AND BODY GROUND)

(a) Disconnect the L4 power window regulator motor assembly (for rear RH door) connector.

(b) Measure the resistance according to the value(s) in the table below.

Standard Resistance:

Tester Connection

Condition

Specified Condition

L1-5 (UP) - L4-10 (UP1)

Always

Below 1 Ω

L1-5 (UP) or L4-10 (UP1) - Body ground

Always

10 kΩ or higher

L1-4 (DOWN) - L4-7 (DWN1)

Always

Below 1 Ω

L1-4 (DOWN) or L4-7 (DWN1) - Body ground

Always

10 kΩ or higher

L1-7 (GND) - Body ground

Always

Below 1 Ω

OK

REPLACE POWER WINDOW REGULATOR MOTOR ASSEMBLY (for Rear RH Door)

NG

REPAIR OR REPLACE HARNESS OR CONNECTOR

READ NEXT:

 Driver Side Power Window Auto Up / Down Function does not Operate with Power Window Master Switch

DESCRIPTION If the manual up and down functions operate normally but the auto up and down functions do not, the power window control system may be in fail-safe mode. If power window initialization has

 Front Passenger Side Power Window Auto Up / Down Function does not Operate with Front Passenger Side Power Window Switch

DESCRIPTION If the manual up and down functions operate normally but the auto up and down functions do not, the power window control system may be in fail-safe mode. If power window initialization has

 Rear Power Window LH Auto Up / Down Function does not Operate with Rear Power Window Switch LH

DESCRIPTION If the manual up and down functions operate normally but the auto up and down functions do not, the power window control system may be in fail-safe mode. If power window initialization has

SEE MORE:

 Transmission Control Switch Circuit

DESCRIPTION When the shift lever is in S, different ranges can be chosen using the floor shift sequential gate. WIRING DIAGRAM Refer to the wiring diagram for the shift paddle switch circuit. Click here PROCEDURE 1. READ VALUE USING TECHSTREAM (SPORTS SHIFT POSITION) (a) Connect the Tech

 Satellite Radio Broadcast cannot be Received

CAUTION / NOTICE / HINT NOTICE: Some satellite radio broadcasts require payment. A contract must be made between a satellite radio company and the user. If the contract expires, it will not be possible to listen to the broadcast. PROCEDURE 1. CHECK SURROUNDINGS (a) Check if the vehicle is i

© 2016-2026 Copyright www.lexguide.net