Lexus ES manuals

Lexus ES: Precaution

PRECAUTION

NOTICE FOR INITIALIZATION

NOTICE:

When disconnecting the cable from the negative (-) battery terminal, initialize the following systems after the cable is reconnected.

System

See Procedure

Lane Control System

Pre-collision System

Parking Support Brake System

Lighting System

Parking Assist Monitor System

Panoramic View Monitor System

Power Trunk Lid System

CAN COMMUNICATION SYSTEM TROUBLESHOOTING

(a) Because the order of diagnosis is important to allow correct diagnosis, make sure to begin troubleshooting using How to Proceed with Troubleshooting when CAN communication system related DTCs are output.

Click here

(b) Precaution for steering system handling

(1) Be careful when replacing parts. Incorrect replacement could affect the performance of the steering system and result in hazardous driving.

Click here

(c) Precaution for SRS airbag system handling

NOTICE:

This vehicle is equipped with a Supplemental Restraint System (SRS) which includes parts such as airbags for the driver and front passenger. Failure to carry out service operations in the correct sequence could cause unexpected SRS deployment during servicing and may cause a serious accident. Before servicing (including removal or installation of parts, inspection or replacement), be sure to read Precaution for SRS.

Click here

(d) Precaution for when disconnecting a wire harness from a CAN junction connector

(1) When disconnecting a wire harness from a CAN junction connector, use tape or tags to identify each connector and make sure to reconnect each connector to its original location on the CAN junction connector.

HINT:

  • Reconnecting a connector to a location other than its original location on the CAN junction connector will not affect system performance. However, reconnecting connectors to their original locations makes future maintenance easier and avoids negative effects on wire harnesses, such as excessive tension.
  • For information on how to identify the ECUs or sensors connected to the CAN junction connector, refer to Terminals of ECU.

    Click here

(e) Bus line repair

(1) After repairing a bus line with solder, wrap the repaired area with electrical tape.

*a

Soldered Area to Be Wrapped with Electrical Tape

NOTICE:

  • When installing, make sure that these lines are twisted, because CAN bus lines are likely to be influenced by electrical noise if the bus lines are not twisted.
  • Ensure that there is no gap between the CANH wire and CANL wire.
  • Make sure that the distance between the first twist of the wires and the connector is less than 80 mm (3.15 in).
  • When repairing the CAN bus lines, do not change the length of the lines. (Make sure that the length of the CANH bus line and CANL bus line are the same.)

(2) Do not use bypass wiring between connectors.

*a

Bypass Wire

NOTICE:

  • The ability of the twisted bus lines to resist interference will be lost if bypass wiring is used.
  • Do not use a twisted pair of wires for bypass wiring.

(f) Connector handling

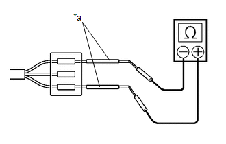
(1) When checking resistance with a tester, insert the tester probes from the backside (harness side) of the connector.

*a

Tester Probe

(2) When it is not possible to insert the tester from the backside of the connector, using service wires, measure from the front side of the connector.

*a

Service Wire

(g) Precaution for when replacing a gateway function equipped ECU (sub bus monitoring ECU)

(1) When replacing a gateway equipped function ECU (sub bus monitoring ECU) with one which was installed to another vehicle, perform initialization of the sub bus monitoring ECU in order to clear stored bus information.

Click here

NOTICE:

If the stored bus information does not match the current sub bus configuration, DTCs may be stored and fail-safe functions may operate.

HINT:

It is not necessary to perform initialization of a gateway monitoring ECU (sub bus monitoring ECU) when using a sub bus monitoring ECU which was installed to another vehicle with the same sub bus configuration.

(h) Precautions for when a gateway function equipped ECU (sub bus monitor ECU) detects communication DTCs for ECUs not connected to the ECU

(1) Refer to precautions when replacing a gateway function equipped ECU (sub bus monitoring ECU) and initialize the connection information of the ECU.

(2) Clear the DTCs and check that no DTCs are output.

(i) Difference between genuine navigation receivers/radio and display receivers and optional navigation receivers/radio and display receivers

(1) Some optional navigation receivers/radio and display receivers are available as CAN compatible devices. Be aware that some optional navigation receivers/radio and display receivers do not have the same diagnostic features or characteristics of genuine navigation receivers/radio and display receivers.

NOTICE:

  • Optional navigation receivers/radio and display receivers receive data from the CAN communication system. However, most optional navigation receivers/radio and display receivers do not send signals to the CAN bus main line.
  • Most optional navigation receivers/radio and display receivers will not be displayed on the "CAN Bus Check" screen of the Techstream.
  • When checking for DTCs using the Techstream, DTCs for optional navigation receivers/radio and display receivers will not be displayed on the Techstream.

SENSOR EXPRESSIONS

(a) The descriptions for the blind spot monitor sensors differ depending on the system. The expressions listed in the table below are used in this Repair Manual.

Part Name

Actual Part Name

Blind spot monitor sensor LH (A)

Blind spot monitor sensor LH

Blind spot monitor sensor RH (B)

Blind spot monitor sensor RH

READ NEXT:

 A25a-fxs (battery / Charging)

 Charging System

 Lost Communication with Battery Monitor Module Missing Message (P162B87)

DESCRIPTION The hybrid vehicle control ECU communicates with the battery state sensor assembly via LIN communication. If a LIN communication error is detected, the hybrid vehicle control ECU stores th

SEE MORE:

 Engine Coolant Temperature Sensor 1 Circuit Short to Ground (P011511)

DESCRIPTION A thermistor, whose resistance value varies according to the engine coolant temperature, is built into the engine coolant temperature sensor. The structure of the sensor and its connection to the ECM are the same as those of the intake air temperature sensor. Refer to DTC P011011. Click

 Lost Communication with Cruise Control Front Distance Range Sensor Signal Sensor or Center Missing Message (U023587)

DESCRIPTION The forward recognition camera and millimeter wave radar sensor assembly communicate via CAN communication. If there is an error in the communication with the millimeter wave radar sensor assembly, the forward recognition camera stores DTC U023587. DTC No. Detection Item DTC Detec

© 2016-2026 Copyright www.lexguide.net