Lexus ES manuals

Lexus ES: Power Window Switch Malfunction (B2312)

DESCRIPTION

The power window regulator motor assemblies are operated by the multiplex network master switch assembly, power window regulator switch assembly or rear power window regulator switch assemblies. The power window regulator motor assemblies have motor, regulator and ECU functions.

This DTC is stored when the ECU built into a power window regulator motor assembly and multiplex network master switch assembly determine that the multiplex network master switch assembly, power window regulator switch assembly or rear power window regulator switch assembly is stuck.

Master Switch

DTC No.

Detection Item

DTC Detection Condition

Trouble Area

B2312

Power Window Switch Malfunction

  • Multiplex network master switch assembly stuck
  • Multiplex network master switch assembly held in same position for more than 20 seconds
  • Multiplex network master switch assembly operated for 20 seconds or more

Multiplex network master switch assembly

D-Door Motor

DTC No.

Detection Item

DTC Detection Condition

Trouble Area

B2312

Power Window Switch Malfunction

  • Multiplex network master switch assembly stuck
  • Multiplex network master switch assembly held in same position for more than 20 seconds
  • Multiplex network master switch assembly
  • Power window regulator motor assembly (for driver door)
  • Wire harness or connector
P-Door Motor

DTC No.

Detection Item

DTC Detection Condition

Trouble Area

B2312

Power Window Switch Malfunction

  • Power window regulator switch assembly stuck
  • Power window regulator switch assembly held in same position for more than 20 seconds
  • Power window regulator switch assembly
  • Power window regulator motor assembly (for front passenger door)
  • Wire harness or connector
RL-Door Motor

DTC No.

Detection Item

DTC Detection Condition

Trouble Area

B2312

Power Window Switch Malfunction

  • Rear power window regulator switch assembly (for LH door) stuck
  • Rear power window regulator switch assembly (for LH door) held in same position for more than 20 seconds
  • Rear power window regulator switch assembly (for LH door)
  • Power window regulator motor assembly (for rear LH door)
  • Wire harness or connector
RR-Door Motor

DTC No.

Detection Item

DTC Detection Condition

Trouble Area

B2312

Power Window Switch Malfunction

  • Rear power window regulator switch assembly (for RH door) stuck
  • Rear power window regulator switch assembly (for RH door) held in same position for more than 20 seconds
  • Rear power window regulator switch assembly (for RH door)
  • Power window regulator motor assembly (for rear RH door)
  • Wire harness or connector

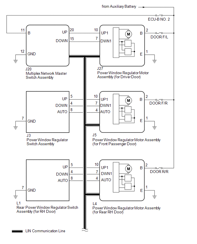
WIRING DIAGRAM

CAUTION / NOTICE / HINT

NOTICE:

  • DTC B2312 is stored in the multiplex network master switch assembly and in each power window regulator motor assembly.
  • If a power window regulator motor assembly has been replaced with a new one, initialize the power window control system.

    Click here

  • Inspect the fuses for circuits related to this system before performing the following procedure.
  • The power window control system uses the LIN communication system. Inspect the communication function by following How to Proceed with Troubleshooting. Troubleshoot the power window control system after confirming that the communication system is functioning properly.

    Click here

HINT:

If DTC B2312 is not output again after the DTC has been cleared, the DTC was stored due to the switch being held in the same position continuously.

PROCEDURE

1.

CHECK FOR DTC

(a) Connect the Techstream to the DLC3.

(b) Turn the power switch on (IG).

(c) Turn the Techstream on.

(d) Enter the following menus: Body Electrical / (desired system) / Clear DTCs.

(e) Clear the DTCs.

Body Electrical > Master Switch > Clear DTCs Body Electrical > D-Door Motor > Clear DTCs Body Electrical > P-Door Motor > Clear DTCs Body Electrical > RL-Door Motor > Clear DTCs Body Electrical > RR-Door Motor > Clear DTCs

(f) Check for DTCs.

Body Electrical > Master Switch > Trouble Codes Body Electrical > D-Door Motor > Trouble Codes Body Electrical > P-Door Motor > Trouble Codes Body Electrical > RL-Door Motor > Trouble Codes Body Electrical > RR-Door Motor > Trouble Codes

OK:

DTC B2312 is not output.

OK

END (DTC WAS STORED DUE TO SWITCH BEING OPERATED FOR 20 SECONDS OR MORE)

NG

2.

CHECK DTC OUTPUT

(a) Check the parts from which this DTC has been output.

Result

Proceed to

DTC output from multiplex network master switch assembly

A

DTC output from power window regulator motor assembly (for driver door)

B

DTC output from power window regulator motor assembly (for front passenger door)

C

DTC output from power window regulator motor assembly (for rear LH door)

D

DTC output from power window regulator motor assembly (for rear RH door)

E

A

REPLACE MULTIPLEX NETWORK MASTER SWITCH ASSEMBLY

C

GO TO STEP 6

D

GO TO STEP 9

E

GO TO STEP 12

B

3.

READ VALUE USING TECHSTREAM (D-DOOR MOTOR)

(a) Enter the following menus: Body Electrical / D-Door Motor / Data List.

(b) Read the Data List according to the display on the Techstream.

Body Electrical > D-Door Motor > Data List

Tester Display

Measurement Item

Range

Normal Condition

Diagnostic Note

D Door P/W Up SW

Driver door power window manual up switch signal

OFF or ON

OFF: Driver door power window manual up switch not being operated

ON: Driver door power window manual up switch being operated

-

D Door P/W Down SW

Driver door power window manual down switch signal

OFF or ON

OFF: Driver door power window manual down switch not being operated

ON: Driver door power window manual down switch being operated

-

Body Electrical > D-Door Motor > Data List

Tester Display

D Door P/W Up SW

D Door P/W Down SW

OK:

On the Techstream screen, ON or OFF is displayed accordingly.

OK

REPLACE POWER WINDOW REGULATOR MOTOR ASSEMBLY (for Driver Door)

NG

4.

CHECK MULTIPLEX NETWORK MASTER SWITCH ASSEMBLY

(a) Disconnect the J27 power window regulator motor assembly (for driver door) connector.

*a

Front view of wire harness connector

(to Power Window Regulator Motor Assembly (for Driver Door))

(b) Measure the voltage according to the value(s) in the table below.

Standard Voltage:

Tester Connection

Condition

Specified Condition

J27-10 (UP1) - Body ground

Power switch on (IG)

11 to 14 V

J27-7 (DWN1) - Body ground

Power switch on (IG)

11 to 14 V

OK

REPLACE POWER WINDOW REGULATOR MOTOR ASSEMBLY (for Driver Door)

NG

5.

CHECK HARNESS AND CONNECTOR (MULTIPLEX NETWORK MASTER SWITCH ASSEMBLY - POWER WINDOW REGULATOR MOTOR ASSEMBLY (for Driver Door))

(a) Disconnect the J20 multiplex network master switch assembly connector.

(b) Measure the resistance according to the value(s) in the table below.

Standard Resistance:

Tester Connection

Condition

Specified Condition

J20-20 (UP) or J27-10 (UP1) - Body ground

Always

10 kΩ or higher

J20-15 (DOWN) or J27-7 (DWN1) - Body ground

Always

10 kΩ or higher

OK

REPLACE MULTIPLEX NETWORK MASTER SWITCH ASSEMBLY

NG

REPAIR OR REPLACE HARNESS OR CONNECTOR

6.

READ VALUE USING TECHSTREAM (P-DOOR MOTOR)

(a) Enter the following menus: Body Electrical / P-Door Motor / Data List.

(b) Read the Data List according to the display on the Techstream.

Body Electrical > P-Door Motor > Data List

Tester Display

Measurement Item

Range

Normal Condition

Diagnostic Note

P Door P/W Auto SW

Front passenger door power window auto switch signal

OFF or ON

OFF: Front passenger door power window auto up or auto down switch not being operated

ON: Front passenger door power window auto up or auto down switch being operated

-

P Door P/W Up SW

Front passenger door power window manual up switch signal

OFF or ON

OFF: Front passenger door power window manual up switch not being operated

ON: Front passenger door power window manual up switch being operated

-

P Door P/W Down SW

Front passenger door power window manual down switch signal

OFF or ON

OFF: Front passenger door power window manual down switch not being operated

ON: Front passenger door power window manual down switch being operated

-

Body Electrical > P-Door Motor > Data List

Tester Display

P Door P/W Auto SW

P Door P/W Up SW

P Door P/W Down SW

OK:

On the Techstream screen, ON or OFF is displayed accordingly.

OK

REPLACE POWER WINDOW REGULATOR MOTOR ASSEMBLY (for Front Passenger Door)

NG

7.

INSPECT POWER WINDOW REGULATOR SWITCH ASSEMBLY

(a) Remove the power window regulator switch assembly.

Click here

(b) Inspect the power window regulator switch assembly.

Click here

NG

REPLACE POWER WINDOW REGULATOR SWITCH ASSEMBLY

OK

8.

CHECK HARNESS AND CONNECTOR (POWER WINDOW REGULATOR SWITCH ASSEMBLY - POWER WINDOW REGULATOR MOTOR ASSEMBLY (for Front Passenger Door))

(a) Disconnect the J5 power window regulator motor assembly (for front passenger door) connector.

(b) Measure the resistance according to the value(s) in the table below.

Standard Resistance:

Tester Connection

Condition

Specified Condition

J3-5 (UP) or J5-10 (UP1) - Body ground

Always

10 kΩ or higher

J3-4 (DOWN) or J5-7 (DWN1) - Body ground

Always

10 kΩ or higher

J3-8 (AUTO) or J5-4 (AUTO) - Body ground

Always

10 kΩ or higher

OK

REPLACE POWER WINDOW REGULATOR MOTOR ASSEMBLY (for Front Passenger Door)

NG

REPAIR OR REPLACE HARNESS OR CONNECTOR

9.

READ VALUE USING TECHSTREAM (RL-DOOR MOTOR)

(a) Enter the following menus: Body Electrical / RL-Door Motor / Data List.

(b) Read the Data List according to the display on the Techstream.

Body Electrical > RL-Door Motor > Data List

Tester Display

Measurement Item

Range

Normal Condition

Diagnostic Note

RL Door P/W Auto SW

Rear LH door power window auto switch signal

OFF or ON

OFF: Rear LH door power window auto up or auto down switch not being operated

ON: Rear LH door power window auto up or auto down switch being operated

-

RL Door P/W Up SW

Rear LH door power window manual up switch signal

OFF or ON

OFF: Rear LH door power window manual up switch not being operated

ON: Rear LH door power window manual up switch being operated

-

RL Door P/W Down SW

Rear LH door power window manual down switch signal

OFF or ON

OFF: Rear LH door power window manual down switch not being operated

ON: Rear LH door power window manual down switch being operated

-

Body Electrical > RL-Door Motor > Data List

Tester Display

RL Door P/W Auto SW

RL Door P/W Up SW

RL Door P/W Down SW

OK:

On the Techstream screen, ON or OFF is displayed accordingly.

OK

REPLACE POWER WINDOW REGULATOR MOTOR ASSEMBLY (for Rear LH Door)

NG

10.

INSPECT REAR POWER WINDOW REGULATOR SWITCH ASSEMBLY (for LH Door)

(a) Remove the rear power window regulator switch assembly (for LH door).

Click here

(b) Inspect the rear power window regulator switch assembly (for LH door).

Click here

NG

REPLACE REAR POWER WINDOW REGULATOR SWITCH ASSEMBLY (for LH Door)

OK

11.

CHECK HARNESS AND CONNECTOR (REAR POWER WINDOW REGULATOR SWITCH ASSEMBLY (for LH Door) - POWER WINDOW REGULATOR MOTOR ASSEMBLY (for Rear LH Door))

(a) Disconnect the L10 power window regulator motor assembly (for rear LH door) connector.

(b) Measure the resistance according to the value(s) in the table below.

Standard Resistance:

Tester Connection

Condition

Specified Condition

L7-5 (UP) or L10-10 (UP1) - Body ground

Always

10 kΩ or higher

L7-4 (DOWN) or L10-7 (DWN1) - Body ground

Always

10 kΩ or higher

L7-8 (AUTO) or L10-4 (AUTO) - Body ground

Always

10 kΩ or higher

OK

REPLACE POWER WINDOW REGULATOR MOTOR ASSEMBLY (for Rear LH Door)

NG

REPAIR OR REPLACE HARNESS OR CONNECTOR

12.

READ VALUE USING TECHSTREAM (RR-DOOR MOTOR)

(a) Enter the following menus: Body Electrical / RR-Door Motor / Data List.

(b) Read the Data List according to the display on the Techstream.

Body Electrical > RR-Door Motor > Data List

Tester Display

Measurement Item

Range

Normal Condition

Diagnostic Note

RR Door P/W Auto SW

Rear RH door power window auto switch signal

OFF or ON

OFF: Rear RH door power window auto up or auto down switch not being operated

ON: Rear RH door power window auto up or auto down switch being operated

-

RR Door P/W Up SW

Rear RH door power window manual up switch signal

OFF or ON

OFF: Rear RH door power window manual up switch not being operated

ON: Rear RH door power window manual up switch being operated

-

RR Door P/W Down SW

Rear RH door power window manual down switch signal

OFF or ON

OFF: Rear RH door power window manual down switch not being operated

ON: Rear RH door power window manual down switch being operated

-

Body Electrical > RR-Door Motor > Data List

Tester Display

RR Door P/W Auto SW

RR Door P/W Up SW

RR Door P/W Down SW

OK:

On the Techstream screen, ON or OFF is displayed accordingly.

OK

REPLACE POWER WINDOW REGULATOR MOTOR ASSEMBLY (for Rear RH Door)

NG

13.

INSPECT REAR POWER WINDOW REGULATOR SWITCH ASSEMBLY (for RH Door)

(a) Remove the rear power window regulator switch assembly (for RH door).

Click here

(b) Inspect the rear power window regulator switch assembly (for RH door).

Click here

NG

REPLACE REAR POWER WINDOW REGULATOR SWITCH ASSEMBLY (for RH Door)

OK

14.

CHECK HARNESS AND CONNECTOR (REAR POWER WINDOW REGULATOR SWITCH ASSEMBLY (for RH Door) - POWER WINDOW REGULATOR MOTOR ASSEMBLY (for Rear RH Door))

(a) Disconnect the L4 power window regulator motor assembly (for rear RH door) connector.

(b) Measure the resistance according to the value(s) in the table below.

Standard Resistance:

Tester Connection

Condition

Specified Condition

L1-5 (UP) or L4-10 (UP1) - Body ground

Always

10 kΩ or higher

L1-4 (DOWN) or L4-7 (DWN1) - Body ground

Always

10 kΩ or higher

L1-8 (AUTO) or L4-4 (AUTO) - Body ground

Always

10 kΩ or higher

OK

REPLACE POWER WINDOW REGULATOR MOTOR ASSEMBLY (for Rear RH Door)

NG

REPAIR OR REPLACE HARNESS OR CONNECTOR

READ NEXT:

 Glass Position Initialization Incomplete (B2313)

DESCRIPTION The power window regulator motor assemblies are operated by the multiplex network master switch assembly, power window regulator switch assembly or rear power window regulator switch assem

 Driver Side Power Window does not Operate with Power Window Master Switch

DESCRIPTION When the power switch is on (IG), the power window regulator motor assembly (for driver door) is operated by the multiplex network master switch assembly. The power window regulator motor

 Remote Up / Down Function does not Operate

DESCRIPTION When the power switch on (IG), the multiplex network master switch assembly sends remote up and down signals to each power window regulator motor assembly via LIN communication. WIRING DIA

SEE MORE:

 Pressure Control Solenoid "L" Circuit Short to Ground or Open (P08BA14)

DESCRIPTION Refer to DTC P08BA12. Click here DTC No. Detection Item DTC Detection Condition Trouble Area MIL Memory Note P08BA14 Pressure Control Solenoid "L" Circuit Short to Ground or Open While the vehicle is being driven so that gear changes occur, a short to ground or o

 Fuel Rail Pressure Sensor "A" Circuit Short to Battery or Open (P019015)

DESCRIPTION Refer to DTC P019011. Click here DTC No. Detection Item DTC Detection Condition Trouble Area MIL Memory Note P019015 Fuel Rail Pressure Sensor "A" Circuit Short to Battery or Open The fuel pressure sensor (for high pressure side) output voltage is higher than 4.9

© 2016-2025 Copyright www.lexguide.net