Lexus ES manuals

Lexus ES: Power Source Circuit

DESCRIPTION

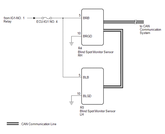
This circuit provides power to operate the blind spot monitor sensor.

WIRING DIAGRAM

CAUTION / NOTICE / HINT

NOTICE:

Inspect the fuses for circuits related to this system before performing the following procedure.

PROCEDURE

1.

CHECK HARNESS AND CONNECTOR (BLIND SPOT MONITOR SENSOR RH POWER SOURCE)

(a) Disconnect the R4 blind spot monitor sensor RH connector.

(b) Measure the voltage according to the value(s) in the table below.

Standard Voltage:

Tester Connection

Condition

Specified Condition

R4-5 (BRB) - Body ground

Power switch on (IG)

11 to 14 V

R4-5 (BRB) - Body ground

Power switch off

Below 1 V

NG

REPAIR OR REPLACE HARNESS OR CONNECTOR

OK

2.

CHECK HARNESS AND CONNECTOR (BLIND SPOT MONITOR SENSOR RH - BODY GROUND)

(a) Measure the resistance according to the value(s) in the table below.

Standard Resistance:

Tester Connection

Condition

Specified Condition

R4-10 (BRGD) - Body ground

Always

Below 1 Ω

NG

REPAIR OR REPLACE HARNESS OR CONNECTOR

OK

3.

CHECK HARNESS AND CONNECTOR (BLIND SPOT MONITOR SENSOR LH POWER SOURCE)

(a) Disconnect the R5 blind spot monitor sensor LH connector.

(b) Measure the voltage according to the value(s) in the table below.

Standard Voltage:

Tester Connection

Condition

Specified Condition

R5-5 (BLB) - Body ground

Power switch on (IG)

11 to 14 V

R5-5 (BLB) - Body ground

Power switch off

Below 1 V

NG

REPAIR OR REPLACE HARNESS OR CONNECTOR

OK

4.

CHECK HARNESS AND CONNECTOR (BLIND SPOT MONITOR SENSOR LH - BODY GROUND)

(a) Measure the resistance according to the value(s) in the table below.

Standard Resistance:

Tester Connection

Condition

Specified Condition

R5-10 (BLGD) - Body ground

Always

Below 1 Ω

OK

PROCEED TO NEXT SUSPECTED AREA SHOWN IN PROBLEM SYMPTOMS TABLE

NG

REPAIR OR REPLACE HARNESS OR CONNECTOR

READ NEXT:

 Precaution

PRECAUTION PRECAUTION FOR DISCONNECTING CABLE FROM NEGATIVE AUXILIARY BATTERY TERMINAL NOTICE: When disconnecting the cable from the negative (-) auxiliary battery terminal, initialize the following s

 Problem Symptoms Table

PROBLEM SYMPTOMS TABLE HINT: Use the table below to help determine the cause of problem symptoms. If multiple suspected areas are listed, the potential causes of the symptoms are listed in order of

 System Description

SYSTEM DESCRIPTION GENERAL (a) The blind spot monitor system has a blind spot monitor function. (1) Blind spot monitor function The blind spot monitor function is a function that assists the driver

SEE MORE:

 ABS Pump Motor Supply Voltage Circuit Short to Ground or Open (C052F14)

DESCRIPTION The ABS motor relay is built into the brake actuator assembly. When the skid control ECU (brake actuator assembly) operates ABS, TRAC, VSC, brake hold, or brake assist, the ABS motor relay turns ON and drives the motor pump built into the brake actuator assembly. DTC No. Detection I

 Image from Camera for Parking Assist Monitor is Abnormal

DESCRIPTION The video signal from the rear television camera assembly is transmitted to the multi-display assembly. WIRING DIAGRAM CAUTION / NOTICE / HINT NOTICE: If the cable was disconnected from and reconnected to the negative (-) auxiliary battery terminal, the estimated course lines may not

© 2016-2025 Copyright www.lexguide.net