Lexus ES manuals

Lexus ES: Check Bus 1 Lines for Short Circuit

DESCRIPTION

There may be a short circuit between the CAN main bus lines and/or CAN branch lines when the resistance between terminals 23 (CA1H) and 8 (CA1L) of the central gateway ECU (network gateway ECU) is below 54 Ω.

Symptom

Trouble Area

Resistance between terminals 23 (CA1H) and 8 (CA1L) of the central gateway ECU (network gateway ECU) is below 54 Ω.

  • Short in CAN main bus lines
  • Short in CAN branch lines
  • Central gateway ECU (network gateway ECU)
  • Forward recognition camera
  • Clearance warning ECU assembly

    (w/ Parking Support Brake System)

  • Parking assist ECU

    (w/ Panoramic View Monitor System)

  • Millimeter wave radar sensor assembly
  • Blind spot monitor sensor RH

    (w/ Blind Spot Monitor System)

  • Rear television camera assembly
  • No. 1 CAN junction connector
  • No. 6 CAN junction connector
  • No. 1 CAN junction terminal

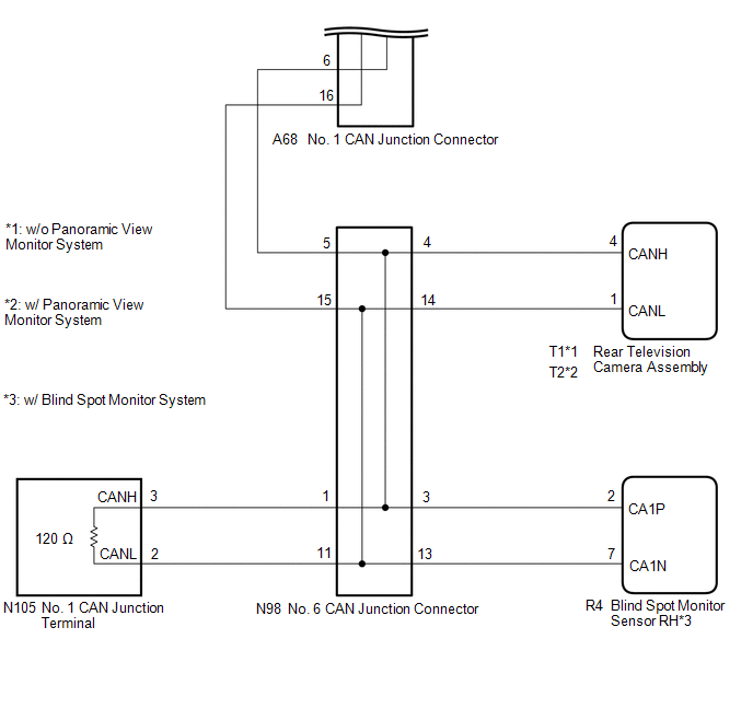
WIRING DIAGRAM

CAUTION / NOTICE / HINT

CAUTION:

When performing the confirmation driving pattern, obey all speed limits and traffic laws.

NOTICE:

  • Because the order of diagnosis is important to allow correct diagnosis, make sure to begin troubleshooting using How to Proceed with Troubleshooting when CAN communication system related DTCs are output.

    Click here

  • Before measuring the resistance of the CAN bus, turn the engine switch off and leave the vehicle for 1 minute or more without operating the key or any switches, or opening or closing the doors. After that, disconnect the cable from the negative (-) battery terminal and leave the vehicle for 1 minute or more before measuring the resistance.
  • After turning the engine switch off, waiting time may be required before disconnecting the cable from the negative (-) battery terminal. Therefore, make sure to read the disconnecting the cable from the negative (-) battery terminal notices before proceeding with work.

    Click here

  • After performing repairs, perform the DTC check procedure and confirm that the DTCs are not output again.

    DTC check procedure: Turn the engine switch on (IG) and wait for 1 minute or more. Then operate the suspected malfunctioning system and drive the vehicle at 60 km/h (37 mph) or more for 5 minutes or more.

  • After the repair, perform the CAN bus check and check that all the ECUs and sensors connected to the CAN communication system are displayed as normal.

    Click here

HINT:

  • Before disconnecting related connectors for inspection, push in on each connector body to check that the connector is not loose or disconnected.
  • When a connector is disconnected, check that the terminals and connector body are not cracked, deformed or corroded.

PROCEDURE

1.

CHECK FOR SHORT IN CAN BUS LINES (NO. 1 CAN JUNCTION CONNECTOR)

(a) Disconnect the cable from the negative (-) battery terminal.

(b) Disconnect the A68 No. 1 CAN junction connector.

(c) Measure the resistance according to the value(s) in the table below.

*a

Front view of wire harness connector

(to No. 1 CAN Junction Connector)

*b

to Millimeter Wave Radar Sensor Assembly

*c

to Forward Recognition Camera

*d

to Central Gateway ECU (Network Gateway ECU)

*e

to No. 6 CAN Junction Connector

*f

to Parking Assist ECU

(w/ Panoramic View Monitor System)

*g

to Clearance Warning ECU Assembly

(w/ Parking Support Brake System)

-

-

Standard Resistance:

Tester Connection

Condition

Specified Condition

Connected to

A68-2 (CANH) - A68-12 (CANL)

Cable disconnected from negative (-) battery terminal

200 Ω or higher

Millimeter wave radar sensor assembly

A68-3 (CANH) - A68-13 (CANL)

Cable disconnected from negative (-) battery terminal

200 Ω or higher

Forward recognition camera

A68-4 (CANH) - A68-14 (CANL)

Cable disconnected from negative (-) battery terminal

108 to 132 Ω

Central gateway ECU (network gateway ECU)

A68-6 (CANH) - A68-16 (CANL)

Cable disconnected from negative (-) battery terminal

108 to 132 Ω

No. 6 CAN junction connector

A68-7 (CANH) - A68-17 (CANL)

Cable disconnected from negative (-) battery terminal

200 Ω or higher

Parking assist ECU*1

A68-8 (CANH) - A68-18 (CANL)

Cable disconnected from negative (-) battery terminal

200 Ω or higher

Clearance warning ECU assembly*2

  • *1: w/ Panoramic View Monitor System
  • *2: w/ Parking Support Brake System

Result

Proceed to

OK

A

NG (Line to central gateway ECU (network gateway ECU))

B

NG (Line to No. 6 CAN junction connector)

C

NG (Line to ECU or sensor)

D

A

REPLACE NO. 1 CAN JUNCTION CONNECTOR

C

GO TO STEP 3

D

GO TO STEP 5

B

2.

CHECK FOR SHORT IN CAN BUS LINES (NO. 1 CAN JUNCTION CONNECTOR - CENTRAL GATEWAY ECU (NETWORK GATEWAY ECU))

(a) Disconnect the G66 central gateway ECU (network gateway ECU) connector.

(b) Measure the resistance according to the value(s) in the table below.

*a

Front view of wire harness connector

(to No. 1 CAN Junction Connector)

*b

to Central Gateway ECU (Network Gateway ECU)

Standard Resistance:

Tester Connection

Condition

Specified Condition

A68-4 (CANH) - A68-14 (CANL)

Cable disconnected from negative (-) battery terminal

1 MΩ or higher

OK

REPLACE CENTRAL GATEWAY ECU (NETWORK GATEWAY ECU)

NG

REPAIR OR REPLACE CAN MAIN BUS LINES OR CONNECTOR (NO. 1 CAN JUNCTION CONNECTOR - CENTRAL GATEWAY ECU (NETWORK GATEWAY ECU))

3.

CHECK FOR SHORT IN CAN BUS LINES (NO. 6 CAN JUNCTION CONNECTOR)

(a) Reconnect the A68 No. 1 CAN junction connector.

(b) Disconnect the N98 No. 6 CAN junction connector.

(c) Measure the resistance according to the value(s) in the table below.

*a

Front view of wire harness connector

(to No. 6 CAN Junction Connector)

*b

to No. 1 CAN Junction Terminal

*c

to Blind Spot Monitor Sensor RH

(w/ Blind Spot Monitor System)

*d

to Rear Television Camera Assembly

*e

to No. 1 CAN Junction Connector

-

-

Standard Resistance:

Tester Connection

Condition

Specified Condition

Connected to

N98-1 (CANH) - N98-11 (CANL)

Cable disconnected from negative (-) battery terminal

108 to 132 Ω

No. 1 CAN junction terminal

N98-3 (CANH) - N98-13 (CANL)

Cable disconnected from negative (-) battery terminal

200 Ω or higher

Blind spot monitor sensor RH*

N98-4 (CANH) - N98-14 (CANL)

Cable disconnected from negative (-) battery terminal

200 Ω or higher

Rear television camera assembly

N98-5 (CANH) - N98-15 (CANL)

Cable disconnected from negative (-) battery terminal

108 to 132 Ω

No. 1 CAN junction connector

  • *: w/ Blind Spot Monitor System

Result

Proceed to

OK

A

NG (Line to No. 1 CAN junction terminal)

B

NG (Line to No. 1 CAN junction connector)

C

NG (Line to ECU or sensor)

D

A

REPLACE NO. 6 CAN JUNCTION CONNECTOR

C

REPAIR OR REPLACE CAN MAIN BUS LINES OR CONNECTOR (NO. 6 CAN JUNCTION CONNECTOR - NO. 1 CAN JUNCTION CONNECTOR)

D

GO TO STEP 5

B

4.

CHECK FOR SHORT IN CAN BUS LINES (NO. 6 CAN JUNCTION CONNECTOR - NO. 1 CAN JUNCTION TERMINAL)

(a) Disconnect the N105 No. 1 CAN junction terminal connector.

(b) Measure the resistance according to the value(s) in the table below.

*a

Front view of wire harness connector

(to No. 6 CAN Junction Connector)

*b

to No. 1 CAN Junction Terminal

Standard Resistance:

Tester Connection

Condition

Specified Condition

N98-1 (CANH) - N98-11 (CANL)

Cable disconnected from negative (-) battery terminal

1 MΩ or higher

OK

REPLACE NO. 1 CAN JUNCTION TERMINAL

NG

REPAIR OR REPLACE CAN MAIN BUS LINES OR CONNECTOR (NO. 6 CAN JUNCTION CONNECTOR - NO. 1 CAN JUNCTION TERMINAL)

5.

CHECK FOR SHORT IN CAN BUS LINES (ECU OR SENSOR)

(a) Reconnect all wire harness connectors.

(b) Disconnect the connector that includes terminals CANH and CANL from the ECU or sensor to which the short circuited branch line is connected.

Click here

(c) Measure the resistance according to the value(s) in the table below.

Standard Resistance:

Tester Connection

Condition

Specified Condition

G66-23 (CA1H) - G66-8 (CA1L)

Cable disconnected from negative (-) battery terminal

54 to 69 Ω

HINT:

  • If the resistance becomes normal (between 54 and 69 Ω) when the connector is disconnected from the ECU or sensor, there may be a short in the ECU or sensor.
  • If the resistance does not become normal when the connector is disconnected from the ECU or sensor, check for a short in the wire harness and repair or replace the wire harness or connector if necessary.

*a

Component with harness connected

(Central Gateway ECU (Network Gateway ECU))

OK

REPLACE ECU OR SENSOR

NG

REPAIR OR REPLACE HARNESS OR CONNECTOR

READ NEXT:

 Open in Bus 1 Main Bus Line

DESCRIPTION There may be an open circuit in one of the CAN main bus lines when the resistance between terminals 23 (CA1H) and 8 (CA1L) of the central gateway ECU (network gateway ECU) is 70 Ω or high

 Restraints Occupant Classification System Module Communication Stop Mode

DESCRIPTION Detection Item Symptom Trouble Area Restraints Occupant Classification System Module Communication Stop Mode Any of the following conditions are met: Communication stop for

 Rear Television Camera Communication Stop Mode

DESCRIPTION Detection Item Symptom Trouble Area Rear Television Camera Communication Stop Mode Any of the following conditions are met: Communication stop for "Parking Assist Monitor S

SEE MORE:

 Transmission Range Sensor "A" Circuit (PRNDL Input) Signal Compare Failure (P070562)

DESCRIPTION The shift lever position sensor sends 7 different switch signals to the hybrid vehicle control ECU. The hybrid vehicle control ECU uses these signals to detect the shift lever position (P, R, N or D). The hybrid vehicle control ECU also uses this information to determine the intended dir

 Installation

INSTALLATION CAUTION / NOTICE / HINT HINT: Use the same procedure for the RH side and LH side. The following procedure is for the LH side. PROCEDURE 1. INSTALL FRONT DOOR ILLUMINATION LIGHT (FRONT DOOR OUTSIDE HANDLE ASSEMBLY) Click here 2. INSTALL FRONT DOOR SERVICE HOLE COVER Click here

© 2016-2026 Copyright www.lexguide.net