Lexus ES manuals

Lexus ES: NTSC Disconnected (from Park Assist/Monitoring ECU) (B1535,C1622)

DESCRIPTION

These DTCs are stored if the radio receiver assembly judges that the signals or signal lines between the rear television camera assembly and the multi-display assembly are not normal as a result of its self check.

DTC No.

Detection Item

DTC Detection Condition

Trouble Area

B1535

NTSC Disconnected (from Park Assist/Monitoring ECU)

Open or short in the rear television camera assembly signal circuit

  • Harness or connector
  • Rear television camera assembly
  • Multi-display assembly
  • Radio receiver assembly

C1622

Back Camera Disconnected

Open or short in the rear television camera assembly signal circuit

  • Harness or connector
  • Rear television camera assembly
  • Multi-display assembly
  • Radio receiver assembly

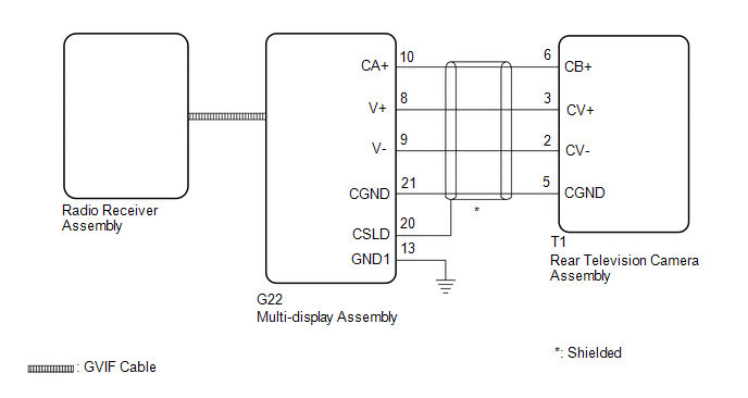
WIRING DIAGRAM

CAUTION / NOTICE / HINT

NOTICE:

  • If the cable was disconnected from and reconnected to the negative (-) auxiliary battery terminal, the estimated course lines may not be displayed on the image of the area behind the vehicle. In this case, perform "Correct the Steering Angle Neutral Point".

    Click here

  • Depending on the parts that are replaced or operations that are performed during vehicle inspection or maintenance, calibration of other systems as well as the parking assist monitor system may be needed.

    Click here

  • Depending on the parts that are replaced during vehicle inspection or maintenance, performing initialization, registration or calibration may be needed. Refer to Precaution for Navigation System.

    Click here

  • When replacing the radio receiver assembly, always replace it with a new one. If a radio receiver assembly which was installed to another vehicle is used, the following may occur:
    • A communication malfunction DTC may be stored.
    • The radio receiver assembly may not operate normally.

PROCEDURE

1.

CHECK DTC

(a) Clear the DTCs.

Body Electrical > Navigation System > Clear DTCs

(b) Turn the power switch off.

(c) Turn the power switch on (IG).

(d) Change the shift position to R and check for DTCs.

Body Electrical > Navigation System > Trouble Codes

OK:

No DTCs are output.

OK

USE SIMULATION METHOD TO CHECK

NG

2.

CHECK HARNESS AND CONNECTOR (REAR TELEVISION CAMERA ASSEMBLY - MULTI-DISPLAY ASSEMBLY)

(a) Disconnect the G22 multi-display assembly connector.

(b) Disconnect the T1 rear television camera assembly connector.

(c) Measure the resistance according to the value(s) in the table below.

Standard Resistance:

Tester Connection

Condition

Specified Condition

G22-10 (CA+) - T1-6 (CB+)

Always

Below 1 Ω

G22-8 (V+) - T1-3 (CV+)

Always

Below 1 Ω

G22-9 (V-) - T1-2 (CV-)

Always

Below 1 Ω

G22-21 (CGND) - T1-5 (CGND)

Always

Below 1 Ω

G22-10 (CA+) or T1-6 (CB+) - Body ground

Always

10 kΩ or higher

G22-8 (V+) or T1-3 (CV+) - Body ground

Always

10 kΩ or higher

G22-9 (V-) or T1-2 (CV-) - Body ground

Always

10 kΩ or higher

G22-21 (CGND) or T1-5 (CGND) - Body ground

Always

10 kΩ or higher

G22-20 (CSLD) - Body ground

Always

10 kΩ or higher

NG

REPAIR OR REPLACE HARNESS OR CONNECTOR

OK

3.

INSPECT MULTI-DISPLAY ASSEMBLY

(a) Reconnect the G22 multi-display assembly connector.

(b) Measure the resistance according to the value(s) in the table below.

Standard Resistance:

Tester Connection

Condition

Specified Condition

G22-21 (CGND) - Body ground

Always

Below 1 Ω

*a

Component with harness connected

(Multi-display Assembly)

(c) Measure the voltage according to the value(s) in the table below.

Standard Voltage:

Tester Connection

Condition

Specified Condition

G22-10 (CA+) - G22-21 (CGND)

Power switch on (ACC)

5.5 to 7.05 V

NG

REPLACE MULTI-DISPLAY ASSEMBLY

OK

4.

INSPECT MULTI-DISPLAY ASSEMBLY

(a) Reconnect the T1 rear television camera assembly connector.

(b) Using an oscilloscope, check the waveform of the rear television camera assembly.

*a

Component with harness connected

(Multi-display Assembly)

HINT:

A waterproof connector is used for the rear television camera assembly. Therefore, inspect the waveform at the multi-display assembly with the connector connected.

OK:

Waveform is similar to that shown in the illustration.

Item

Content

Measurement terminal

G22-8 (V+) - G22-13 (GND1)

Measurement setting

200 mV/DIV., 50 μs./DIV.

Condition

Power switch on (IG), shift lever in R

HINT:

  • The video waveform changes according to the image sent by the rear television camera assembly.
  • The video waveform is constantly output when the power switch is on (ACC).

*a

Waveform 1 (camera lens is not covered, displaying an image)

*b

Waveform 2 (camera lens is covered, blacking out the screen)

*c

Synchronization Signal

*d

Video Waveform

NG

REPLACE REAR TELEVISION CAMERA ASSEMBLY

OK

5.

REPLACE MULTI-DISPLAY ASSEMBLY

(a) Replace the multi-display assembly with a new or known good one.

Click here

NEXT

6.

CHECK DTC OUTPUT

(a) Clear the DTCs.

Body Electrical > Navigation System > Clear DTCs

(b) Turn the power switch off.

(c) Turn the power switch on (IG).

(d) Change the shift position to R and check for DTCs.

Body Electrical > Navigation System > Trouble Codes

OK:

No DTCs are output.

OK

END

NG

REPLACE RADIO RECEIVER ASSEMBLY

READ NEXT:

 Extension Module Disconnected 2 (B1543)

DESCRIPTION If the radio receiver assembly cannot detect the navigation ECU for a certain period of time (90 seconds) after the power switch is turned on (ACC) and the radio receiver assembly confirms

 HD Radio Tuner Malfunction (B1551,B15A0,B15B3-B15B5,B15B7,B15BA,B15F9)

DESCRIPTION These DTCs are stored when a malfunction occurs in the radio receiver assembly DTC No. Detection Item DTC Detection Condition Trouble Area B1551 HD Radio Tuner Malfunction

 Extension Module Malfunction 2 (B1556)

DESCRIPTION This DTC is stored when a malfunction occurs in the Navigation ECU. DTC No. Detection Item DTC Detection Condition Trouble Area B1556 Extension Module Malfunction 2 When a

SEE MORE:

 Front Right Sensor Malfunction (C1AE4)

DESCRIPTION The front corner ultrasonic sensor RH is installed to the front bumper. The clearance warning ECU assembly detects obstacles based on signals received from the front corner ultrasonic sensor RH. If the front corner ultrasonic sensor RH has an open circuit or other malfunction, it will no

 Mirror Heater does not Operate with Rear Defogger Switch

DESCRIPTION When the mirror heater switch (rear window defogger switch) on the air conditioning control assembly is pressed, the operation signal is sent to the air conditioning amplifier assembly via LIN communication. When the air conditioning amplifier assembly receives the signal, it turns on th

© 2016-2026 Copyright www.lexguide.net