Lexus ES: ECM Communication Stop Mode
DESCRIPTION
| Detection Item | Symptom | Trouble Area |
| ECM Communication Stop Mode | Any of the following conditions are met: -
Communication stop for "ECM (Engine)" is indicated on the "Communication Bus Check" screen of the Techstream.
Click here -
Communication stop history for "ECM (Engine)" is indicated on the "Communication Bus Check (Detail)" screen of the Techstream. (The Lost Communication Time value for "ECM (Engine)" is 6 or more.)
Click here -
Communication system DTCs (DTCs that start with U) that correspond to "ECM Communication Stop Mode" in "DTC Combination Table" are output.
Click here | -
ECM main line or connector
-
Power source circuit of ECM
-
ECM ground circuit
-
ECM
|
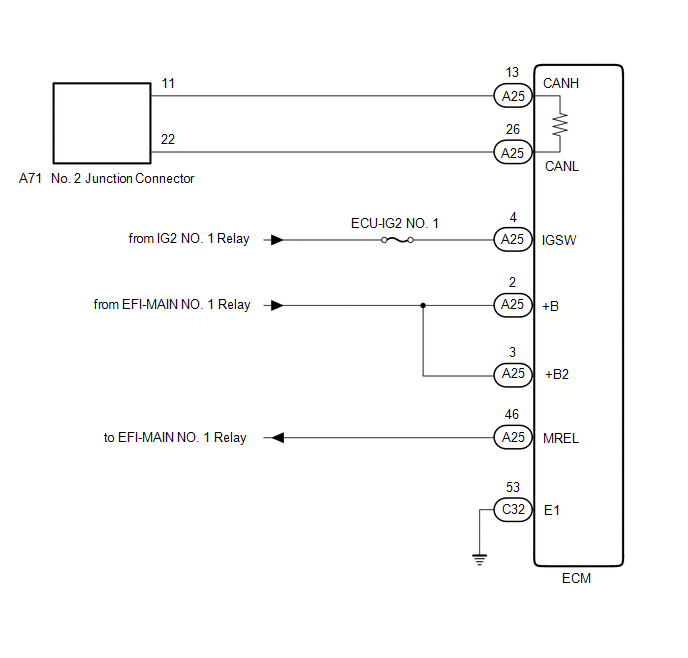
WIRING DIAGRAM
CAUTION / NOTICE / HINT
CAUTION:
When performing the confirmation driving pattern, obey all speed limits and traffic laws.
HINT:
-
Before disconnecting related connectors for inspection, push in on each connector body to check that the connector is not loose or disconnected.
-
When a connector is disconnected, check that the terminals and connector body are not cracked, deformed or corroded.
PROCEDURE
| 1. | CHECK FOR OPEN IN CAN BUS LINES (ECM MAIN LINE) |
(a) Disconnect the cable from the negative (-) battery terminal.
(b) Disconnect the A25 ECM connector.
| (c) Measure the resistance according to the value(s) in the table below. Standard Resistance: | Tester Connection | Condition | Specified Condition | | A25-13 (CANH) - A25-26 (CANL) | Cable disconnected from negative (-) battery terminal | 108 to 132 Ω | | | | *a | Front view of wire harness connector (to ECM) | | |
| NG | | REPAIR OR REPLACE CAN MAIN BUS LINES OR CONNECTOR (ECM) |
|
OK | | |
| 2. | CHECK ECM POWER SOURCE CIRCUIT |
(a) Check the ECM power source circuit.
Click here
| NG | | REPAIR OR REPLACE HARNESS OR CONNECTOR (POWER SOURCE CIRCUIT) |
READ NEXT:
DESCRIPTION Detection Item Symptom Trouble Area Steering Angle Sensor Communication Stop Mode Any of the following conditions are met:
Communication stop for "Spiral cable (Steering An
DESCRIPTION Detection Item Symptom Trouble Area Power Steering ECU Communication Stop Mode Any of the following conditions are met:
Communication stop for "Power Steering (EPS)" is ind
DESCRIPTION Detection Item Symptom Trouble Area Air Conditioning Amplifier Communication Stop Mode Any of the following conditions are met:
Communication stop for "Air Conditioning Amp
SEE MORE:
INSPECTION PROCEDURE 1. INSPECT PCV VALVE (VENTILATION VALVE SUB-ASSEMBLY) (a) Install a hose to the PCV valve (ventilation valve sub-assembly). (b) Check PCV valve (ventilation valve sub-assembly) operation. (1) Blow air into the cylinder head sub-assembly side, and check that air passes through ea
DTC CHECK / CLEAR CHECK DTC (a) Connect the Techstream to the DLC3. (b) Turn the power switch on (IG). (c) Turn the Techstream on. (d) Enter the following menus: Body Electrical / Sliding Roof / Trouble Codes. Body Electrical > Sliding Roof > Trouble Codes (e) Check the details of the DTC(s).
© 2016-2026 Copyright www.lexguide.net
