Lexus ES manuals

Lexus ES: Lost Communication with Hybrid/EV Battery Energy Control Module "A" Missing Message (U011187)

Lexus ES (XZ10) Service Manual / Engine & Hybrid System / Hybrid / Battery Control / Hybrid Control System (for Lithium-ion Battery) / Lost Communication with Hybrid/EV Battery Energy Control Module "A" Missing Message (U011187)

DESCRIPTION

The hybrid vehicle control ECU transmits and receives signals via CAN communication to and from the battery ECU assembly.

DTC No.

Detection Item

DTC Detection Condition

Trouble Area

MIL

Warning Indicate

U011187

Lost Communication with Hybrid/EV Battery Energy Control Module "A" Missing Message

The hybrid vehicle control ECU cannot receive signals from the battery ECU assembly

(1 trip detection logic)

  • Battery ECU assembly
  • Hybrid vehicle control ECU
  • Wire harness or connector

Comes on

Master Warning Light:

Comes on

MONITOR DESCRIPTION

If the hybrid vehicle control ECU detects a problem with CAN communication with the ECU, it will illuminate the MIL and store a DTC.

MONITOR STRATEGY

Related DTCs

U0111 (INF U011187): Lost communication with BECM (Battery bus) verify communication

Required sensors/components

Main: Battery ECU assembly

Sub: Hybrid vehicle control ECU

Frequency of operation

Continuous

Duration

TMC's intellectual property

MIL operation

Immediately

Sequence of operation

None

TYPICAL ENABLING CONDITIONS

The monitor will run whenever the following DTCs are not stored

TMC's intellectual property

Other conditions belong to TMC's intellectual property

-

TYPICAL MALFUNCTION THRESHOLDS

TMC's intellectual property

-

COMPONENT OPERATING RANGE

Hybrid vehicle control ECU

DTC U0111 (INF U011187) is not detected

CONFIRMATION DRIVING PATTERN

HINT:

  • After repair has been completed, clear the DTC and then check that the vehicle has returned to normal by performing the following All Readiness check procedure.

    Click here

  • When clearing the permanent DTCs, refer to the "CLEAR PERMANENT DTC" procedure.

    Click here

  1. Connect the Techstream to the DLC3.
  2. Turn the power switch on (IG) and turn the Techstream on.
  3. Clear the DTCs (even if no DTCs are stored, perform the clear DTC procedure).
  4. Turn the power switch off and wait for 2 minutes or more.
  5. Turn the power switch on (IG) and turn the Techstream on.
  6. Turn the power switch on (READY) and wait for 2 minutes or more. [*1]

    HINT:

    [*1] : Normal judgment procedure.

    The normal judgment procedure is used to complete DTC judgment and also used when clearing permanent DTCs.

  7. Enter the following menus: Powertrain / Hybrid Control / Utility / All Readiness.
  8. Check the DTC judgment result.

    HINT:

    • If the judgment result shows NORMAL, the system is normal.
    • If the judgment result shows ABNORMAL, the system has a malfunction.
    • If the judgment result shows INCOMPLETE or N/A, perform the normal judgment procedure again.

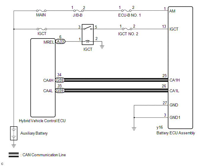
WIRING DIAGRAM

CAUTION / NOTICE / HINT

CAUTION:

  • Before the following operations are conducted, take precautions to prevent electric shock by turning the power switch off, wearing insulated gloves, and removing the service plug grip from HV battery.
    • Inspecting the high-voltage system
    • Disconnecting the low voltage connector of the inverter with converter assembly
    • Disconnecting the low voltage connector of the HV battery
  • To prevent electric shock, make sure to remove the service plug grip to cut off the high voltage circuit before servicing the vehicle.
  • After removing the service plug grip from the HV battery, put it in your pocket to prevent other technicians from accidentally reconnecting it while you are working on the high-voltage system.
  • After removing the service plug grip, wait for at least 10 minutes before touching any of the high-voltage connectors or terminals. After waiting for 10 minutes, check the voltage at the terminals in the inspection point in the inverter with converter assembly. The voltage should be 0 V before beginning work.

    Click here

    HINT:

    Waiting for at least 10 minutes is required to discharge the high-voltage capacitor inside the inverter with converter assembly.

    *a

    Without waiting for 10 minutes

NOTICE:

  • After turning the power switch off, waiting time may be required before disconnecting the cable from the negative (-) auxiliary battery terminal. Therefore, make sure to read the disconnecting the cable from the negative (-) auxiliary battery terminal notices before proceeding with work.

    Click here

  • After removing the service plug grip, do not turn the power switch on (READY), unless instructed by the repair manual because this may cause a malfunction.
  • As interlock circuit DTCs or other DTCs may be stored when the power switch is turned on (IG) in the following procedure, make sure to clear the DTCs after inspection.

PROCEDURE

1.

CHECK DTC OUTPUT (HV BATTERY)

(a) Connect the Techstream to the DLC3.

(b) Turn the power switch on (IG).

(c) Enter the following menus: Powertrain / HV Battery / Trouble Codes.

(d) Check and record any hybrid control system DTCs and freeze frame data. Check for DTCs.

Powertrain > HV Battery > Trouble Codes

Result

Proceed to

DTCs related to Hybrid Battery System are not output.

A

DTCs related to Hybrid Battery System are output.

B

(e) Turn the power switch off.

B

GO TO DTC CHART (HYBRID BATTERY SYSTEM)

A

2.

CHECK BATTERY ECU ASSEMBLY (IGCT VOLTAGE)

CAUTION:

Be sure to wear insulated gloves.

(a) Check that the service plug grip is not installed.

NOTICE:

After removing the service plug grip, do not turn the power switch on (READY), unless instructed by the repair manual because this may cause a malfunction.

(b) Remove the No. 1 HV battery hose.

Click here

(c) Disconnect the y16 battery ECU assembly connector.

NOTICE:

Before disconnecting the connector, check that it is not loose or disconnected.

(d) Connect the cable to the negative (-) auxiliary battery terminal.

(e) Measure the voltage according to the value(s) in the table below.

Standard Voltage:

Tester Connection

Condition

Specified Condition

y16-1 (AM) - y16-27 (GND)

Power switch off

11 to 14 V

y16-13 (IGCT) - y16-27 (GND)

Power switch on (IG)

11 to 14 V

NOTICE:

  • Turning the power switch on (IG) with the service plug grip removed causes other DTCs to be stored. Clear the DTCs after performing this inspection.
  • If the power switch is turned on (IG) with the connectors disconnected, other DTCs will be stored. Be sure to clear the DTCs after the inspection.

HINT:

As there might be an intermittent malfunction in the battery ECU assembly power source circuit, inspect the following even if the measured voltage is as specified:

  • Installation condition of fuse(s) (before removing fuse(s)) (IGCT circuit)
  • Fuse condition (before and after removing fuse(s)) (IGCT circuit)
  • Connection condition of connectors (IGCT circuit)
  • Wire harness condition (IGCT circuit)
  • Wire harness condition (GND circuit)

*a

Front view of wire harness connector

(Battery ECU Assembly)

(f) Turn the power switch off.

(g) Disconnect the cable from the negative (-) auxiliary battery terminal.

(h) Reconnect the y16 battery ECU assembly connector.

(i) Install the No. 1 HV battery hose.

NG

REPAIR OR REPLACE HARNESS OR CONNECTOR (BATTERY ECU ASSEMBLY POWER SOURCE CIRCUIT)

OK

3.

CHECK HARNESS AND CONNECTOR (HYBRID VEHICLE CONTROL ECU - BATTERY ECU ASSEMBLY)

CAUTION:

Be sure to wear insulated gloves.

(a) Check that the service plug grip is not installed.

NOTICE:

After removing the service plug grip, do not turn the power switch on (READY), unless instructed by the repair manual because this may cause a malfunction.

(b) Disconnect the G59 hybrid vehicle control ECU connector.

NOTICE:

  • Before disconnecting the connector, check that it is not loose or disconnected.
  • Check that each connector between the hybrid vehicle control ECU and battery ECU assembly is not loose or disconnected.

(c) Remove the No. 1 HV battery hose.

Click here

(d) Disconnect the y16 battery ECU assembly connector.

NOTICE:

  • Before disconnecting the connector, check that it is not loose or disconnected.
  • Check the terminals of the connector for deformation and corrosion.

(e) Measure the resistance according to the value(s) in the table below.

Standard Resistance:

Tester Connection

Condition

Specified Condition

y16-25 (CA1H) - G59-34 (CA4H)

Power switch off

Below 1 Ω

y16-26 (CA1L) - G59-35 (CA4L)

Power switch off

Below 1 Ω

G59-34 (CA4H) - Other terminals and body ground

Power switch off

10 kΩ or higher

G59-35 (CA4L) - Other terminals and body ground

Power switch off

10 kΩ or higher

NOTICE:

Make sure that each connector between the battery ECU assembly and hybrid vehicle control ECU is not loose or disconnected and its terminals are not deformed or corroded.

*a

Front view of wire harness connector

(to Battery ECU Assembly)

*b

Rear view of wire harness connector

(to Hybrid Vehicle Control ECU)

(f) Connect the cable to the negative (-) auxiliary battery terminal.

(g) Turn the power switch on (IG).

(h) Measure the voltage according to the value(s) in the table below.

Standard Voltage:

Tester Connection

Condition

Specified Condition

y16-25 (CA1H) - Body ground

Power switch on (IG)

Below 1 V

y16-26 (CA1L) - Body ground

Power switch on (IG)

Below 1 V

NOTICE:

  • Turning the power switch on (IG) with the service plug grip removed causes other DTCs to be stored. Clear the DTCs after performing this inspection.
  • If the power switch is turned on (IG) with the connectors disconnected, other DTCs will be stored. Be sure to clear the DTCs after the inspection.

(i) Turn the power switch off.

(j) Disconnect the cable from the negative (-) auxiliary battery terminal.

(k) Reconnect the y16 battery ECU assembly connector.

(l) Install the No. 1 HV battery hose.

(m) Reconnect the G59 hybrid vehicle control ECU connector.

NG

REPAIR OR REPLACE HARNESS OR CONNECTOR

OK

4.

CHECK HYBRID VEHICLE CONTROL ECU

CAUTION:

Be sure to wear insulated gloves.

(a) Check that the service plug grip is not installed.

NOTICE:

After removing the service plug grip, do not turn the power switch on (READY), unless instructed by the repair manual because this may cause a malfunction.

(b) Remove the No. 1 HV battery hose.

Click here

(c) Disconnect the y16 battery ECU assembly connector.

NOTICE:

Before disconnecting the connector, check that it is not loose or disconnected.

(d) Connect the cable to the negative (-) auxiliary battery terminal.

(e) Turn the power switch on (IG).

(f) Measure the voltage according to the value(s) in the table below.

Standard Voltage:

Tester Connection

Condition

Specified Condition

y16-25 (CA1H) - y16-27 (GND)

Power switch on (IG)

2.5 to 3.5 V

y16-26 (CA1L) - y16-27 (GND)

Power switch on (IG)

1.5 to 2.5 V

NOTICE:

  • Turning the power switch on (IG) with the service plug grip removed causes other DTCs to be stored. Clear the DTCs after performing this inspection.
  • If the power switch is turned on (IG) with the connectors disconnected, other DTCs will be stored. Be sure to clear the DTCs after the inspection.

*a

Front view of wire harness connector

(to Battery ECU Assembly)

(g) Turn the power switch off.

(h) Disconnect the cable from the negative (-) auxiliary battery terminal.

(i) Measure the resistance according to the value(s) in the table below.

Standard Resistance:

Tester Connection

Condition

Specified Condition

y16-25 (CA1H) - y16-26 (CA1L)

Power switch off

108 to 132 Ω

(j) Reconnect the y16 battery ECU assembly connector.

(k) Install the No. 1 HV battery protector.

OK

REPLACE BATTERY ECU ASSEMBLY

NG

REPLACE HYBRID VEHICLE CONTROL ECU

READ NEXT:

 HVAC Control Module to Hybrid Powertrain Control Module Invalid Serial Data Received (U042481)

DESCRIPTION If the hybrid vehicle control ECU receives an invalid compressor control request from the air conditioning amplifier assembly via CAN communication, it will store this DTC. DTC No. De

 Brake Override System

DESCRIPTION When the vehicle is being driven with the accelerator pedal depressed, depressing the brake pedal without releasing the accelerator pedal will activate the brake override system to restric

 Transmission Control Switch Circuit

DESCRIPTION When the shift lever is in S, different ranges can be chosen using the floor shift sequential gate. WIRING DIAGRAM Refer to the wiring diagram for the shift paddle switch circuit. Click he

SEE MORE:

 Brake Switch "A" Circuit Short to Ground (P057111)

DESCRIPTION The skid control ECU (brake actuator assembly) receives stop light switch assembly signals and uses them to determine whether or not the brakes are applied. When the brake pedal is depressed and no signal is received from the stop light switch assembly, this DTC is output. DTC No. D

 Brake System Control Module "A" Calibration / Parameter Memory Failure (C059746)

DESCRIPTION If the system information stored by the skid control ECU (brake actuator assembly) is corrupted, this DTC is output. DTC No. Detection Item DTC Detection Condition Trouble Area C059746 Brake System Control Module "A" Calibration / Parameter Memory Failure The skid contro

© 2016-2025 Copyright www.lexguide.net