Lexus ES manuals

Lexus ES: Left Front Wheel Speed Sensor Circuit Short to Battery (C050012)

DESCRIPTION

Each speed sensor detects wheel speed and sends signals to the skid control ECU (brake actuator assembly). These signals are used by the ABS control.

The speed sensor detects the magnetic fields of the speed sensor rotor as it rotates and outputs a pulse signal.

The frequency of the pulse varies in accordance with the rotational speed of the speed sensor rotor and the system uses this to determine the wheel speed.

HINT:

The following example shows a pulse signal that is output when the wire harness connectors are connected to the speed sensors and skid control ECU (brake actuator assembly).

DTC No.

Detection Item

DTC Detection Condition

Trouble Area

C050012

Left Front Wheel Speed Sensor Circuit Short to Battery

A short to +B in the speed sensor signal circuit is detected for 0.12 seconds or more.

  • Front speed sensor LH
  • Wire harness or connector
  • Skid control sensor wire with suspension control LH*
  • Skid control ECU (brake actuator assembly)

*: w/ AVS

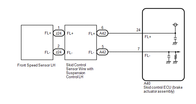
WIRING DIAGRAM

w/o AVS w/ AVS

CAUTION / NOTICE / HINT

NOTICE:

  • After replacing the skid control ECU (brake actuator assembly), perform acceleration sensor zero point calibration and store system information memorization.

    Click here

  • After replacing or removing and installing a speed sensor, perform Dealer Mode (Signal Check) inspection to confirm that the speed sensors are operating correctly.

    Click here

PROCEDURE

1.

CHECK VEHICLE

(a) Check if the vehicle is equipped with AVS.

Result

Proceed to

w/o AVS

A

w/ AVS

B

B

GO TO STEP 5

A

2.

CHECK HARNESS AND CONNECTOR (SENSOR GROUND CIRCUIT)

(a) Make sure that there is no looseness at the locking part and the connecting part of the connectors.

OK:

The connector is securely connected.

*a

Front view of wire harness connector

(to Front Speed Sensor LH)

(b) Disconnect the A48 front speed sensor LH connector.

(c) Check both the connector case and the terminals for deformation and corrosion.

OK:

No deformation or corrosion.

(d) Turn the engine switch on (IG).

(e) Measure the voltage according to the value(s) in the table below.

Standard Voltage:

Tester Connection

Condition

Specified Condition

A48-1 (FL+) - A48-2 (FL-)

Engine switch on (IG)

11 to 14 V

OK

REPLACE FRONT SPEED SENSOR LH

NG

3.

CHECK HARNESS AND CONNECTOR (FRONT SPEED SENSOR LH - BRAKE ACTUATOR ASSEMBLY)

(a) Make sure that there is no looseness at the locking part and the connecting part of the connectors.

OK:

The connector is securely connected.

*a

Front view of wire harness connector

(to Front Speed Sensor LH)

(b) Disconnect the A40 skid control ECU (brake actuator assembly) connector.

(c) Disconnect the A48 front speed sensor LH connector.

(d) Check both the connector case and the terminals for deformation and corrosion.

OK:

No deformation or corrosion.

(e) Measure the voltage according to the value(s) in the table below.

Standard Voltage:

Tester Connection

Condition

Specified Condition

A48-2 (FL-) - Body ground

Always

Below 1.5 V

NG

REPAIR OR REPLACE HARNESS OR CONNECTOR

OK

4.

CHECK HARNESS AND CONNECTOR (FRONT SPEED SENSOR LH - BRAKE ACTUATOR ASSEMBLY)

(a) Make sure that there is no looseness at the locking part and the connecting part of the connectors.

OK:

The connector is securely connected.

(b) Disconnect the A40 skid control ECU (brake actuator assembly) connector.

(c) Disconnect the A48 front speed sensor LH connector.

(d) Check both the connector case and the terminals for deformation and corrosion.

OK:

No deformation or corrosion.

(e) Measure the resistance according to the value(s) in the table below.

Standard Resistance:

Tester Connection

Condition

Specified Condition

A48-1 (FL+) or A40-24 (FL+) - A48-2 (FL-) or A40-7 (FL-)

Always

10 kΩ or higher

OK

REPLACE BRAKE ACTUATOR ASSEMBLY

NG

REPAIR OR REPLACE HARNESS OR CONNECTOR

5.

CHECK HARNESS AND CONNECTOR (SENSOR GROUND CIRCUIT)

(a) Make sure that there is no looseness at the locking part and the connecting part of the connectors.

OK:

The connector is securely connected.

*a

Front view of skid control sensor wire with suspension control LH

(to Front Speed Sensor LH)

(b) Disconnect the z24 front speed sensor LH connector.

(c) Check both the connector case and the terminals for deformation and corrosion.

OK:

No deformation or corrosion.

(d) Turn the engine switch on (IG).

(e) Measure the voltage according to the value(s) in the table below.

Standard Voltage:

Tester Connection

Condition

Specified Condition

z24-1 (FL+) - z24-2 (FL-)

Engine switch on (IG)

11 to 14 V

OK

REPLACE FRONT SPEED SENSOR LH

NG

6.

CHECK HARNESS AND CONNECTOR (SENSOR GROUND CIRCUIT)

(a) Make sure that there is no looseness at the locking part and the connecting part of the connectors.

OK:

The connector is securely connected.

*a

Front view of wire harness connector

(to Skid Control Sensor Wire with Suspension Control LH)

(b) Disconnect the A42 skid control sensor wire with suspension control LH connector.

(c) Check both the connector case and the terminals for deformation and corrosion.

OK:

No deformation or corrosion.

(d) Turn the engine switch on (IG).

(e) Measure the voltage according to the value(s) in the table below.

Standard Voltage:

Tester Connection

Condition

Specified Condition

A42-6 (FL+) - A42-5 (FL-)

Engine switch on (IG)

11 to 14 V

OK

REPLACE SKID CONTROL SENSOR WIRE WITH SUSPENSION CONTROL LH

NG

7.

CHECK HARNESS AND CONNECTOR (SKID CONTROL SENSOR WIRE WITH SUSPENSION CONTROL LH - BRAKE ACTUATOR ASSEMBLY)

(a) Make sure that there is no looseness at the locking part and the connecting part of the connectors.

OK:

The connector is securely connected.

*a

Front view of wire harness connector

(to Skid Control Sensor Wire with Suspension Control LH)

(b) Disconnect the A40 skid control ECU (brake actuator assembly) connector.

(c) Disconnect the A42 skid control sensor wire with suspension control LH connector.

(d) Check both the connector case and the terminals for deformation and corrosion.

OK:

No deformation or corrosion.

(e) Measure the voltage according to the value(s) in the table below.

Standard Voltage:

Tester Connection

Condition

Specified Condition

A42-5 (FL-) - Body ground

Always

Below 1.5 V

NG

REPAIR OR REPLACE HARNESS OR CONNECTOR

OK

8.

CHECK HARNESS AND CONNECTOR (SKID CONTROL SENSOR WIRE WITH SUSPENSION CONTROL LH - BRAKE ACTUATOR ASSEMBLY)

(a) Make sure that there is no looseness at the locking part and the connecting part of the connectors.

OK:

The connector is securely connected.

(b) Disconnect the A40 skid control ECU (brake actuator assembly) connector.

(c) Disconnect the A42 skid control sensor wire with suspension control LH connector.

(d) Check both the connector case and the terminals for deformation and corrosion.

OK:

No deformation or corrosion.

(e) Measure the resistance according to the value(s) in the table below.

Standard Resistance:

Tester Connection

Condition

Specified Condition

A42-6 (FL+) or A40-24 (FL+) - A42-5 (FL-) or A40-7 (FL-)

Always

10 kΩ or higher

OK

REPLACE BRAKE ACTUATOR ASSEMBLY

NG

REPAIR OR REPLACE HARNESS OR CONNECTOR

READ NEXT:

 Left Front Wheel Speed Sensor Circuit Short to Ground or Open (C050014)

DESCRIPTION Refer to DTC C050012 Click here DTC No. Detection Item DTC Detection Condition Trouble Area C050014 Left Front Wheel Speed Sensor Circuit Short to Ground or Open A short

 Left Front Wheel Speed Sensor Signal Stuck Low (C050023)

DESCRIPTION Refer to DTC C050012 Click here DTC No. Detection Item DTC Detection Condition Trouble Area C050023 Left Front Wheel Speed Sensor Signal Stuck Low When the vehicle is

 Left Front Wheel Speed Sensor Signal Stuck High (C050024)

DESCRIPTION Refer to DTC C050012 Click here DTC No. Detection Item DTC Detection Condition Trouble Area C050024 Left Front Wheel Speed Sensor Signal Stuck High The speed sensor sign

SEE MORE:

 CD cannot be Ejected

CAUTION / NOTICE / HINT NOTICE: Depending on the parts that are replaced during vehicle inspection or maintenance, performing initialization, registration or calibration may be needed. Refer to Precaution for Audio and Visual System. Click here When replacing the radio receiver assembly, alw

 Motor Electronics Coolant Pump "A" Component Internal Failure (P0C7396)

DTC SUMMARY MALFUNCTION DESCRIPTION This DTC is stored when the inverter water pump assembly is malfunctioning. The cause of this malfunction may be one of the following: Inverter water pump assembly malfunction Inverter water pump assembly internal malfunction Open or short in wire harness I

© 2016-2026 Copyright www.lexguide.net