Lexus ES: Installation
INSTALLATION
PROCEDURE
1. INSTALL FUEL PIPE PLUG SUB-ASSEMBLY
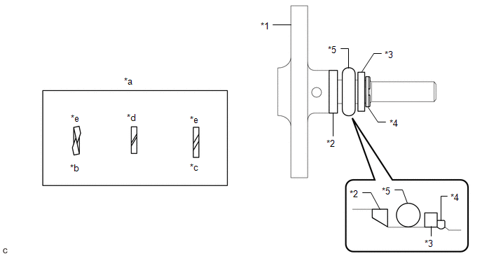
(a) Install a new O-ring, No. 1 fuel injector back-up ring, No. 2 fuel injector back-up ring and No. 3 fuel injector back-up ring to the fuel pipe plug sub-assembly as shown in the illustration.
| *1 | Fuel Pipe Plug Sub-assembly | *2 | No. 1 Fuel Injector Back-up Ring |
| *3 | No. 2 Fuel Injector Back-up Ring | *4 | No. 3 Fuel Injector Back-up Ring |
| *5 | O-ring | - | - |
| *a | Opening | *b | Overlapped |
| *c | Stretched | *d | Correct |
| *e | Incorrect | - | - |
NOTICE:
-
Check that there is no foreign matter or damage on the O-ring groove of the fuel pipe plug sub-assembly.
-
Check that the No. 1 fuel injector back-up ring and No. 3 fuel injector back-up ring are installed in the correct orientation.
-
Make sure that the No. 1 fuel injector back-up ring, No. 2 fuel injector back-up ring, No. 3 fuel injector back-up ring and O-ring are installed in the correct order.
-
Check that the opening of the No. 1 fuel injector back-up ring is not overlapped or stretched as shown in the illustration.
-
After installing the O-ring, check that it is not contaminated with foreign matter and is not damaged.
(b) w/ Dust Cap:
(1) Install the dust cap sub-assembly to the fuel pipe plug sub-assembly.
| (c) Install a new gasket to the fuel pipe plug sub-assembly as shown in the illustration. | |
(d) Secure the fuel delivery pipe with sensor assembly LH in a vise between aluminum plates.
NOTICE:
Do not overtighten the vise.
(e) Using a 5 mm hexagon socket wrench, install the fuel pipe plug sub-assembly to the fuel delivery pipe with sensor assembly LH with the 2 bolts.
Torque:
10 N·m {102 kgf·cm, 7 ft·lbf}
(f) Remove the fuel delivery pipe with sensor assembly LH from the vise.
2. INSTALL FUEL PRESSURE SENSOR (FUEL DELIVERY PIPE WITH SENSOR ASSEMBLY LH)
HINT:
Perform "Inspection After Repair" after replacing the fuel pressure sensor (fuel delivery pipe with sensor assembly LH).
Click here
Click here
NOTICE:
-
Do not remove the fuel pressure sensor from the fuel delivery pipe with sensor assembly LH.
-
If the fuel pressure sensor is removed, replace the fuel pressure sensor (fuel delivery pipe with sensor assembly LH) with a new one.
3. PERFORM INITIALIZATION
(a) Perform "Inspection After Repair" after replacing the fuel pressure sensor (fuel delivery pipe with sensor assembly LH).
Click here
READ NEXT:
COMPONENTS ILLUSTRATION *1 REAR SEAT INNER BELT ASSEMBLY LH *2 REAR CENTER SEAT LAP TYPE BELT ASSEMBLY *3 WASHER *4 REAR SEAT CUSHION ASSEMBLY *5 REAR SEAT CUSHION LOCK HOOK
REMOVAL CAUTION / NOTICE / HINT The necessary procedures (adjustment, calibration, initialization or registration) that must be performed after parts are removed and installed, or replaced during fuel
SEE MORE:
DESCRIPTION This DTC is stored when the clearance warning ECU assembly receives a wheel speed sensor (front speed sensor RH or front speed sensor LH, rear speed sensor RH or rear speed sensor LH) abnormality signal from the electronically controlled brake system via CAN communication. DTC No. D
DATA LIST / ACTIVE TEST DATA LIST NOTICE: In the table below, the values listed under "Normal Condition" are reference values. Do not depend solely on these reference values when deciding whether a part is faulty or not. HINT: Using the Techstream to read the Data List allows the values or states of
© 2016-2025 Copyright www.lexguide.net
