Lexus ES: Image from Camera for Parking Assist Monitor is Abnormal
DESCRIPTION
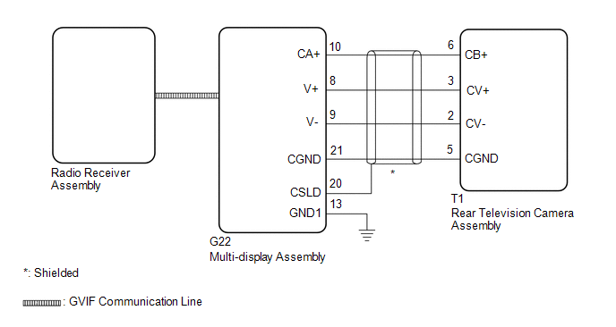
The video signal from the rear television camera assembly is transmitted to the multi-display assembly.
WIRING DIAGRAM
CAUTION / NOTICE / HINT
NOTICE:
-
If the cable was disconnected from and reconnected to the negative (-) battery terminal, the estimated course lines may not be displayed on the image of the area behind the vehicle. In this case, perform "Correct the Steering Angle Neutral Point".
Click here
-
Depending on the parts that are replaced or operations that are performed during vehicle inspection or maintenance, calibration of other systems as well as the parking assist monitor system may be needed.
Click here
HINT:
Images may be unclear even in normal conditions if:
-
Electrical devices are used in the cabin (noise may occur in the image).
-
Accessories that generate radio waves have been installed (noise may occur in the image).
-
The outer mirror switch assembly is operated (noise may occur in the image).
-
The multi-display is cold (the image immediately after turning the engine switch on (IG) may be blurred or darker than normal).
-
The camera lens is dirty with snow, mud, etc.
-
A strong beam of light, such as a sunbeam or headlight, hits the camera.
-
It is too dark around the camera (at night, etc.).
-
The ambient temperature around the camera is either too high or too low.
-
The vehicle is tilted at a steep angle.
-
The rear television camera assembly lens is scratched.
-
The rear television camera assembly lens has drops of water on it or the humidity is high.
-
When the camera is used under fluorescent lights, sodium lights, mercury lights, etc., the lights and the illuminated area may appear to flicker.
PROCEDURE
| 1. | CHECK HARNESS AND CONNECTOR (REAR TELEVISION CAMERA ASSEMBLY - MULTI-DISPLAY ASSEMBLY) |
Click here
| NG | | REPAIR OR REPLACE HARNESS OR CONNECTOR |
|
OK | | |
| 2. | REPLACE REAR TELEVISION CAMERA ASSEMBLY |
(a) Replace the rear television camera assembly with a new or known good one.
Click here
(b) Check that the parking assist monitor system operates normally.
OK:
Parking assist monitor system operates normally.
| OK | | END |
READ NEXT:
INITIALIZATION INITIALIZE PARKING ASSIST MONITOR SYSTEM (a) When "!" mark is displayed on the image of the area behind the vehicle, perform the following procedure to correct the steering angle neutra
PARTS LOCATION ILLUSTRATION *1 ECM *2 REAR TELEVISION CAMERA ASSEMBLY *3 BLIND SPOT MONITOR SENSOR RH (w/ Blind Spot Monitor System) *4 BLIND SPOT MONITOR SENSOR LH (w/ Blind Spot
PRECAUTION PRECAUTION FOR DISCONNECTING CABLE FROM NEGATIVE BATTERY TERMINAL NOTICE: When disconnecting the cable from the negative (-) battery terminal, initialize the following systems after the cab
SEE MORE:
PROBLEM SYMPTOMS TABLE HINT: Use the table below to help determine the cause of problem symptoms. If multiple suspected areas are listed, the potential causes of the symptoms are listed in order of probability in the "Suspected Area" column of the table. Check each symptom by checking the suspected
DESCRIPTION The millimeter wave radar sensor assembly communicates with the forward recognition camera via CAN communication. If a communication error is detected between the forward recognition camera and millimeter wave radar sensor assembly, the millimeter wave radar sensor assembly stores this D
© 2016-2025 Copyright www.lexguide.net
