Lexus ES manuals

Lexus ES: Ignition Coil "A" Circuit Open (P035113-P035613)

Lexus ES (XZ10) Service Manual / Engine & Hybrid System / 2gr-fks (engine Control) / Sfi System / Ignition Coil "A" Circuit Open (P035113-P035613)

DESCRIPTION

HINT:

  • These DTCs indicate malfunctions relating to the primary circuit.
  • If DTC P035113 is output, check the No. 1 ignition coil assembly circuit.
  • If DTC P035213 is output, check the No. 2 ignition coil assembly circuit.
  • If DTC P035313 is output, check the No. 3 ignition coil assembly circuit.
  • If DTC P035413 is output, check the No. 4 ignition coil assembly circuit.
  • If DTC P035513 is output, check the No. 5 ignition coil assembly circuit.
  • If DTC P035613 is output, check the No. 6 ignition coil assembly circuit.

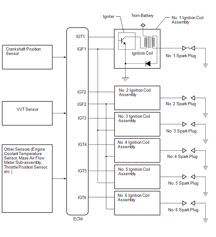
A Direct Ignition System (DIS) is used on this vehicle.

The DIS is a 1-cylinder ignition system in which each cylinder is ignited by one ignition coil assembly and one spark plug is connected to the end of each secondary wiring. A powerful voltage, generated in the secondary wiring, is applied directly to each spark plug. The spark of the spark plugs passes from the center electrode to the ground electrodes.

The ECM determines the ignition timing and transmits the ignition (IGT) signals to each cylinder. Using the IGT signal, the ECM turns the power transistor inside the igniter on and off. The power transistor, in turn, switches the current supplied to the primary coil on and off. When the current to the primary coil is cut off, a powerful voltage is generated in the secondary coil. This voltage is applied to the spark plugs, causing them to spark inside the cylinders. As the ECM cuts the current to the primary coil, the igniter sends back an ignition confirmation (IGF) signal to the ECM for each cylinder ignition.

DTC No.

Detection Item

DTC Detection Condition

Trouble Area

MIL

Memory

Note

P035113

Ignition Coil "A" Circuit Open

No IGF signal to the ECM while the engine is running (1 trip detection logic).

  • Ignition system
  • Open or short in IGF1 or IGT1 circuit between ignition coil assembly and ECM
  • No. 1 ignition coil assembly
  • ECM

Comes on

DTC stored

SAE Code: P0351

P035213

Ignition Coil "B" Circuit Open

No IGF signal to the ECM while the engine is running (1 trip detection logic).

  • Ignition system
  • Open or short in IGF2 or IGT2 circuit between ignition coil assembly and ECM
  • No. 2 ignition coil assembly
  • ECM

Comes on

DTC stored

SAE Code: P0352

P035313

Ignition Coil "C" Circuit Open

No IGF signal to the ECM while the engine is running (1 trip detection logic).

  • Ignition system
  • Open or short in IGF1 or IGT3 circuit between ignition coil assembly and ECM
  • No. 3 ignition coil assembly
  • ECM

Comes on

DTC stored

SAE Code: P0353

P035413

Ignition Coil "D" Circuit Open

No IGF signal to the ECM while the engine is running (1 trip detection logic).

  • Ignition system
  • Open or short in IGF2 or IGT4 circuit between ignition coil assembly and ECM
  • No. 4 ignition coil assembly
  • ECM

Comes on

DTC stored

SAE Code: P0354

P035513

Ignition Coil "E" Circuit Open

No IGF signal to the ECM while the engine is running (1 trip detection logic).

  • Ignition system
  • Open or short in IGF1 or IGT5 circuit between ignition coil assembly and ECM
  • No. 5 ignition coil assembly
  • ECM

Comes on

DTC stored

SAE Code: P0355

P035613

Ignition Coil "F" Circuit Open

No IGF signal to the ECM while the engine is running (1 trip detection logic).

  • Ignition system
  • Open or short in IGF2 or IGT6 circuit between ignition coil assembly and ECM
  • No. 6 ignition coil assembly
  • ECM

Comes on

DTC stored

SAE Code: P0356

  • Reference: Inspection using an oscilloscope.

    HINT:

    • The correct waveform is as shown.
    • While idling the engine, check the waveform between terminals IGT (1 to 6) and E1, and IGF (1 or 2) and E1 of the ECM connector.

    ECM Terminal Name

    CH1: Between IGT (1 to 6) and E1

    CH2: Between IGF (1 or 2) and E1

    Tester Range

    2 V/DIV., 20 ms./DIV.

    Condition

    Idling with warm engine

MONITOR DESCRIPTION

If the ECM does not receive any IGF signals despite transmitting the IGT signal, it interprets this as a fault in the igniter and stores a DTC.

MONITOR STRATEGY

Related DTCs

P0351: Ignition coil (cylinder 1) primary control circuit/open

P0352: Ignition coil (cylinder 2) primary control circuit/open

P0353: Ignition coil (cylinder 3) primary control circuit/open

P0354: Ignition coil (cylinder 4) primary control circuit/open

P0355: Ignition coil (cylinder 5) primary control circuit/open

P0356: Ignition coil (cylinder 6) primary control circuit/open

Required Sensors/Components (Main)

Igniter

Required Sensors/Components (Related)

Crankshaft position sensor

Frequency of Operation

Continuous

Duration

6 times

MIL Operation

Immediate

Sequence of Operation

None

TYPICAL ENABLING CONDITIONS

Monitor runs whenever the following DTCs are not stored

None

All of the following conditions are met

-

Spark cut

Not operating

Either of the following conditions is met

A or B

A. Engine speed

1500 rpm or less

B. Starter

Off

Either of the following conditions is met

C or D

C. Both of the following conditions are met

-

Engine speed

500 rpm or less

Battery voltage

6 V or higher

D. All of the following conditions are met

-

Engine speed

Higher than 500 rpm

Battery voltage

10 V or higher

Number of sparks after CPU reset

5 sparks or more

TYPICAL MALFUNCTION THRESHOLDS

Confirmed ignition signal

No signal

CONFIRMATION DRIVING PATTERN

HINT:

  • After repair has been completed, clear the DTC and then check that the vehicle has returned to normal by performing the following All Readiness check procedure.

    Click here

  • When clearing the permanent DTCs, refer to the "CLEAR PERMANENT DTC" procedure.

    Click here

  1. Connect the Techstream to the DLC3.
  2. Turn the engine switch on (IG).
  3. Turn the Techstream on.
  4. Clear the DTCs (even if no DTCs are stored, perform the clear DTC procedure).
  5. Turn the engine switch off and wait for at least 30 seconds.
  6. Start the engine [A].
  7. Turn the Techstream on.
  8. Idle the engine for 10 seconds or more [B].
  9. Enter the following menus: Powertrain / Engine / Trouble Codes [C].
  10. Read the pending DTCs.

    HINT:

    • If a pending DTC is output, the system is malfunctioning.
    • If a pending DTC is not output, perform the following procedure.
  11. Enter the following menus: Powertrain / Engine / Utility / All Readiness.
  12. Input the DTC: P035113, P035213, P035313, P035413, P035513 or P035613.
  13. Check the DTC judgment result.

    Techstream Display

    Description

    NORMAL

    • DTC judgment completed
    • System normal

    ABNORMAL

    • DTC judgment completed
    • System abnormal

    INCOMPLETE

    • DTC judgment not completed
    • Perform driving pattern after confirming DTC enabling conditions

    HINT:

    • If the judgment result is NORMAL, the system is normal.
    • If the judgment result is ABNORMAL, the system is malfunctioning.
    • If the judgment result is INCOMPLETE, perform steps [B] through [C] again.
    • [A] to [C]: Normal judgment procedure.

      The normal judgment procedure is used to complete DTC judgment and also used when clearing permanent DTCs.

    • When clearing the permanent DTCs, do not disconnect the cable from the battery terminal or attempt to clear the DTCs during this procedure, as doing so will clear the universal trip and normal judgment histories.

WIRING DIAGRAM

CAUTION / NOTICE / HINT

NOTICE:

Inspect the fuses for circuits related to this system before performing the following procedure.

HINT:

Read freeze frame data using the Techstream. The ECM records vehicle and driving condition information as freeze frame data the moment a DTC is stored. When troubleshooting, freeze frame data can help determine if the vehicle was moving or stationary, if the engine was warmed up or not, if the air fuel ratio was lean or rich, and other data from the time the malfunction occurred.

PROCEDURE

1.

CLEAR DTC

(a) Connect the Techstream to the DLC3.

(b) Turn the engine switch on (IG).

(c) Turn the Techstream on.

(d) Clear the DTC.

Powertrain > Engine > Clear DTCs

(e) Turn the engine switch off and wait for at least 30 seconds.

NEXT

2.

CHECK WHETHER DTC OUTPUT RECURS (DTC P035113, P035213, P035313, P035413, P035513 OR P035613)

(a) Shuffle the arrangement of the ignition coil assemblies (among No. 1 to No. 6 cylinders).

NOTICE:

Do not change the location of the connectors.

(b) Drive the vehicle in accordance with the driving pattern described in Confirmation Driving Pattern.

(c) Enter the following menus: Powertrain / Engine / Trouble Codes.

(d) Read the DTCs.

Powertrain > Engine > Trouble Codes

Result

Proceed to

Same DTC output

A

Different ignition coil DTC output

B

HINT:

Perform "Inspection After Repair" after replacing the ignition coil assembly.

Click here

B

REPLACE IGNITION COIL ASSEMBLY

A

3.

CHECK TERMINAL VOLTAGE (POWER SOURCE OF IGNITION COIL ASSEMBLY)

*a

Front view of wire harness connector

(to Ignition Coil Assembly)

(a) Disconnect the ignition coil assembly connector.

(b) Turn the engine switch on (IG).

(c) Measure the voltage according to the value(s) in the table below.

Standard Voltage:

Tester Connection

Condition

Specified Condition

C1-1 (+B) - Body ground

Engine switch on (IG)

11 to 14 V

C2-1 (+B) - Body ground

Engine switch on (IG)

11 to 14 V

C3-1 (+B) - Body ground

Engine switch on (IG)

11 to 14 V

C4-1 (+B) - Body ground

Engine switch on (IG)

11 to 14 V

C5-1 (+B) - Body ground

Engine switch on (IG)

11 to 14 V

C6-1 (+B) - Body ground

Engine switch on (IG)

11 to 14 V

NG

GO TO STEP 6

OK

4.

CHECK HARNESS AND CONNECTOR (IGNITION COIL ASSEMBLY - BODY GROUND)

(a) Disconnect the ignition coil assembly connector.

(b) Measure the resistance according to the value(s) in the table below.

Standard Resistance:

Tester Connection

Condition

Specified Condition

C1-4 (GND) - Body ground

Always

Below 1 Ω

C2-4 (GND) - Body ground

Always

Below 1 Ω

C3-4 (GND) - Body ground

Always

Below 1 Ω

C4-4 (GND) - Body ground

Always

Below 1 Ω

C5-4 (GND) - Body ground

Always

Below 1 Ω

C6-4 (GND) - Body ground

Always

Below 1 Ω

NG

REPAIR OR REPLACE HARNESS OR CONNECTOR

OK

5.

CHECK HARNESS AND CONNECTOR (IGNITION COIL ASSEMBLY - ECM)

(a) Disconnect the ignition coil assembly connector.

(b) Disconnect the ECM connector.

(c) Measure the resistance according to the value(s) in the table below.

Standard Resistance:

Tester Connection

Condition

Specified Condition

C1-2 (IGF1) - C32-112 (IGF1)

Always

Below 1 Ω

C2-2 (IGF2) - C32-80 (IGF2)

Always

Below 1 Ω

C3-2 (IGF1) - C32-112 (IGF1)

Always

Below 1 Ω

C4-2 (IGF2) - C32-80 (IGF2)

Always

Below 1 Ω

C5-2 (IGF1) - C32-112 (IGF1)

Always

Below 1 Ω

C6-2 (IGF2) - C32-80 (IGF2)

Always

Below 1 Ω

C1-3 (IGT1) - C32-71 (IGT1)

Always

Below 1 Ω

C2-3 (IGT2) - C32-36 (IGT2)

Always

Below 1 Ω

C3-3 (IGT3) - C32-70 (IGT3)

Always

Below 1 Ω

C4-3 (IGT4) - C32-35 (IGT4)

Always

Below 1 Ω

C5-3 (IGT5) - C32-69 (IGT5)

Always

Below 1 Ω

C6-3 (IGT6) - C32-34 (IGT6)

Always

Below 1 Ω

C1-2 (IGF1) or C32-112 (IGF1) - Body ground and other terminals

Always

10 kΩ or higher

C2-2 (IGF2) or C32-80 (IGF2) - Body ground and other terminals

Always

10 kΩ or higher

C3-2 (IGF1) or C32-112 (IGF1) - Body ground and other terminals

Always

10 kΩ or higher

C4-2 (IGF2) or C32-80 (IGF2) - Body ground and other terminals

Always

10 kΩ or higher

C5-2 (IGF1) or C32-112 (IGF1) - Body ground and other terminals

Always

10 kΩ or higher

C6-2 (IGF2) or C32-80 (IGF2) - Body ground and other terminals

Always

10 kΩ or higher

C1-3 (IGT1) or C32-71 (IGT1) - Body ground and other terminals

Always

10 kΩ or higher

C2-3 (IGT2) or C32-36 (IGT2) - Body ground and other terminals

Always

10 kΩ or higher

C3-3 (IGT3) or C32-70 (IGT3) - Body ground and other terminals

Always

10 kΩ or higher

C4-3 (IGT4) or C32-35 (IGT4) - Body ground and other terminals

Always

10 kΩ or higher

C5-3 (IGT5) or C32-69 (IGT5) - Body ground and other terminals

Always

10 kΩ or higher

C6-3 (IGT6) or C32-34 (IGT6) - Body ground and other terminals

Always

10 kΩ or higher

OK

REPLACE ECM

NG

REPAIR OR REPLACE HARNESS OR CONNECTOR

6.

CHECK HARNESS AND CONNECTOR (IG2 NO. 1 RELAY - IGNITION COIL ASSEMBLY)

(a) Remove the IG2 NO. 1 relay from the No. 1 engine room relay block and No. 1 junction block assembly.

(b) Disconnect the ignition coil assembly connector.

(c) Measure the resistance according to the value(s) in the table below.

Standard Resistance:

Tester Connection

Condition

Specified Condition

3 (IG2 NO. 1 relay) - C1-1 (+B)

Always

Below 1 Ω

3 (IG2 NO. 1 relay) - C2-1 (+B)

Always

Below 1 Ω

3 (IG2 NO. 1 relay) - C3-1 (+B)

Always

Below 1 Ω

3 (IG2 NO. 1 relay) - C4-1 (+B)

Always

Below 1 Ω

3 (IG2 NO. 1 relay) - C5-1 (+B)

Always

Below 1 Ω

3 (IG2 NO. 1 relay) - C6-1 (+B)

Always

Below 1 Ω

3 (IG2 NO. 1 relay) or C1-1 (+B) - Body ground and other terminals

Always

10 kΩ or higher

3 (IG2 NO. 1 relay) or C2-1 (+B) - Body ground and other terminals

Always

10 kΩ or higher

3 (IG2 NO. 1 relay) or C3-1 (+B) - Body ground and other terminals

Always

10 kΩ or higher

3 (IG2 NO. 1 relay) or C4-1 (+B) - Body ground and other terminals

Always

10 kΩ or higher

3 (IG2 NO. 1 relay) or C5-1 (+B) - Body ground and other terminals

Always

10 kΩ or higher

3 (IG2 NO. 1 relay) or C6-1 (+B) - Body ground and other terminals

Always

10 kΩ or higher

OK

GO TO ECM POWER SOURCE CIRCUIT

NG

REPAIR OR REPLACE HARNESS OR CONNECTOR (IG2 NO. 1 RELAY - IGNITION COIL ASSEMBLY)

READ NEXT:

 Camshaft Position Sensor "B" Bank 1 Circuit Short to Ground (P036511,P036515,P039011,P039015)

DESCRIPTION The VVT sensor (for exhaust camshaft) (EV1, EV2 signal) consists of a magnet and MRE (Magneto Resistance Element). The exhaust camshaft has a timing rotor for the VVT sensor. When the exha

 Camshaft Position Sensor "B" Bank 1 Signal Stuck in Range (P03652A,P036531,P039031)

DESCRIPTION Refer to DTC P036511. Click here DTC No. Detection Item DTC Detection Condition Trouble Area MIL Memory Note P03652A Camshaft Position Sensor "B" Bank 1 Signal Stuck

 Catalyst System Efficiency Below Threshold Bank 1 (P042000,P043000)

MONITOR DESCRIPTION The ECM uses sensors mounted in front of and behind the Three-Way Catalytic Converter (TWC) to monitor its efficiency. The first sensor, the air fuel ratio sensor, sends pre-cataly

SEE MORE:

 Open in One Side of Bus 1 Branch Line

DESCRIPTION When the CAN bus main lines are normal (no open, short to ground, short to +B or short between lines) and there is an ECU or sensor on the "Communication Bus Check" screen that is indicated as not communicating or whose connection status on the "Communication Bus Check" screen changes in

 Camshaft Position Sensor "A" Bank 1 or Single Sensor Circuit Short to Ground (P034011,P034015)

DESCRIPTION The camshaft position sensor (for intake camshaft) (VV1 signal) consists of a magnet and MRE (Magneto Resistance Element). The intake camshaft has a timing rotor for the camshaft position sensor. When the intake camshaft rotates, changes occur in the air gaps between the timing rotor and

© 2016-2025 Copyright www.lexguide.net