Lexus ES manuals

Lexus ES: Headlight Beam Level Control Motor LH Lost Communication (B2424,B2425)

Lexus ES (XZ10) Service Manual / Vehicle Exterior / Lighting (ext) / Lighting System (for Hv Model) / Headlight Beam Level Control Motor LH Lost Communication (B2424,B2425)

DESCRIPTION

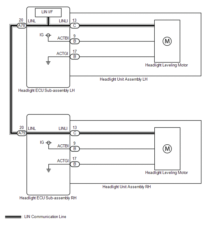
Each headlight ECU sub-assembly and headlight leveling motor communicate via LIN communication.

The headlight leveling motor operates according to power supplied and automatic headlight beam level control signals from its respective headlight ECU sub-assembly and sends its operating state to the headlight ECU sub-assembly.

DTC No.

Detection Item

DTC Detection Condition

Trouble Area

DTC Output from

B2424

Headlight Beam Level Control Motor LH Lost Communication

  • The power switch is on (IG).
  • LIN communication error
  • 10 seconds or more
  • Headlight unit assembly LH
  • Headlight unit assembly RH
  • Harness or connector
  • Headlight ECU sub-assembly LH
  • Headlight ECU sub-assembly RH

AFS

B2425

Headlight Beam Level Control Motor RH Lost Communication

  • The power switch is on (IG).
  • LIN communication error
  • 10 seconds or more
  • Headlight unit assembly RH
  • Headlight unit assembly LH
  • Harness or connector
  • Headlight ECU sub-assembly RH
  • Headlight ECU sub-assembly LH

AFS

WIRING DIAGRAM

CAUTION / NOTICE / HINT

NOTICE:

  • If the headlight ECU sub-assembly LH has been replaced, it is necessary to synchronize the vehicle information and initialize the headlight ECU sub-assembly LH.

    Click here

  • When replacing the headlight ECU sub-assembly LH, always replace it with a new one. If a headlight ECU sub-assembly LH which was installed to another vehicle is used, the information stored in it will not match the information from the vehicle and a DTC may be stored.

PROCEDURE

1.

CLEAR DTC

(a) Connect the Techstream to the DLC3.

(b) Turn the power switch on (IG).

(c) Turn the Techstream on.

(d) Enter the following menus: Body Electrical / AFS / Trouble Codes.

(e) Clear the DTCs.

Body Electrical > AFS > Clear DTCs
NEXT

2.

CHECK FOR DTC

(a) Connect the Techstream to the DLC3.

(b) Turn the power switch on (IG).

(c) Wait 10 seconds or more.

(d) Turn the Techstream on.

(e) Enter the following menus: Body Electrical / AFS / Trouble Codes.

(f) Check for DTCs.

Body Electrical > AFS > Trouble Codes

OK:

DTC B2424 and B2425 are not output.

Result

Proceed to

OK

A

NG (DTC B2424 is output)

B

NG (DTC B2425 is output)

C

NG (DTC B2424 and B2425 are output)

D

A

USE SIMULATION METHOD TO CHECK

C

GO TO STEP 4

D

GO TO STEP 7

B

3.

INSPECT HEADLIGHT ECU SUB-ASSEMBLY LH

*a

Component without harness connected

(Headlight ECU Sub-assembly LH)

-

-

(a) Remove the headlight ECU sub-assembly LH.

Click here

(b) Measure the resistance according to the value(s) in the table below.

Standard Resistance:

Tester Connection

Condition

Specified Condition

A78-20 (LINL) - C-13 (LINLI)

Always

Below 1 Ω

OK

REPLACE HEADLIGHT UNIT ASSEMBLY LH

NG

REPLACE HEADLIGHT ECU SUB-ASSEMBLY LH

4.

CHECK HARNESS AND CONNECTOR (HEADLIGHT ECU SUB-ASSEMBLY LH - HEADLIGHT ECU SUB-ASSEMBLY RH)

(a) Disconnect the A78 headlight ECU sub-assembly LH connector.

(b) Disconnect the A79 headlight ECU sub-assembly RH connector.

(c) Measure the resistance according to the value(s) in the table below.

Standard Resistance:

Tester Connection

Condition

Specified Condition

A78-20 (LINL) - A79-20 (LINL)

Always

Below 1 Ω

NG

REPAIR OR REPLACE HARNESS OR CONNECTOR

OK

5.

CHECK HEADLIGHT ECU SUB-ASSEMBLY LH (LINL TERMINAL SIGNAL OUTPUT)

*a

Front view of wire harness connector

(to Headlight ECU Sub-assembly RH)

(a) Connect the A78 headlight ECU sub-assembly LH connector.

(b) Using a Techstream, check the waveform.

OK:

Tester Connection

Condition

Specified Condition

A79-20 (LINL) - Body ground

Power switch on (IG)

Pulse generation

NG

REPLACE HEADLIGHT ECU SUB-ASSEMBLY LH

OK

6.

INSPECT HEADLIGHT ECU SUB-ASSEMBLY RH

*a

Component without harness connected

(Headlight ECU Sub-assembly RH)

-

-

(a) Remove the headlight ECU sub-assembly RH.

Click here

(b) Measure the resistance according to the value(s) in the table below.

Standard Resistance:

Tester Connection

Condition

Specified Condition

A79-20 (LINL) - C-13 (LINLI)

Always

Below 1 Ω

OK

REPLACE HEADLIGHT UNIT ASSEMBLY RH

NG

REPLACE HEADLIGHT ECU SUB-ASSEMBLY RH

7.

CHECK HARNESS AND CONNECTOR (HEADLIGHT ECU SUB-ASSEMBLY LH - HEADLIGHT ECU SUB-ASSEMBLY RH)

(a) Disconnect the A78 headlight ECU sub-assembly LH connector.

(b) Disconnect the A79 headlight ECU sub-assembly RH connector.

(c) Measure the resistance according to the value(s) in the table below.

Standard Resistance:

Tester Connection

Condition

Specified Condition

A78-20 (LINL) or A79-20 (LINL) - Body ground

Always

10 kΩ or higher

NG

REPAIR OR REPLACE HARNESS OR CONNECTOR

OK

8.

CLEAR DTC

(a) Connect the A78 headlight ECU sub-assembly LH connector.

(b) Connect the Techstream to the DLC3.

(c) Turn the power switch on (IG).

(d) Turn the Techstream on.

(e) Enter the following menus: Body Electrical / AFS / Trouble Codes.

(f) Clear the DTCs.

Body Electrical > AFS > Clear DTCs
NEXT

9.

CHECK FOR DTC

(a) Connect the Techstream to the DLC3.

(b) Turn the power switch on (IG).

(c) Wait 10 seconds or more.

(d) Turn the Techstream on.

(e) Enter the following menus: Body Electrical / AFS / Trouble Codes.

(f) Check for DTCs.

Body Electrical > AFS > Trouble Codes

Result

Proceed to

DTC B2425 is output

A

DTC B2424 and B2425 are output

B

B

GO TO STEP 13

A

10.

CHECK HEADLIGHT ECU SUB-ASSEMBLY RH

(a) Remove the headlight ECU sub-assembly RH.

Click here

(b) Connect the A79 headlight ECU sub-assembly RH connector.

NEXT

11.

CLEAR DTC

(a) Connect the Techstream to the DLC3.

(b) Turn the power switch on (IG).

(c) Turn the Techstream on.

(d) Enter the following menus: Body Electrical / AFS / Trouble Codes.

(e) Clear the DTCs.

Body Electrical > AFS > Clear DTCs
NEXT

12.

CHECK FOR DTC

(a) Connect the Techstream to the DLC3.

(b) Turn the power switch on (IG).

(c) Wait 10 seconds or more.

(d) Turn the Techstream on.

(e) Enter the following menus: Body Electrical / AFS / Trouble Codes.

(f) Check for DTCs.

Body Electrical > AFS > Trouble Codes

Result

Proceed to

DTC B2425 is output

A

DTC B2424 and B2425 are output

B

A

REPLACE HEADLIGHT UNIT ASSEMBLY RH

B

REPLACE HEADLIGHT ECU SUB-ASSEMBLY RH

13.

CHECK HEADLIGHT ECU SUB-ASSEMBLY LH

(a) Remove the headlight ECU sub-assembly LH.

Click here

(b) Connect the A78 headlight ECU sub-assembly LH connector.

(c) Connect the A79 headlight ECU sub-assembly RH connector.

NEXT

14.

CLEAR DTC

(a) Connect the Techstream to the DLC3.

(b) Turn the power switch on (IG).

(c) Turn the Techstream on.

(d) Enter the following menus: Body Electrical / AFS / Trouble Codes.

(e) Clear the DTCs.

Body Electrical > AFS > Clear DTCs
NEXT

15.

CHECK FOR DTC

(a) Connect the Techstream to the DLC3.

(b) Turn the power switch on (IG).

(c) Wait 10 seconds or more.

(d) Turn the Techstream on.

(e) Enter the following menus: Body Electrical / AFS / Trouble Codes.

(f) Check for DTCs.

Body Electrical > AFS > Trouble Codes

Result

Proceed to

DTC B2424 is output

A

DTC B2424 and B2425 are output

B

A

REPLACE HEADLIGHT UNIT ASSEMBLY LH

B

REPLACE HEADLIGHT ECU SUB-ASSEMBLY LH

READ NEXT:

 Right Headlight ECU Malfunction (B242C,B242D)

DESCRIPTION The headlight ECU sub-assembly LH or headlight ECU sub-assembly RH stores a DTC if it detects an internal malfunction. for LED Type Turn Signal Light DTC No. Detection Item DTC Dete

 Open in IG Circuit (B242E)

DESCRIPTION The headlight ECU sub-assembly operates using the power source voltage input from the IG terminal and ECUB terminal. The IG terminal power source voltage is supplied by turning the IG1-NO.

 Open in B Power Line (B242F)

DESCRIPTION The headlight ECU sub-assembly operates using the power source voltage input from the IG terminal and ECUB terminal. The power source voltage of the ECUB terminal is supplied when the main

SEE MORE:

 Transmission Range Sensor "A" Circuit Open (P070513,P070562)

DESCRIPTION The park/neutral position switch assembly detects the shift position and sends signals to the ECM. DTC No. Detection Item DTC Detection Condition Trouble Area MIL Memory Note P070513 Transmission Range Sensor "A" Circuit Open All switches are off simultaneously for

 Rear Power Window LH Auto Up / Down Function does not Operate with Rear Power Window Switch LH

DESCRIPTION If the manual up and down functions operate normally but the auto up and down functions do not, the power window control system may be in fail-safe mode. If power window initialization has not been performed, the auto up and down functions will not operate. Click here WIRING DIAGRAM C

© 2016-2025 Copyright www.lexguide.net