Lexus ES manuals

Lexus ES: Driver Seat Control ECU Communication Stop Mode

DESCRIPTION

Detection Item

Symptom

Trouble Area

Driver Seat Control ECU Communication Stop Mode

Any of the following conditions are met:

  • Communication stop for "D-Seat" is indicated on the "Communication Bus Check" screen of the Techstream.

    Click here

  • Communication stop history for "D-Seat" is indicated on the "Communication Bus Check (Detail)" screen of the Techstream. (The Lost Communication Time value for "D-Seat" is 6 or more.)

    Click here

  • Communication system DTCs (DTCs that start with U) that correspond to "Driver Seat Control ECU Communication Stop Mode" in "DTC Combination Table" are output.

    Click here

  • Position control ECU assembly LH branch line or connector
  • Power source circuit of position control ECU assembly LH
  • Position control ECU assembly LH ground circuit
  • Position control ECU assembly LH

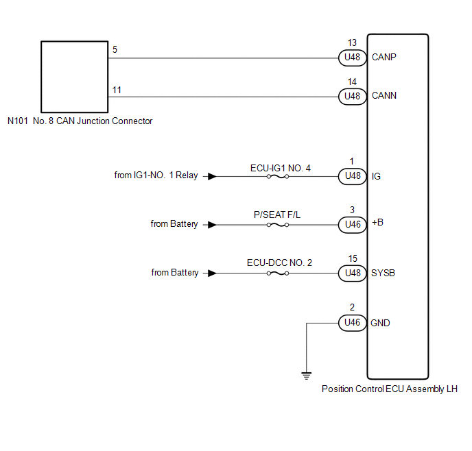
WIRING DIAGRAM

CAUTION / NOTICE / HINT

CAUTION:

When performing the confirmation driving pattern, obey all speed limits and traffic laws.

NOTICE:

  • Because the order of diagnosis is important to allow correct diagnosis, make sure to begin troubleshooting using How to Proceed with Troubleshooting when CAN communication system related DTCs are output.

    Click here

  • Before measuring the resistance of the CAN bus, turn the engine switch off and leave the vehicle for 1 minute or more without operating the key or any switches, or opening or closing the doors. After that, disconnect the cable from the negative (-) battery terminal and leave the vehicle for 1 minute or more before measuring the resistance.
  • After turning the engine switch off, waiting time may be required before disconnecting the cable from the negative (-) battery terminal. Therefore, make sure to read the disconnecting the cable from the negative (-) battery terminal notices before proceeding with work.

    Click here

  • After performing repairs, perform the DTC check procedure and confirm that the DTCs are not output again.

    DTC check procedure: Turn the engine switch on (IG) and wait for 1 minute or more. Then operate the suspected malfunctioning system and drive the vehicle at 60 km/h (37 mph) or more for 5 minutes or more.

  • After the repair, perform the CAN bus check and check that all the ECUs and sensors connected to the CAN communication system are displayed as normal.

    Click here

  • Inspect the fuses for circuits related to this system before performing the following procedure.

HINT:

  • Before disconnecting related connectors for inspection, push in on each connector body to check that the connector is not loose or disconnected.
  • When a connector is disconnected, check that the terminals and connector body are not cracked, deformed or corroded.

PROCEDURE

1.

CHECK FOR OPEN IN CAN BUS LINES (POSITION CONTROL ECU ASSEMBLY LH BRANCH LINE)

(a) Disconnect the cable from the negative (-) battery terminal.

(b) Disconnect the U48 position control ECU assembly LH connector.

(c) Measure the resistance according to the value(s) in the table below.

Standard Resistance:

Tester Connection

Condition

Specified Condition

U48-13 (CANP) - U48-14 (CANN)

Cable disconnected from negative (-) battery terminal

54 to 69 Ω

*a

Front view of wire harness connector

(to Position Control ECU Assembly LH)

NG

REPAIR OR REPLACE CAN BRANCH LINES OR CONNECTOR (POSITION CONTROL ECU ASSEMBLY LH)

OK

2.

CHECK HARNESS AND CONNECTOR (POWER SOURCE CIRCUIT)

(a) Disconnect the U46 position control ECU assembly LH connector.

(b) Measure the resistance according to the value(s) in the table below.

Standard Resistance:

Tester Connection

Condition

Specified Condition

U46-2 (GND) - Body ground

Cable disconnected from negative (-) battery terminal

Below 1 Ω

*a

Front view of wire harness connector

(to Position Control ECU Assembly LH)

(c) Reconnect the cable to the negative (-) battery terminal.

(d) Measure the voltage according to the value(s) in the table below.

Standard Voltage:

Tester Connection

Condition

Specified Condition

U46-3 (+B) - Body ground

Always

11 to 14 V

U48-1 (IG) - Body ground

Engine switch on (IG)

11 to 14 V

U48-15 (SYSB) - Body ground

Always

11 to 14 V

OK

REPLACE POSITION CONTROL ECU ASSEMBLY LH

NG

REPAIR OR REPLACE HARNESS OR CONNECTOR (POWER SOURCE CIRCUIT)

READ NEXT:

 Luggage Door ECU Communication Stop Mode

DESCRIPTION Detection Item Symptom Trouble Area Luggage Door ECU Communication Stop Mode Any of the following conditions are met: Communication stop for "Back Door" is indicated on the

 DCM Communication Stop Mode

DESCRIPTION Detection Item Symptom Trouble Area DCM Communication Stop Mode Any of the following conditions are met: Communication stop for "DCM" is indicated on the "Communication Bus

 Tilt and Telescopic ECU Communication Stop Mode

DESCRIPTION Detection Item Symptom Trouble Area Tilt and Telescopic ECU Communication Stop Mode Any of the following conditions are met: Communication stop for "Multiplex Tilt and Tele

SEE MORE:

 Disassembly

DISASSEMBLY CAUTION / NOTICE / HINT The necessary procedures (adjustment, calibration, initialization, or registration) that must be performed after parts are removed and installed, or replaced during cylinder block removal/installation are shown below. Necessary Procedure After Parts Removed/Instal

 Auto Up Operation does not Fully Close Power Window (Jam Protection Function is Activated)

DESCRIPTION If a door glass does not slide smoothly or a power window regulator motor assembly or door window regulator sub-assembly does not operate smoothly, the jam protection function may be triggered automatically, resulting in the auto up operation being unable to fully close the power window.

© 2016-2026 Copyright www.lexguide.net