Lexus ES manuals

Lexus ES: Check Bus 4 Line for Short to +B

DESCRIPTION

There may be a short circuit between one of the CAN bus lines and +B when there is no resistance between terminal 22 (CA2H) of the central gateway ECU (network gateway ECU) and terminal 16 (BAT) of the DLC3, or terminal 7 (CA2L) of the central gateway ECU (network gateway ECU) and terminal 16 (BAT) of the DLC3.

Symptom

Trouble Area

There is no resistance between terminal 22 (CA2H) of the central gateway ECU (network gateway ECU) and terminal 16 (BAT) of the DLC3, or terminal 7 (CA2L) of the central gateway ECU (network gateway ECU) and terminal 16 (BAT) of the DLC3.

  • Short to +B in CAN main bus line
  • Short to +B in CAN branch line
  • Central gateway ECU (network gateway ECU)
  • Tire pressure warning ECU and receiver
  • Occupant detection ECU
  • Steering sensor
  • Rack and pinion power steering gear assembly
  • Brake actuator assembly
  • Absorber control ECU

    (w/ AVS System)

  • Airbag ECU assembly
  • No. 2 CAN junction connector
  • No. 4 CAN junction connector
  • No. 7 CAN junction connector

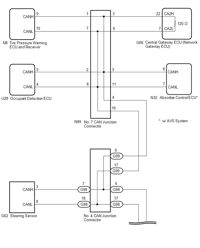
WIRING DIAGRAM

CAUTION / NOTICE / HINT

CAUTION:

When performing the confirmation driving pattern, obey all speed limits and traffic laws.

NOTICE:

  • Because the order of diagnosis is important to allow correct diagnosis, make sure to begin troubleshooting using How to Proceed with Troubleshooting when CAN communication system related DTCs are output.

    Click here

  • Before measuring the resistance of the CAN bus, turn the engine switch off and leave the vehicle for 1 minute or more without operating the key or any switches, or opening or closing the doors. After that, disconnect the cable from the negative (-) battery terminal and leave the vehicle for 1 minute or more before measuring the resistance.
  • After turning the engine switch off, waiting time may be required before disconnecting the cable from the negative (-) battery terminal. Therefore, make sure to read the disconnecting the cable from the negative (-) battery terminal notices before proceeding with work.

    Click here

  • After performing repairs, perform the DTC check procedure and confirm that the DTCs are not output again.

    DTC check procedure: Turn the engine switch on (IG) and wait for 1 minute or more. Then operate the suspected malfunctioning system and drive the vehicle at 60 km/h (37 mph) or more for 5 minutes or more.

  • After the repair, perform the CAN bus check and check that all the ECUs and sensors connected to the CAN communication system are displayed as normal.

    Click here

HINT:

  • Before disconnecting related connectors for inspection, push in on each connector body to check that the connector is not loose or disconnected.
  • When a connector is disconnected, check that the terminals and connector body are not cracked, deformed or corroded.

PROCEDURE

1.

CHECK FOR SHORT TO +B IN CAN BUS LINE (NO. 7 CAN JUNCTION CONNECTOR)

(a) Disconnect the cable from the negative (-) battery terminal.

(b) Disconnect the N99 No. 7 CAN junction connector.

(c) Measure the resistance according to the value(s) in the table below.

*1

DLC3

-

-

*a

Front view of wire harness connector

(to No. 7 CAN Junction Connector)

*b

to Tire Pressure Warning ECU and Receiver

*c

to Occupant Detection ECU

*d

to Central Gateway ECU (Network Gateway ECU)

*e

to No. 4 CAN Junction Connector

*f

to Absorber Control ECU

(w/ AVS System)

Standard Resistance:

Tester Connection

Condition

Specified Condition

Connected to

N99-1 (CANH) - G57-16 (BAT)

Cable disconnected from negative (-) battery terminal

6 kΩ or higher

Tire pressure warning ECU and receiver

N99-7 (CANL) - G57-16 (BAT)

N99-2 (CANH) - G57-16 (BAT)

Cable disconnected from negative (-) battery terminal

6 kΩ or higher

Occupant detection ECU

N99-8 (CANL) - G57-16 (BAT)

N99-3 (CANH) - G57-16 (BAT)

Cable disconnected from negative (-) battery terminal

6 kΩ or higher

Central gateway ECU (network gateway ECU)

N99-9 (CANL) - G57-16 (BAT)

N99-4 (CANH) - G57-16 (BAT)

Cable disconnected from negative (-) battery terminal

6 kΩ or higher

No. 4 CAN junction connector

N99-10 (CANL) - G57-16 (BAT)

N99-5 (CANH) - G57-16 (BAT)

Cable disconnected from negative (-) battery terminal

6 kΩ or higher

Absorber control ECU*

N99-11 (CANL) - G57-16 (BAT)

  • *: w/ AVS System

Result

Proceed to

OK

A

NG (Line to central gateway ECU (network gateway ECU))

B

NG (Line to No. 4 CAN junction connector)

C

NG (Line to ECU or sensor)

D

A

REPLACE NO. 7 CAN JUNCTION CONNECTOR

C

GO TO STEP 3

D

GO TO STEP 6

B

2.

CHECK FOR SHORT TO +B IN CAN BUS LINE (NO. 7 CAN JUNCTION CONNECTOR - CENTRAL GATEWAY ECU (NETWORK GATEWAY ECU))

(a) Disconnect the G66 central gateway ECU (network gateway ECU) connector.

(b) Measure the resistance according to the value(s) in the table below.

*1

DLC3

-

-

*a

Front view of wire harness connector

(to No. 7 CAN Junction Connector)

*b

to Central Gateway ECU (Network Gateway ECU)

Standard Resistance:

Tester Connection

Condition

Specified Condition

N99-3 (CANH) - G57-16 (BAT)

Cable disconnected from negative (-) battery terminal

6 kΩ or higher

N99-9 (CANL) - G57-16 (BAT)

OK

REPLACE CENTRAL GATEWAY ECU (NETWORK GATEWAY ECU)

NG

REPAIR OR REPLACE CAN MAIN BUS LINE OR CONNECTOR (NO. 7 CAN JUNCTION CONNECTOR - CENTRAL GATEWAY ECU (NETWORK GATEWAY ECU))

3.

CHECK FOR SHORT TO +B IN CAN BUS LINE (NO. 4 CAN JUNCTION CONNECTOR - NO. 7 CAN JUNCTION CONNECTOR)

(a) Disconnect the G99 No. 4 CAN junction connector.

(b) Measure the resistance according to the value(s) in the table below.

*1

DLC3

-

-

*a

Front view of wire harness connector

(to No. 4 CAN Junction Connector)

*b

to No. 7 CAN Junction Connector

Standard Resistance:

Tester Connection

Condition

Specified Condition

G99-6 (CANH) - G57-16 (BAT)

Cable disconnected from negative (-) battery terminal

6 kΩ or higher

G99-17 (CANL) - G57-16 (BAT)

NG

REPAIR OR REPLACE CAN MAIN BUS LINE OR CONNECTOR (NO. 4 CAN JUNCTION CONNECTOR - NO. 7 CAN JUNCTION CONNECTOR)

OK

4.

CHECK FOR SHORT TO +B IN CAN BUS LINE (NO. 4 CAN JUNCTION CONNECTOR)

(a) Disconnect the G98 No. 4 CAN junction connector.

(b) Measure the resistance according to the value(s) in the table below.

*1

DLC3

-

-

*a

Front view of wire harness connector

(to No. 4 CAN Junction Connector)

*b

to No. 2 CAN Junction Connector

*c

to Steering Sensor

-

-

Standard Resistance:

Tester Connection

Condition

Specified Condition

Connected to

G98-6 (CANH) - G57-16 (BAT)

Cable disconnected from negative (-) battery terminal

6 kΩ or higher

No. 2 CAN junction connector

G98-17 (CANL) - G57-16 (BAT)

G98-7 (CANH) - G57-16 (BAT)

Cable disconnected from negative (-) battery terminal

6 kΩ or higher

Steering sensor

G98-18 (CANL) - G57-16 (BAT)

Result

Proceed to

OK

A

NG (Line to No. 2 CAN junction connector)

B

NG (Line to ECU or sensor)

C

A

REPLACE NO. 4 CAN JUNCTION CONNECTOR

C

GO TO STEP 6

B

5.

CHECK FOR SHORT TO +B IN CAN BUS LINE (NO. 2 CAN JUNCTION CONNECTOR)

(a) Disconnect the A69 No. 2 CAN junction connector.

(b) Measure the resistance according to the value(s) in the table below.

*1

DLC3

-

-

*a

Front view of wire harness connector

(to No. 2 CAN Junction Connector)

*b

to Brake Actuator Assembly

*c

to Airbag ECU Assembly

*d

to Rack and Pinion Power Steering Gear Assembly

*e

to No. 4 CAN Junction Connector

-

-

Standard Resistance:

Tester Connection

Condition

Specified Condition

Connected to

A69-1 (CANH) - G57-16 (BAT)

Cable disconnected from negative (-) battery terminal

6 kΩ or higher

Brake actuator assembly

A69-11 (CANL) - G57-16 (BAT)

A69-2 (CANH) - G57-16 (BAT)

Cable disconnected from negative (-) battery terminal

6 kΩ or higher

Airbag ECU assembly

A69-12 (CANL) - G57-16 (BAT)

A69-4 (CANH) - G57-16 (BAT)

Cable disconnected from negative (-) battery terminal

6 kΩ or higher

Rack and pinion power steering gear assembly

A69-14 (CANL) - G57-16 (BAT)

A69-5 (CANH) - G57-16 (BAT)

Cable disconnected from negative (-) battery terminal

6 kΩ or higher

No. 4 CAN junction connector

A69-15 (CANL) - G57-16 (BAT)

Result

Proceed to

OK

A

NG (Line to No. 4 CAN junction connector)

B

NG (Line to ECU or sensor)

C

A

REPLACE NO. 2 CAN JUNCTION CONNECTOR

B

REPAIR OR REPLACE CAN MAIN BUS LINE OR CONNECTOR (NO. 2 CAN JUNCTION CONNECTOR - NO. 4 CAN JUNCTION CONNECTOR)

C

GO TO STEP 6

6.

CHECK FOR SHORT TO +B IN CAN BUS LINE (ECU OR SENSOR)

(a) Reconnect all wire harness connectors.

(b) Disconnect the connector that includes terminals CANH and CANL from the ECU or sensor to which the bus line shorted to +B is connected.

Click here

(c) Measure the resistance according to the value(s) in the table below.

*1

DLC3

-

-

*a

Component with harness connected

(Central Gateway ECU (Network Gateway ECU))

-

-

Standard Resistance:

Tester Connection

Condition

Specified Condition

G66-22 (CA2H) - G57-16 (BAT)

Cable disconnected from negative (-) battery terminal

6 kΩ or higher

G66-7 (CA2L) - G57-16 (BAT)

HINT:

  • If the resistance changes to 6 kΩ or higher when the connector is disconnected from the ECU or sensor, there may be a short in the ECU or sensor.
  • If the resistance does not become normal when the connector is disconnected from the ECU or sensor, check for a short to +B in the wire harness and repair or replace the wire harness or connector if necessary.
OK

REPLACE ECU OR SENSOR

NG

REPAIR OR REPLACE HARNESS OR CONNECTOR

READ NEXT:

 Check Bus 4 Lines for Short Circuit

DESCRIPTION There may be a short circuit between the CAN main bus lines and/or CAN branch lines when the resistance between terminals 22 (CA2H) and 7 (CA2L) of the central gateway ECU (network gateway

 Open in Bus 4 Main Bus Line

DESCRIPTION There may be an open circuit in one of the CAN main bus lines when the resistance between terminals 22 (CA2H) and 7 (CA2L) of the central gateway ECU (network gateway ECU) is 70 Ω or high

 Open in One Side of Bus 3 Branch Line

DESCRIPTION When the CAN bus main lines are normal (no open, short to ground, short to +B or short between lines) and there is an ECU or sensor on the "Communication Bus Check" screen that is indicate

SEE MORE:

 Throttle/Pedal Position Sensor/Switch "D" Circuit Short to Auxiliary Battery (P212012,...,P21382B)

DTC SUMMARY MALFUNCTION DESCRIPTION The hybrid vehicle control ECU calculates the accelerator pedal opening angle based on the output voltage of the main sensor (VPA) and sub sensor (VPA2) of the accelerator pedal sensor assembly. If the output voltage of either the main sensor (VPA) or sub sensor (

 Inverter "A" Cooling System Performance (P0A9300)

DTC SUMMARY MALFUNCTION DESCRIPTION This DTC indicates when the temperature sensor value inside the inverter has become abnormal. The cause of this malfunction may be one of the following: Internal inverter malfunction Inverter internal circuit malfunction Malfunction in ECU that controls the i

© 2016-2026 Copyright www.lexguide.net