Lexus ES manuals

Lexus ES: Brake Warning Light Remains ON

DESCRIPTION

The skid control ECU (brake booster with master cylinder assembly) is connected to the combination meter assembly via CAN communication.

If any of the following is detected, the brake warning light / red (malfunction) remains on:

  • The skid control ECU (brake booster with master cylinder assembly) connector is disconnected from the brake booster with master cylinder assembly.
  • The brake fluid level is insufficient.
  • EBD operation has been disabled.

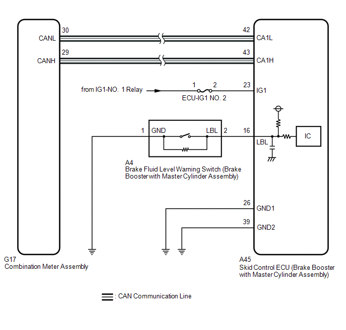
WIRING DIAGRAM

CAUTION / NOTICE / HINT

NOTICE:

  • After replacing the skid control ECU (brake booster with master cylinder assembly), perform linear solenoid valve offset learning, ABS holding solenoid valve learning, yaw rate and acceleration sensor zero point calibration and system information memorization after performing "Reset Memory".

    Click here

  • Inspect the fuses for circuits related to this system before performing the following procedure.
  • Before performing this procedure, depress the brake pedal and confirm that the stop lights illuminate.

PROCEDURE

1.

PRE-CHECK

(a) Check that all of the following conditions required for the brake warning light / red (malfunction) to turn off are met:

  • The brake warning light / yellow (minor malfunction) and ABS warning light are not illuminated.

    HINT:

    If the brake warning light / yellow (minor malfunction) or ABS warning light remains illuminated, make sure that the conditions required for the brake warning light / yellow (minor malfunction) and ABS warning light to turn off are met.

  • The brake fluid level in the brake master cylinder reservoir assembly (brake booster with master cylinder assembly) is not low.
NEXT

2.

CHECK DTC

(a) Check if ABS, VSC and/or electronically controlled brake system DTCs are output.

Click here

Chassis > ABS/VSC/TRAC > Trouble Codes

Result

Proceed to

DTCs are not output.

A

DTCs are output.

B

B

REPAIR CIRCUITS INDICATED BY OUTPUT DTCS

A

3.

CHECK CAN COMMUNICATION SYSTEM

(a) Check if CAN communication system DTCs are output.

Click here

Result

Proceed to

DTCs are not output.

A

DTCs are output.

B

B

INSPECT CAN COMMUNICATION SYSTEM

A

4.

CHECK IF BRAKE BOOSTER WITH MASTER CYLINDER ASSEMBLY CONNECTOR IS SECURELY CONNECTED

(a) Check if the skid control ECU (brake booster with master cylinder assembly) connector is securely connected.

OK:

The connector is securely connected.

NG

CONNECT CONNECTOR TO BRAKE BOOSTER WITH MASTER CYLINDER ASSEMBLY CORRECTLY

OK

5.

CHECK AUXILIARY BATTERY

(a) Check the auxiliary battery voltage.

Standard Voltage:

Tester Connection

Condition

Specified Condition

Auxiliary battery

Power switch on (IG)

11 to 14 V

Auxiliary battery

Power switch on (READY)

11 to 15.5 V

NG

CHARGE OR REPLACE AUXILIARY BATTERY

OK

6.

CHECK HARNESS AND CONNECTOR (IG1 TERMINAL)

(a) Turn the power switch off.

*a

Front view of wire harness connector

(to Skid Control ECU (Brake Booster with Master Cylinder Assembly))

(b) Make sure that there is no looseness at the locking part and the connecting part of the connector.

OK:

The connector is securely connected.

(c) Disconnect the A45 skid control ECU (brake booster with master cylinder assembly) connector.

(d) Check both the connector case and the terminals for deformation and corrosion.

OK:

No deformation or corrosion.

(e) Turn the power switch on (IG).

(f) Measure the voltage according to the value(s) in the table below.

Standard Voltage:

Tester Connection

Condition

Specified Condition

A45-23 (IG1) - Body ground

Power switch on (IG)

11 to 14 V

NG

REPAIR OR REPLACE HARNESS OR CONNECTOR (IG1 CIRCUIT)

OK

7.

CHECK HARNESS AND CONNECTOR (GND TERMINAL)

(a) Turn the power switch off.

*a

Front view of wire harness connector

(to Skid Control ECU (Brake Booster with Master Cylinder Assembly))

(b) Measure the resistance according to the value(s) in the table below.

Standard Resistance:

Tester Connection

Condition

Specified Condition

A45-26 (GND1) - Body ground

Always

Below 1 Ω

A45-39 (GND2) - Body ground

Always

Below 1 Ω

NG

REPAIR OR REPLACE HARNESS OR CONNECTOR (GND CIRCUIT)

OK

8.

READ VALUE USING TECHSTREAM (BRAKE WARNING LIGHT / RED (MALFUNCTION))

(a) Reconnect the A45 skid control ECU (brake booster with master cylinder assembly) connector.

(b) Select the Data List on the Techstream.

Click here

Chassis > ABS/VSC/TRAC > Data List

Tester Display

Measurement Item

Range

Normal Condition

Diagnostic Note

Brake Warning Light

Brake warning light / red (malfunction)

ON or OFF

ON: Warning light on

OFF: Warning light off

-

Chassis > ABS/VSC/TRAC > Data List

Tester Display

Brake Warning Light

(c) Check the Techstream display condition of the brake warning light / red (malfunction).

Result

Proceed to

ON is displayed.

A

OFF is displayed.

B

A

REPLACE BRAKE BOOSTER WITH MASTER CYLINDER ASSEMBLY

B

INSPECT METER / GAUGE SYSTEM

READ NEXT:

 EPB System Malfunction (C13AF)

DESCRIPTION The skid control ECU (brake booster with master cylinder assembly) is connected to the parking brake ECU (brake actuator assembly) via CAN communication. If an electric parking brake syste

 Reaction Force Pressure Sensor Power Supply Voltage Malfunction (C14B0,...,C14D4)

DESCRIPTION DTC No. Detection Item INF Code DTC Detection Condition Trouble Area MIL Note C14B0 Reaction Force Pressure Sensor Power Supply Voltage Malfunction 201 The supplie

 Reaction Force Pressure Sensor Zero Point Malfunction (C14B3)

DESCRIPTION The reaction force pressure sensor detects and outputs the brake fluid pressure of the stroke simulator, which changes in accordance with brake pedal operation, to the skid control ECU (br

SEE MORE:

 Lost Communication with Instrument Panel Cluster (IPC) Control Module Missing Message (U015587)

DESCRIPTION The ECM and combination meter assembly send and receive signals via CAN communication. If a communication error occurs between the ECM and combination meter assembly, the ECM illuminates the MIL and stores this DTC. DTC No. Detection Item DTC Detection Condition Trouble Area M

 Registration

REGISTRATION CAUTION / NOTICE / HINT PROCEDURE 1. VIN (VEHICLE IDENTIFICATION NUMBER) NOTICE: The Vehicle Identification Number (VIN) must be written to a replacement ECM. HINT: The VIN is a 17-digit alphanumeric vehicle identification number. The Techstream is required to register the VIN. (a) DESC

© 2016-2026 Copyright www.lexguide.net