Lexus ES manuals

Lexus ES: Adjustment

ADJUSTMENT

CAUTION / NOTICE / HINT

CAUTION:

Radiofrequency radiation exposure information:

  • This equipment complies with FCC radiation exposure limits set forth for an uncontrolled environment.
  • This equipment should be kept with minimum distance of 20 cm (7.87 in.) between the radiator (antenna) and your body at all times during adjustment.
  • This transmitter must not be co-located or operating in conjunction with any other antenna or transmitter.

PROCEDURE

1. PREPARATION FOR MILLIMETER WAVE RADAR SENSOR ASSEMBLY ADJUSTMENT

(a) Park the vehicle on a level surface where the area in front of the vehicle shown in the illustration is free of metal objects.

*a

5 m (16.4 ft.)

*b

6 m (19.7 ft.)

*c

4 m (13.1 ft.)

*d

2 m (6.56 ft.)

Do not place any metal objects in this area

Do not place metal objects with a height of more than 50 mm (1.97 in.) in this area

HINT:

Metal objects with a height of 50 mm (1.97 in.) or less placed within the area shown in the illustration will not affect the adjustment.

(b) Check the levelness of the ground.

(1) Check the levelness of the ground at the 3 points shown in the illustration.

*a

3 m (9.84 ft.)

Levelness Check Point

(2) Place the level on each levelness check point and check that the air bubble of the level is centered.

(c) Adjust the tire inflation pressure to the specified pressure.

Click here

(d) Clean the front emblem or millimeter wave radar sensor assembly.

(e) Visually inspect the front of the vehicle.

HINT:

Confirm that there is no damage or deformation.

(f) Visually inspect the front bumper assembly, radiator grill and stays.

HINT:

Confirm that there is no damage or deformation.

2. MILLIMETER WAVE RADAR SENSOR ASSEMBLY VERTICALLY AND HORIZONTALLY

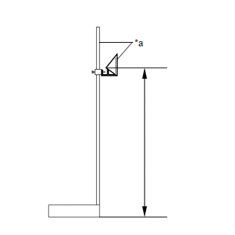
(a) Adjust SST (reflector) height.

(1) Adjust SST (reflector) so that the center of SST (reflector) is the same height as the millimeter wave radar sensor.

HINT:

Make sure to align the center of SST (reflector) with the millimeter wave radar sensor (the center of the emblem).

Reference Value:

611 mm (2.00 ft.)

SST: 09870-60000

09870-60010

SST: 09870-60040

*a

SST (reflector)

(b) Place SST (reflector).

(1) Hang a weight with a pointed tip from the center of the rear emblem, and mark the rear center point of the vehicle (point A) on the ground.

*a

String

*b

Weight

*c

Center

*d

Bilateral Symmetry

HINT:

Lightly flick the string with your fingers several times to confirm that the string is perpendicular to the ground.

(2) Hang a weight with a pointed tip from the center of the front emblem, and mark the front center point of the vehicle (point B) on the ground.

*a

String

*b

Weight

*c

Center

*d

Bilateral Symmetry

HINT:

Lightly flick the string with your fingers several times to confirm that the string is perpendicular to the ground.

(3) Using tape and a string, create a line that connects point B to point A and extends at least 3000 mm (9.84 ft.) beyond the front center point of the vehicle.

*a

String

*b

Tape

*c

3000 mm (9.84 ft.)

-

-

HINT:

  • Make sure the string is taut when securing it with tape.
  • Lightly flick the string with your fingers several times to confirm that the string is aligned with point B.

(4) Mark point C (SST (reflector) placement position) at a position 3000 mm (9.84 ft.) from point B.

(5) Place SST (reflector) at point C.

(c) Front Beam Axis Adjustment:

NOTICE:

  • Close all of the doors.
  • Ensure that nobody enters the adjustment area during the adjustment.
  • Do not move or shake the vehicle during adjustment (do not get in or out of the vehicle).
  • Do not turn off the Techstream or engine switch (for Gasoline Model).
  • Do not turn off the Techstream or power switch (for HV Model).
  • If the vehicle moves or is shaken during beam axis adjustment such as during strong winds or a door is opened or closed, perform the adjustment again.

(1) Connect the Techstream to the DLC3.

(2) Turn the engine switch on (IG) (for Gasoline Model).

(3) Turn the power switch on (IG) (for HV Model).

(4) Turn the Techstream on.

(5) Enter the following menus: Body Electrical / Front Radar Sensor / Utility / Front Beam Axis Adjustment.

Body Electrical > Front Radar Sensor > Utility

Tester Display

Front Beam Axis Adjustment

(6) Press "Next".

(7) Perform the adjustment according to the display on the Techstream.

NOTICE:

If an error code is displayed, perform troubleshooting according to the following table, then perform the adjustment again.

Error No.

Error Description

Cause of Error

Action to be Taken

1

No target abnormality

  • SST (reflector) is placed incorrectly.
  • The front emblem or millimeter wave radar sensor assembly is covered by dirt or snow.

Place SST (reflector) in the correct position. (See page 2. MILLIMETER WAVE RADAR SENSOR ASSEMBLY VERTICALLY AND HORIZONTALLY (b) Place SST (reflector))

Clean the front emblem or millimeter wave radar sensor assembly.

Check the installation condition of the front bumper assembly and radiator grill.

2

Target distance abnormality

  • SST (reflector) is placed incorrectly.

Place SST (reflector) in the correct position. (See page 2. MILLIMETER WAVE RADAR SENSOR ASSEMBLY VERTICALLY AND HORIZONTALLY (b) Place SST (reflector))

3

Plural targets abnormality

  • There is a reflective object near SST (reflector).
  • A person entered the adjustment area.

Remove any reflective objects.

Ensure that nobody enters the adjustment area during the adjustment. (See page 1. PREPARATION FOR MILLIMETER WAVE RADAR SENSOR ASSEMBLY ADJUSTMENT)

4

Target move abnormality

  • SST (reflector) was moved out of position or shaking during the adjustment due to wind.
  • A person entered the adjustment area.

Place SST (reflector) in the correct position. (See page 2. MILLIMETER WAVE RADAR SENSOR ASSEMBLY VERTICALLY AND HORIZONTALLY (b)Place SST (reflector))

Perform adjustment in an area with no wind.

Ensure that nobody enters the adjustment area during the adjustment. (See page 1. PREPARATION FOR MILLIMETER WAVE RADAR SENSOR ASSEMBLY ADJUSTMENT)

5

Axis adjustment

  • Optical axis adjustment has not been performed.

Optical axis adjustment. (See page 2. MILLIMETER WAVE RADAR SENSOR ASSEMBLY VERTICALLY AND HORIZONTALLY (c) Front Beam Axis Adjustment)

6

Target angle abnormality

  • SST (reflector) is placed incorrectly.
  • The beam axis of the millimeter wave radar sensor assembly is outside the automatic correction range.

Place SST (reflector) in the correct position. (See page 2. MILLIMETER WAVE RADAR SENSOR ASSEMBLY VERTICALLY AND HORIZONTALLY (b)Place SST (reflector))

Check the condition of the sensor, radiator grill and front bumper assembly.

7

Radar abnormality

  • Operation of the millimeter wave radar sensor assembly is abnormal.

Replace the millimeter wave radar sensor assembly.

8

Radar dirtiness

  • There is dirt on the front emblem or millimeter wave radar sensor assembly.

Clean the front emblem or millimeter wave radar sensor assembly.

9

Temperature abnormality

  • The temperature around the millimeter wave radar sensor assembly is too high.

Wait until the temperature drops to the operable range (-30 to 50°C).

10

Voltage abnormality

  • IG power source voltage is outside the operable range of the millimeter wave radar sensor assembly.

Check the battery voltage (specified condition: 10 to 16 V).

for 2GR-FKS:

for A25-FXS:

11

External communication abnormality

  • CAN communication between DSS and the millimeter wave radar sensor assembly is abnormal.

Check the condition of the connectors and wire harness.

12

Radar axis aiming failure upward

  • The beam axis of the millimeter wave radar sensor assembly is outside the automatic correction range (upward).
  • Road inclement is outside the standard value.

Check the condition of the sensor, radiator grill and front bumper assembly.

Confirm road gradient.

13

Radar axis aiming failure downward

  • The beam axis of the millimeter wave radar sensor assembly is outside the automatic correction range (downward).
  • Road inclement is outside the standard value.

Check the condition of the sensor, radiator grill and front bumper assembly.

Confirm road gradient.

14

Vehicle speed abnormality

  • The vehicle is not stationary.

Ensure that the vehicle remains stationary.

15

Other

  • A mode change error occurred.
  • Operation of the yaw rate sensor is abnormal.
  • The vehicle is shaking.

Check for DTCs.

for Gasoline Model:

for HV Model:

Check for DTCs.

for Gasoline Model:

for HV Model:

Ensure that the vehicle remains stationary.

16

Time out

  • The vehicle cannot communicate with Techstream normally.
  • The vehicle does not keep still during beam axis adjustment.
  • Operation of the millimeter wave radar sensor assembly is abnormal.
  • Ensure that the vehicle is connected with the Techstream correctly.
  • Ensure that the vehicle remains stationary.
  • Perform beam axis adjustment again and replace the millimeter wave radar sensor assembly if the same error code is output.

17

Target parameter abnormality

  • Wrong mode is selected.

Perform beam axis adjustment again.

18

Vehicle information undefined

  • CAN communication between DSS and the millimeter wave radar sensor assembly is abnormal

Check the condition of the connectors.

(8) Press "Exit" to finish front beam axis adjustment.

(d) Front Beam Axis Misalignment Reading:

NOTICE:

  • Close all of the doors.
  • Do not move or shake the vehicle during adjustment (do not get in or out of the vehicle).
  • Ensure that nobody enters the adjustment area during the adjustment.
  • Do not turn off the Techstream or engine switch (for Gasoline Model).
  • Do not turn off the Techstream or power switch (for HV Model).

(1) Enter the following menus: Body Electrical / Front Radar Sensor / Utility / Front Beam Axis Misalignment Reading.

Body Electrical > Front Radar Sensor > Utility

Tester Display

Front Beam Axis Misalignment Reading

(2) Press "Next".

(3) Perform the adjustment according to the display on the Techstream.

Specified Condition:

Vertical

-0.5 to 0.5 deg.

Horizontal

-0.5 to 0.5 deg.

NOTICE:

If the result is not as specified, perform beam axis adjustment again.

(e) Front Radar Acceleration Sensor Calibration:

(1) Enter the following menus: Body Electrical / Front Radar Sensor / Utility / Front Radar Acceleration Sensor Calibration.

Body Electrical > Front Radar Sensor > Utility

Tester Display

Front Radar Acceleration Sensor Calibration

(2) Turn the engine switch off (for Gasoline Model).

(3) Turn the power switch off (for HV Model).

(4) Disconnect the Techstream from the DLC3.

(f) After beam axis adjustment completes, clear the following system vehicle control history entries.

(1) Clear vehicle control history (Dynamic radar cruise control system).

for Gasoline Model: Click here

for HV Model: Click here

(2) Clear vehicle control history (Lane Control System).

for Gasoline Model: Click here

for HV Model: Click here

(3) Clear vehicle control history (Road sign assist system).

for Gasoline Model: Click here

for HV Model: Click here

(4) Clear vehicle control history (Front Radar Sensor system).

for Gasoline Model: Click here

for HV Model: Click here

(5) Clear vehicle control history (Pre-collision system).

for Gasoline Model: Click here

for HV Model: Click here

(6) Clear vehicle control history (Lighting system).

for Gasoline Model: Click here

for HV Model: Click here

READ NEXT:

 Installation

INSTALLATION PROCEDURE 1. INSTALL MILLIMETER WAVE RADAR SENSOR ASSEMBLY NOTICE: If the millimeter wave radar sensor assembly has been struck or dropped, replace the millimeter wave radar sensor assemb

 Road Sign Assist System (for Gasoline Model)

 Parts Location

PARTS LOCATION ILLUSTRATION *1 FORWARD RECOGNITION CAMERA *2 MILLIMETER WAVE RADAR SENSOR ASSEMBLY *3 BRAKE ACTUATOR ASSEMBLY - SKID CONTROL ECU *4 ECM ILLUSTRATION *1 AIR

SEE MORE:

 Hybrid/EV Battery Positive Contactor Circuit Short to Auxiliary Battery or Open (P0AD915)

DESCRIPTION Refer to the description for DTC P0AE411. Click here DTC No. Detection Item DTC Detection Condition Trouble Area MIL Warning Indicate P0AD915 Hybrid/EV Battery Positive Contactor Circuit Short to Auxiliary Battery or Open Open or short to +B in the SMRB circuit: Pr

 Hybrid/EV Battery Air Temperature Sensor "A" Circuit Short to Ground (P0AAC11,P0AAC15)

DESCRIPTION The inlet air temperature sensor (HV battery) is mounted on the HV battery. The resistance of the sensor varies in accordance with changes in the intake air temperature. The characteristics of the inlet air temperature sensor are the same as those of the battery temperature sensors (Clic

© 2016-2025 Copyright www.lexguide.net