Lexus ES manuals

Lexus ES: ABS Malfunction (C1296)

DESCRIPTION

If a malfunction in the speed sensor signal circuit or yaw rate and acceleration sensor (airbag ECU assembly) circuit occurs, the 4WD ECU assembly will output this DTC.

The airbag ECU assembly has a built-in yaw rate and acceleration sensor.

DTC No.

Detection Item

DTC Detection Condition

Trouble Area

C1296

ABS Malfunction

When one of the following conditions is met:

  • Wheel speed sensor malfunction is received from skid control ECU (brake actuator assembly)
  • Yaw rate and acceleration sensor (airbag ECU assembly) malfunction is received from skid control ECU (brake actuator assembly)
  • Electronically controlled brake system (speed sensor circuit)
  • Skid control ECU (brake actuator assembly)
  • Yaw rate and acceleration sensor (airbag ECU assembly) circuit
  • 4WD ECU assembly
DTC Detection Conditions: C1296
 

Vehicle Condition

Pattern 1

Pattern 2

Diagnosis Condition

When communication occurs with the skid control ECU (brake actuator assembly)

Malfunction Status

Wheel speed sensor malfunction is received

-

Yaw rate and acceleration sensor (airbag ECU assembly) malfunction is received

-

Detection Time

-

-

Number of Trips

1 trip

1 trip

HINT:

DTC will be output when conditions for either of the patterns in the table above is met.

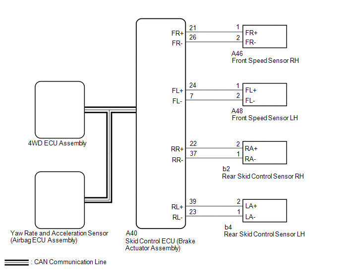
WIRING DIAGRAM

PROCEDURE

1.

CHECK FOR DTC (ELECTRONICALLY CONTROLLED BRAKE SYSTEM)

(a) Clear the DTC.

Chassis > Brake/EPB > Clear DTCs

(b) Turn the engine switch off.

(c) Turn the engine switch on (IG) again.

(d) Drive the vehicle, accelerate to a speed of 20 km/h (12 mph) or more, and check if the speed sensor DTC (electronically controlled brake system DTC) is output.

Chassis > Brake/EPB > Trouble Codes

Result

Proceed to

Electronically controlled brake system DTC (speed sensor or acceleration sensor DTC) is not output

A

Electronically controlled brake system DTC (speed sensor or acceleration sensor DTC) is output

B

HINT:

When DTCs indicating a CAN communication system malfunction are output, repair the CAN communication system before repairing each corresponding sensor.

B

REPAIR CIRCUIT INDICATED BY OUTPUT CODE (ELECTRONICALLY CONTROLLED BRAKE SYSTEM)

A

2.

READ VALUE USING TECHSTREAM (WHEEL SPEED)

(a) Connect the Techstream to the DLC3.

(b) Turn the engine switch on (IG).

(c) Turn the Techstream on.

(d) Enter the following menus: Chassis / Four Wheel Drive / Data List.

(e) Read the value displayed on the Techstream.

Chassis > Four Wheel Drive > Data List

Tester Display

Measurement Item

Range

Normal Condition

Diagnostic Note

FR Wheel Speed

Front wheel speed sensor RH reading

Min.: 0 km/h (0 mph)

Max.: 326 km/h (202 mph)

0 km/h (0 mph): Vehicle stopped

No large fluctuations when driving at a constant speed.

FL Wheel Speed

Front wheel speed sensor LH reading

Min.: 0 km/h (0 mph)

Max.: 326 km/h (202 mph)

0 km/h (0 mph): Vehicle stopped

No large fluctuations when driving at a constant speed.

RR Wheel Speed

Rear wheel speed sensor RH reading

Min.: 0 km/h (0 mph)

Max.: 326 km/h (202 mph)

0 km/h (0 mph): Vehicle stopped

No large fluctuations when driving at a constant speed.

RL Wheel Speed

Rear wheel speed sensor LH reading

Min.: 0 km/h (0 mph)

Max.: 326 km/h (202 mph)

0 km/h (0 mph): Vehicle stopped

No large fluctuations when driving at a constant speed.

Chassis > Four Wheel Drive > Data List

Tester Display

FR Wheel Speed

FL Wheel Speed

RR Wheel Speed

RL Wheel Speed

OK:

The speed value output from the speed sensor displayed on the Techstream is the same as the actual vehicle speed measured using a speedometer tester (calibrated chassis dynamometer).

NG

GO TO ELECTRONICALLY CONTROLLED BRAKE SYSTEM (HOW TO PROCEED WITH TROUBLESHOOTING)

OK

3.

READ VALUE USING TECHSTREAM (FORWARD AND REARWARD G)

(a) Enter the following menus: Chassis / Four Wheel Drive / Data List.

(b) Read the value displayed on the Techstream.

Chassis > Four Wheel Drive > Data List

Tester Display

Measurement Item

Range

Normal Condition

Diagnostic Note

Forward and Rearward G

Forward and Rearward G

Min.: -25.10 m/s2

Max.: 24.90 m/s2

Approximately 0 +/-0.13 m/s2 while stationary

Changes in proportion with acceleration during acceleration/deceleration.

Chassis > Four Wheel Drive > Data List

Tester Display

Forward and Rearward G

OK:

The yaw rate and acceleration sensor (airbag ECU assembly) output value is normal.

OK

REPLACE 4WD ECU ASSEMBLY

NG

GO TO ELECTRONICALLY CONTROLLED BRAKE SYSTEM (HOW TO PROCEED WITH TROUBLESHOOTING)

READ NEXT:

 Steering Angle Sensor (C1297)

DESCRIPTION The 4WD ECU assembly determines that the vehicle is turning based on the signals sent from the steering sensor. The steering sensor signal is sent to the 4WD ECU assembly via CAN communica

 Linear Solenoid Circuit (C1298)

DESCRIPTION The 4WD ECU assembly receives signals from each sensor to control clutch fluid pressure for limiting the center differential operation, which distributes torque according to the driving co

 Cancellation of 4WD Control (C1299)

DESCRIPTION This DTC is output if the heat generated by the transmission coupling assembly exceeds a certain amount or if the estimated oil temperature of the transfer exceeds a certain amount while d

SEE MORE:

 Switch Lights of Remote Touch do not Illuminate

DESCRIPTION Power is supplied to the remote touch (remote operation controller assembly) illumination when the light control switch is in the tail or head position. WIRING DIAGRAM CAUTION / NOTICE / HINT NOTICE: Inspect the fuse for circuits related to this system before performing the following pr

 Left Low Beam Fan Malfunction (B243D,B243E)

DESCRIPTION The headlight ECU sub-assembly operates the low beam fan to cool the headlight LED unit in order to prevent the headlight LED unit from overheating. Illuminates the low beam headlights and continuously operates the low beam fan. The headlight ECU sub-assembly monitors the pulse signals f

© 2016-2026 Copyright www.lexguide.net