Lexus ES manuals

Lexus ES: Windshield Deicer does not Operate

DESCRIPTION

When the front wiper deicer switch is operated, the operation signal is transmitted to the air conditioning amplifier assembly directly. When the air conditioning amplifier assembly receives the signal, it turns on the DEICER relay to operate the windshield deicer system.

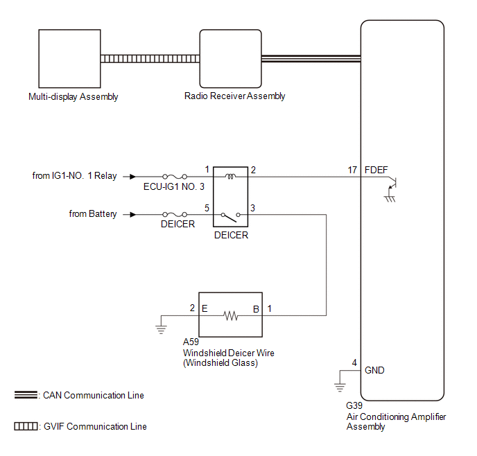
WIRING DIAGRAM

CAUTION / NOTICE / HINT

NOTICE:

  • Inspect the fuses for circuits related to this system before performing the following procedure.
  • If the battery voltage becomes low, battery load control will operate in order to ensure sufficient power is supplied to the power steering system. In this case, the windshield deicer system may not operate.
  • The windshield deicer system uses the CAN communication system. First, confirm that there are no malfunctions in the CAN communication system. Refer to How to Proceed with Troubleshooting.

    Click here

PROCEDURE

1.

CHECK AIR CONDITIONING SYSTEM

(a) Check that the air conditioning system can be operated using the remote touch.

HINT:

Both the windshield deicer system operation signal and airconditioning system operation signal are transmitted to the airconditioning amplifier assembly through same communication line.

OK:

The air conditioning system operates normally.

NG

GO TO AIR CONDITIONING SYSTEM

OK

2.

PERFORM ACTIVE TEST USING TECHSTREAM

(a) Connect the Techstream to the DLC3.

(b) Turn the engine switch on (IG).

(c) Turn the Techstream on.

(d) Enter the following menus: Body Electrical / Air Conditioner / Active Test.

(e) Perform the Active Test according to the display on the Techstream.

Body Electrical > Air Conditioner > Active Test

Tester Display

Measurement Item

Control Range

Diagnostic Note

Deicer Relay (Front)

Windshield deicer wire (windshield glass)

OFF or ON

-

Body Electrical > Air Conditioner > Active Test

Tester Display

Deicer Relay (Front)

OK:

The windshield deicer system operates normally.

NG

GO TO STEP 5

OK

3.

REPLACE AIR CONDITIONING AMPLIFIER ASSEMBLY

(a) Replace the air conditioning amplifier assembly with a new or known good one.

Click here

(b) Check that the windshield deicer system operates normally.

OK:

The windshield deicer system operates normally.

OK

END (AIR CONDITIONING AMPLIFIER ASSEMBLY WAS DEFECTIVE)

NG

4.

REPLACE RADIO RECEIVER ASSEMBLY

(a) Replace the radio receiver assembly with a new or known good one.

Click here

(b) Check that the windshield deicer system operates normally.

OK:

The windshield deicer system operates normally.

OK

END (RADIO RECEIVER ASSEMBLY WAS DEFECTIVE)

NG

REPLACE MULTI-DISPLAY ASSEMBLY

5.

INSPECT DEICER RELAY

(a) Inspect the DEICER relay.

Click here

NG

REPAIR OR REPLACE HARNESS OR CONNECTOR

OK

6.

CHECK WIRE HARNESS AND CONNECTOR (DEICER RELAY - IG POWER SUPPLY)

(a) Measure the voltage according to the value(s) in the table below.

Standard Voltage:

Tester Connection

Condition

Specified Condition

DEICER relay holder terminal 1 - Body ground

Engine switch on (IG)

11 to 14 V

DEICER relay holder terminal 5 - Body ground

Always

11 to 14 V

*a

DEICER Relay Holder

NG

REPAIR OR REPLACE HARNESS OR CONNECTOR

OK

7.

CHECK WIRE HARNESS AND CONNECTOR (DEICER RELAY - AIR CONDITIONING AMPLIFIER ASSEMBLY)

(a) Disconnect G39 air conditioning amplifier assembly connector.

*a

DEICER Relay Holder

(b) Measure the resistance according to the value(s) in the table below.

Standard Resistance:

Tester Connection

Condition

Specified Condition

DEICER relay holder terminal 2 - G39-17 (FDEF)

Always

Below 1 Ω

DEICER relay holder terminal 2 - Body ground

Always

10 kΩ higher

NG

REPAIR OR REPLACE HARNESS OR CONNECTOR

OK

8.

CHECK AIR CONDITIONING AMPLIFIER ASSEMBLY

(a) Reconnect the G39 air conditioning amplifier assembly connector.

(b) Measure the voltage according to the value(s) in the table below.

Standard Voltage:

Tester Connection

Condition

Specified Condition

G39-17 (FDEF) - G39-4 (GND)

Engine switch on (IG), Front wiper deicer switch on

Below 1 V

G39-17 (FDEF) - G39-4 (GND)

Engine switch on (IG), Front wiper deicer switch off

11 to 14 V

*a

Component with harness connected

(Air Conditioning Amplifier Assembly)

NG

REPLACE AIR CONDITIONING AMPLIFIER ASSEMBLY

OK

9.

CHECK WIRE HARNESS AND CONNECTOR (DEICER RELAY - WINDSHIELD DEICER WIRE (WINDSHIELD GLASS))

(a) Disconnect A59 windshield deicer wire (windshield glass) connector.

*a

DEICER Relay Holder

(b) Measure the resistance according to the value(s) in the table below.

Standard Resistance:

Tester Connection

Condition

Specified Condition

DEICER relay holder terminal 3 - A59-1 (B)

Always

Below 1 Ω

DEICER relay holder terminal 3 - Body ground

Always

10 kΩ higher

NG

REPAIR OR REPLACE HARNESS OR CONNECTOR

OK

10.

CHECK WIRE HARNESS AND CONNECTOR (WINDSHIELD DEICER WIRE (WINDSHIELD GLASS) - BODY GROUND)

(a) Measure the resistance according to the value(s) in the table below.

Standard Resistance:

Tester Connection

Condition

Specified Condition

A59-2 (E) - Body ground

Always

Below 1 Ω

OK

REPLACE WINDSHIELD DEICER WIRE (WINDSHIELD GLASS)

NG

REPAIR OR REPLACE HARNESS OR CONNECTOR

READ NEXT:

 Windshield Deicer System (for Hv Model)

 Precaution

PRECAUTION PRECAUTION FOR DISCONNECTING CABLE FROM NEGATIVE AUXILIARY BATTERY TERMINAL NOTICE: When disconnecting the cable from the negative (-) auxiliary battery terminal, initialize the following s

 Parts Location

PARTS LOCATION ILLUSTRATION *1 DEICER RELAY *2 NO. 2 ENGINE ROOM RELAY BLOCK AND NO. 2 ENGINE ROOM JUNCTION BLOCK ASSEMBLY - DEICER FUSE *3 MULTI-DISPLAY ASSEMBLY - FRONT WIPER DEICER

SEE MORE:

 Ignition Circuit

DESCRIPTION A direct ignition system is used on this vehicle. The direct ignition system is a 1 cylinder ignition system which ignites one cylinder with one ignition coil. In the 1 cylinder ignition system, one spark plug is connected to the end of the secondary winding. High voltage is generated in

 Touch Pad Vibration Driver Malfunction (B155A)

DESCRIPTION This DTC is stored if the remote touch (remote operation controller assembly) detects a malfunction in itself, such as internal hardware failure or remote touch screen vibration driver malfunction. DTC No. Detection Item DTC Detection Condition Trouble Area B155A Touch Pad

© 2016-2026 Copyright www.lexguide.net