Lexus ES manuals

Lexus ES: There is No Sound Made

DESCRIPTION

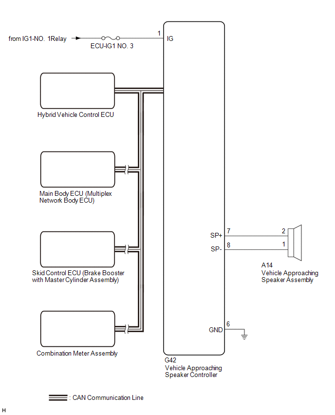
Based on signals received from each ECU, the vehicle approaching speaker controller outputs warning sounds through the vehicle approaching speaker assembly.

WIRING DIAGRAM

CAUTION / NOTICE / HINT

NOTICE:

  • Inspect the fuses for circuits related to this system before performing the following procedure.
  • The vehicle proximity notification system uses the CAN communication system. Inspect the communication functions by following How to Proceed with Troubleshooting. Troubleshoot the automatic high beam system after confirming that the communication systems are functioning properly.

    Click here

PROCEDURE

1.

CHECK FOR DTC

(a) Connect the Techstream to the DLC3.

(b) Turn the power switch on (IG).

(c) Turn the Techstream on.

(d) Enter the following menus: Body Electrical / Vehicle Proximity Notification System / Trouble Codes.

Body Electrical > Vehicle Proximity Notification System > Trouble Codes

(e) Check for DTCs.

Result

Proceed to

DTC B1350 is not output

A

DTC B1350 is output

B

B

GO TO DTC CHART B1350

A

2.

PERFORM ACTIVE TEST USING TECHSTREAM

(a) Connect the Techstream to the DLC3.

(b) Turn the power switch on (IG).

(c) Turn the Techstream on.

(d) Enter the following menus: Body Electrical / Vehicle Proximity Notification System / Active Test.

(e) Perform the Active Test according to the display on the Techstream.

Body Electrical > Vehicle Proximity Notification System > Active Test

Tester Display

Measurement Item

Control Range

Diagnostic Note

Proximity Sound (Vehicle Stationary)

0 km/h (0 mph) vehicle proximity warning sound

OFF or ON

-

Body Electrical > Vehicle Proximity Notification System > Active Test

Tester Display

Proximity Sound (Vehicle Stationary)

Result

Proceed to

The warning sound is produced

A

The warning sound is not produced

B

A

REPLACE VEHICLE APPROACHING SPEAKER CONTROLLER

B

3.

CHECK HARNESS AND CONNECTOR (VEHICLE APPROACHING SPEAKER CONTROLLER - POWER SOURCE AND BODY GROUND)

(a) Disconnect the G42 vehicle approaching speaker controller connector.

(b) Measure the voltage according to the value(s) in the table below.

Standard Voltage:

Tester Connection

Condition

Specified Condition

G42-1 (IG) - Body ground

Power switch on (IG)

11 to 14 V

(c) Measure the resistance according to the value(s) in the table below.

Standard Resistance:

Tester Connection

Condition

Specified Condition

G42-6 (GND) - Body ground

Always

Below 1 Ω

OK

REPLACE VEHICLE APPROACHING SPEAKER CONTROLLER

NG

REPAIR OR REPLACE HARNESS OR CONNECTOR

READ NEXT:

 Window / Glass

 Back Window Glass

 Components

COMPONENTS ILLUSTRATION *A w/o Rear Sunshade *B w/ Rear Sunshade *1 CENTER STOP LIGHT SET *2 NO. 2 PACKAGE TRAY TRIM PANEL ASSEMBLY *3 PACKAGE TRAY TRIM PANEL ASSEMBLY *4

SEE MORE:

 A/F (O2) Sensor Signal Biased/Stuck Lean Bank 1 Sensor 1 Circuit Current Above Threshold (P219519,P219524,P219618,P219623,P219719,P219724,P219818,P219823)

DESCRIPTION HINT: Although the DTC titles say oxygen sensor, these DTCs relate to the air fuel ratio sensor. The air fuel ratio sensor generates voltage* that corresponds to the actual air fuel ratio. This sensor voltage is used to provide the ECM with feedback so that it can control the air fuel ra

 Lost Communication with Steering Heater ECU (B14B7)

DESCRIPTION The heated steering wheel controller (steering vibration ECU) communicates with the air conditioning amplifier assembly via LIN communication. B14B7 is output when a communication malfunction is detected with the air conditioner amplifier assembly and heated steering wheel controller (st

© 2016-2026 Copyright www.lexguide.net