Lexus ES: System Diagram
SYSTEM DIAGRAM

w/ Parking Assist Monitor System
.png)
w/ Panoramic View Monitor System
.png)
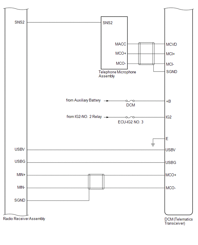
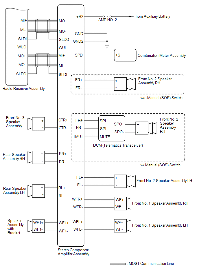
w/o Manual (SOS) Switch

w/ Manual (SOS) Switch

w/ Manual (SOS) Switch

for 10 Speakers

for 17 Speakers

for 17 Speakers
.png)
READ NEXT:
TERMINALS OF ECU HINT: Check from the rear of the connector while it is connected to the components. RADIO RECEIVER ASSEMBLY Terminal No. (Symbol) Wiring Color Terminal Description Condition
DESCRIPTION These DTCs are stored when a malfunction occurs in the CAN communication circuit. DTC No. Detection Item DTC Detection Condition Trouble Area U0073 Sending Malfunction (Navi
DESCRIPTION When a USB device or "iPod" is connected to the USB jack of the No. 1 stereo jack adapter assembly, it must have playable files. The device must also communicate with and be recognized by
SEE MORE:
SYSTEM DESCRIPTION LUGGAGE COMPARTMENT DOOR OPENER SYSTEM DESCRIPTION (a) If the trunk and fuel switch assembly (luggage compartment door opening switch) is pressed and the luggage compartment door is closed, a luggage compartment door lock assembly open operation signal is sent to the main body ECU
ADJUSTMENT CAUTION / NOTICE / HINT The necessary procedures (adjustment, calibration, initialization, or registration) that must be performed after completing the front wheel alignment procedure are shown below. Necessary Procedures After Procedure Performed Replaced Part or Performed Procedure
© 2016-2025 Copyright www.lexguide.net
