Lexus ES: System Diagram
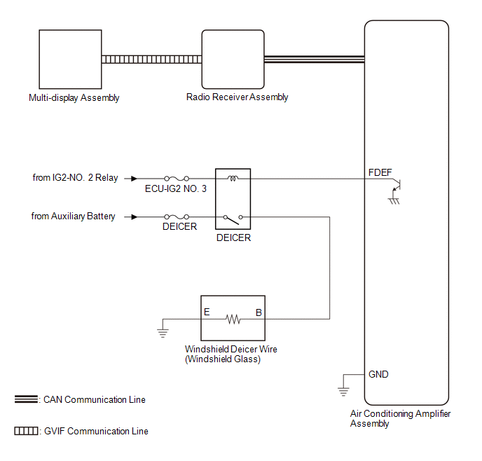
SYSTEM DIAGRAM
| Sender | Receiver | Signal | Communication Method |
| Radio Receiver Assembly | Air Conditioning Amplifier Assembly | Front wiper deicer switch signal | CAN |
READ NEXT:
SYSTEM DESCRIPTION GENERAL The windshield deicer system uses thin heater wires attached to the inside of the windshield glass to help deice the window surface more quickly. An indicator light illumina
CAUTION / NOTICE / HINT HINT:
Use the following procedure to troubleshoot the windshield deicer system.
*: Use the Techstream.
PROCEDURE 1. VEHICLE BROUGHT TO WORKSHOP
NEXT
OPERATION CHECK CHECK WINDSHIELD DEICER SYSTEM (a) Turn the power switch on (IG). (b) Check that the windshield deicer wire (windshield glass) becomes warm by operating the front wiper deicer switch.
SEE MORE:
DESCRIPTION The DC/DC converter varies output voltage based on voltage change signals (VLO signal line) received from the motor generator control ECU. If the vehicle is being driven with an inoperative DC/DC converter, the voltage of the auxiliary battery will drop, which will prevent the continued
DTC SUMMARY MALFUNCTION DESCRIPTION The main CPU and sub CPU of the hybrid vehicle control ECU monitor their internal operation and each other for malfunctions. The cause of this malfunction may be the following: Hybrid vehicle control ECU internal malfunction
Hybrid vehicle control ECU malfuncti
© 2016-2026 Copyright www.lexguide.net
