Lexus ES: System Diagram
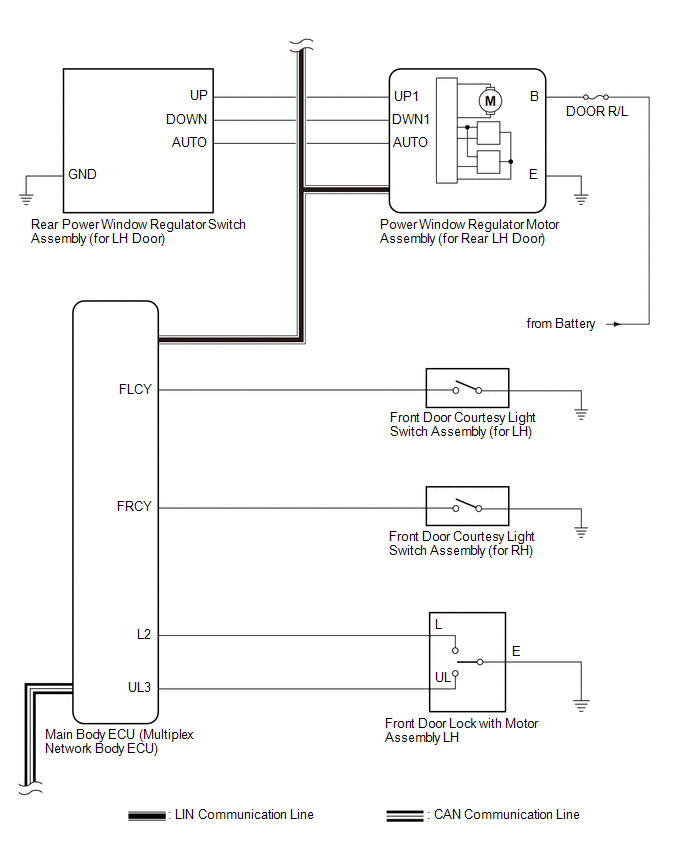
SYSTEM DIAGRAM

Communication Table
| Transmitting ECU | Receiving ECU | Signal | Communication Method |
| Multiplex Network Master Switch Assembly | Power Window Regulator Motor Assembly (for Driver Door) | Power window auto up and down signal | LIN |
-
Power Window Regulator Motor Assembly (for Front Passenger Door)
-
Power Window Regulator Motor Assembly (for Rear LH Door)
-
Power Window Regulator Motor Assembly (for Rear RH Door)
| Power window remote up and down signal | LIN |
| Main Body ECU (Multiplex Network Body ECU) | -
Power Window Regulator Motor Assembly (for Driver Door)
-
Power Window Regulator Motor Assembly (for Front Passenger Door)
-
Power Window Regulator Motor Assembly (for Rear LH Door)
-
Power Window Regulator Motor Assembly (for Rear RH Door)
| Power window operation permission signal | LIN |
| Certification ECU (Smart Key ECU Assembly) | Main Body ECU (Multiplex Network Body ECU) | Wireless power window operation signal | CAN |
| Main Body ECU (Multiplex Network Body ECU) | Combination Meter Assembly | Window open warning request signal | CAN |
READ NEXT:
SYSTEM DESCRIPTION POWER WINDOW CONTROL SYSTEM DESCRIPTION (a) The power window control system controls the power window operation using the power window regulator motor assemblies. The main controls
CAUTION / NOTICE / HINT HINT:
Use the following procedure to troubleshoot the power window control system.
*: Use the Techstream.
PROCEDURE 1. VEHICLE BROUGHT TO WORKSHOP
NEXT
OPERATION CHECK CHECK WINDOW LOCK FUNCTION HINT: Before performing the window lock switch operation check, make sure that the window lock switch is off (the switch is not pushed in). (a) Turn the win
SEE MORE:
ADJUSTMENT CAUTION / NOTICE / HINT The necessary procedures (adjustment, calibration, initialization, or registration) that must be performed after completing the rear wheel alignment procedure are shown below. Necessary Procedures After Procedure Performed Replaced Part or Performed Procedure
PROBLEM SYMPTOMS TABLE HINT:
Use the table below to help determine the cause of problem symptoms. If multiple suspected areas are listed, the potential causes of the symptoms are listed in order of probability in the "Suspected Area" column of the table. Check each symptom by checking the suspect
© 2016-2025 Copyright www.lexguide.net
