Lexus ES: System Diagram
SYSTEM DIAGRAM
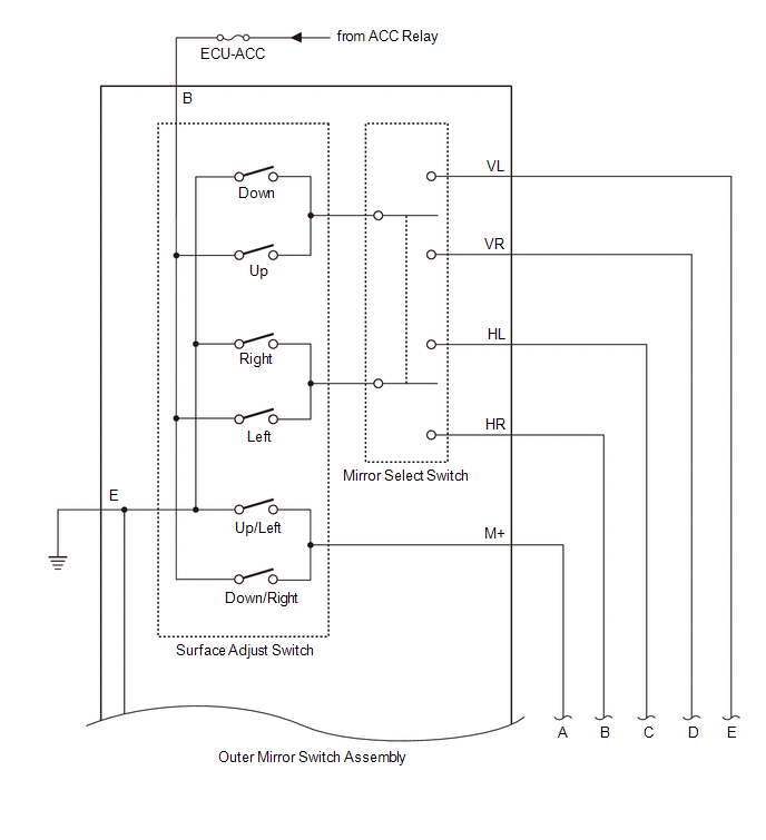
ELECTRICAL REMOTE CONTROL MIRROR FUNCTION
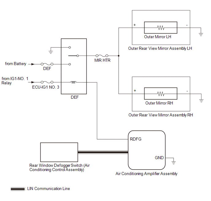
MIRROR HEATER FUNCTION
AUTOMATIC GLARE-RESISTANT EC MIRROR FUNCTION

Communication Table
| Sender | Receiver | Signal | Communication Method |
| Air Conditioning Control Assembly | Air Conditioning Amplifier Assembly | Mirror heater switch (rear window defogger switch) signal | LIN |
READ NEXT:
SYSTEM DESCRIPTION POWER MIRROR CONTROL SYSTEM (w/o Memory) DESCRIPTION (a) This system has the following functions: electrical remote control mirror function, power retract mirror function, mirror he
CAUTION / NOTICE / HINT HINT:
Use the following procedure to troubleshoot the power mirror control system (w/o Memory).
*: Use the Techstream.
PROCEDURE 1. VEHICLE BROUGHT TO WORKSHOP
OPERATION CHECK CHECK ELECTRICAL REMOTE CONTROL MIRROR FUNCTION (a) Turn the engine switch on (IG). (b) With L on the mirror select switch selected, check that the outer rear view mirror assembly LH s
SEE MORE:
REMOVAL CAUTION / NOTICE / HINT The necessary procedures (adjustment, calibration, initialization or registration) that must be performed after parts are removed and installed, or replaced during level warning switch assembly removal/installation are shown below. Necessary Procedure After Parts Remo
INSTALLATION PROCEDURE 1. INSTALL NO. 1 FUEL TANK CUSHION (for TMMK Made) (a) Install 2 new No. 1 fuel tank cushions to the fuel tank assembly. 2. INSTALL NO. 2 FUEL TANK CUSHION (for TMMK Made) (a) Install a new No. 2 fuel tank cushion to the fuel tank assembly. 3. INSTALL FUEL TANK MAIN TUBE SUB-A
© 2016-2025 Copyright www.lexguide.net
