Lexus ES: System Diagram
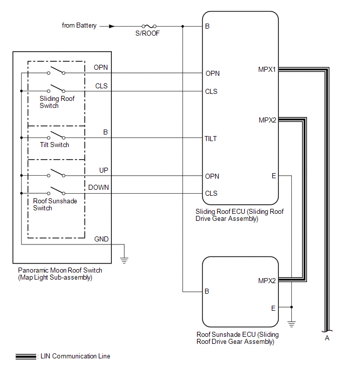
SYSTEM DIAGRAM

Communication Table
| Sender | Receiver | Signal | Line |
| Main Body ECU (Multiplex Network Body ECU) | Sliding Roof ECU (Sliding Roof Drive Gear Assembly) | -
Sliding roof operation permission signal
-
IG signal
-
Front door courtesy light switch assembly signal
-
Vehicle speed signal
| LIN |
| Main Body ECU (Multiplex Network Body ECU) | Roof Sunshade ECU (Sliding Roof Drive Gear Assembly) | -
Roof sunshade operation permission signal
-
IG signal
-
Vehicle speed signal
| LIN |
| Sliding Roof ECU (Sliding Roof Drive Gear Assembly) | Main Body ECU (Multiplex Network Body ECU) | Sliding roof glass position signal | LIN |
| Sliding Roof ECU (Sliding Roof Drive Gear Assembly) | Roof Sunshade ECU (Sliding Roof Drive Gear Assembly) | -
Sliding roof position signal
-
Sliding roof reverse signal
-
Sliding roof malfunction status signal
-
Sliding roof auto operation availability status signal
-
Roof sunshade switch signal
| LIN |
| Roof Sunshade ECU (Sliding Roof Drive Gear Assembly) | Sliding Roof ECU (Sliding Roof Drive Gear Assembly) | -
Roof sunshade position signal
-
Roof sunshade reverse signal
-
Roof sunshade malfunction status signal
| LIN |
| Combination Meter Assembly | Main Body ECU (Multiplex Network Body ECU) | Vehicle speed signal | CAN |
| Main Body ECU (Multiplex Network Body ECU) | Combination Meter Assembly | Sliding roof open warning request signal | CAN |
READ NEXT:
SYSTEM DESCRIPTION PANORAMIC MOON ROOF SYSTEM DESCRIPTION (a) The panoramic moon roof system controls the sliding roof operation using the sliding roof ECU (sliding roof drive gear assembly) and roof
CAUTION / NOTICE / HINT HINT:
Use the following procedure to troubleshoot the panoramic moon roof system.
*: Use the Techstream.
PROCEDURE 1. VEHICLE BROUGHT TO WORKSHOP
NEXT
OPERATION CHECK CHECK AUTO OPERATION FUNCTION (FOR SLIDING ROOF) NOTICE:
Make sure that initialization has been completed before performing this inspection.
Click here
The sliding roof auto ope
SEE MORE:
INSTALLATION PROCEDURE 1. INSTALL FRONT DRIVE SHAFT HOLE SNAP RING (a) Install a new front drive shaft hole snap ring. NOTICE: Face the end gap of the front drive shaft hole snap ring downward. 2. INSTALL FRONT DRIVE SHAFT ASSEMBLY LH (a) Coat the snap ring of the front drive inboard joint assembly
DESCRIPTION The fuel pump control ECU performs PWM (Pulse Width Modulation) control to control the fuel pump (for low pressure side) speed steplessly over a wide range. The fuel pump control ECU controls the speed of the fuel pump (for low pressure side) by switching the current of FPU, FPV and FPW
© 2016-2025 Copyright www.lexguide.net
