Lexus ES: System Diagram
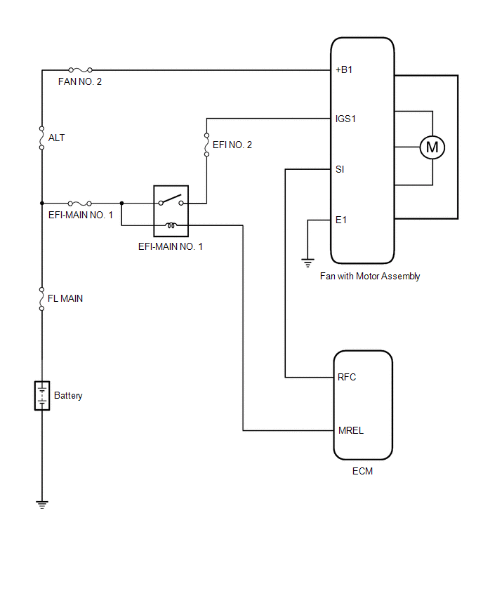
SYSTEM DIAGRAM

READ NEXT:
PROBLEM SYMPTOMS TABLE HINT:
Use the table below to help determine the cause of problem symptoms. If multiple suspected areas are listed, the potential causes of the symptoms are listed in order of
ON-VEHICLE INSPECTION PROCEDURE 1. INSPECT COOLING FAN SYSTEM CAUTION: To prevent injury due to contact with an operating cooling fan, keep your hands and clothing away from the cooling fan when inspe
DESCRIPTION The ECM calculates an appropriate cooling fan speed based on the engine coolant temperature, air conditioning switch status, refrigerant pressure, engine speed and vehicle speed, and sends
SEE MORE:
WIRING DIAGRAM CAUTION / NOTICE / HINT NOTICE:
Depending on the parts that are replaced during vehicle inspection or maintenance, performing initialization, registration or calibration may be needed. Refer to Precaution for Navigation System.
Click here
When replacing the radio receiver ass
INSTALLATION PROCEDURE 1. INSTALL TELEPHONE ANTENNA ASSEMBLY (for Moon Roof) (a) When reusing the telephone antenna assembly: (1) Install a new seal. (b) Push the telephone antenna assembly in the direction indicated by the arrow (1) shown in the illustration to engage the guide. Install in t
© 2016-2026 Copyright www.lexguide.net
