Lexus ES: System Diagram
SYSTEM DIAGRAM

READ NEXT:
TERMINALS OF ECU CHECK PARKING BRAKE ECU (BRAKE ACTUATOR ASSEMBLY) *a Front view of wire harness connector (to Parking Brake ECU (Brake Actuator Assembly)) - - (a) Disconnect the A54 park
TEST MODE PROCEDURE *1 Rear Disc Brake Piston *2 Nut *a The nut moves inward in pad replacement mode REAR BRAKE PAD REPLACEMENT MODE HINT: When replacing the rear disc brake pad a
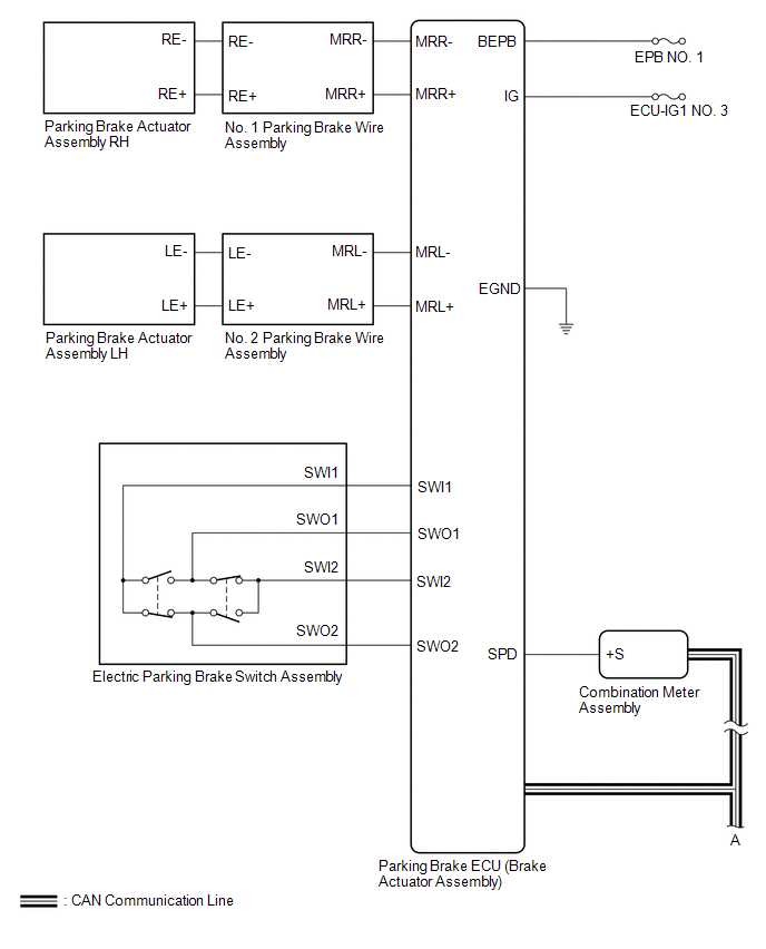
DESCRIPTION The parking brake ECU (brake actuator assembly) communicates with the hybrid vehicle control ECU assembly, skid control ECU (brake booster with master cylinder assembly) and deceleration s
SEE MORE:
REMOVAL CAUTION / NOTICE / HINT The necessary procedures (adjustment, calibration, initialization, or registration) that must be performed after parts are removed and installed, or replaced during front drive shaft assembly removal/installation are shown below. Necessary Procedures After Parts Remov
TERMINALS OF ECM HINT: The standard voltage, resistance and waveform between each pair of the ECM terminals is shown in the table below. The appropriate conditions for checking each pair of the terminals is also indicated. The result of checks should be compared with the standard voltage, resistanc
© 2016-2025 Copyright www.lexguide.net
