Lexus ES manuals

Lexus ES: System Description

SYSTEM DESCRIPTION

DISC PLAYER OUTLINE

(a) A disc player uses a laser pickup to read digital signals recorded on a disc. By converting the digital signals to analog, it can play music and audio.

CAUTION:

Do not look directly at the laser pickup because the disc player uses an invisible laser beam. Be sure to operate the player only as instructed.

NOTICE:

  • Do not disassemble any part of the disc player.
  • Do not apply oil to the disc player.
  • Do not insert anything but a disc into the disc player.

(b) This player can play only audio CDs, CD-Rs (CD-Recordable) and CD-RWs (CD-ReWritable) that have any of the following marks:

(c) The following products may not be playable on your player.

  • SACD
  • dts CD
  • Copy-protected CD

(d) Precautions for use of discs

NOTICE:

  • CD-Rs and CD-RWs may not be played depending on the recording conditions or characteristics of the discs, or due to damage, dirt or deterioration caused by leaving the discs in the cabin for a long time.
  • Unfinalized CD-Rs and CD-RWs cannot be played.
  • CD-Rs and CD-RWs are more easily affected by a hot and humid environment than discs used for normal audio CDs. For this reason, some CD-Rs and CD-RWs may not be played.
  • If there are fingerprints or scratches on a disc, the disc may not be played or the disc may skip.
  • Some CD-Rs and CD-RWs may deteriorate if they are left in the cabin for a long time.
  • Keep CD-Rs and CD-RWs in an opaque case.
  • DualDiscs that mate DVD recorded material on one side with CD digital audio material on the other cannot be played.
  • Keep discs away from dirt. Be careful not to damage discs or leave fingerprints on them.
  • Hold discs by the outer edge and center hole with the label side up.
  • Leaving a disc exposed halfway out of the slot for a long time after pressing the disc eject button may cause deformation of the disc, making the disc unusable.
  • If a disc has adhesive tape, stickers, disc labels or any traces of such labels attached, the disc may not be ejected or player malfunctions may result.
  • Keep discs away from direct sunlight. (Exposure to direct sunlight may cause deformation of a disc, making the disc unusable.)
  • Do not use odd-shaped discs because these may cause player malfunctions.
  • Do not use discs whose recording portion is transparent or translucent because they may not be inserted, ejected or played normally.
  • Use only 4.7 in. (12 cm) discs.
  • Do not use 3 in. (8 cm) discs either with or without adaptors.

HINT:

  • When it is cold or raining, if the windows fog up, mist and condensation may form in the player. In such cases, a disc may skip or stop in the middle of play. Ventilate or dehumidify the cabin for a while before using the player.
  • A disc may skip if the player experiences strong vibrations when the vehicle is driven on rough roads or similar uneven surfaces.

(e) Cleaning

NOTICE:

Do not use a lens cleaner because it may cause a malfunction in the pickup portion of the player.

(1) If dirt is on the disc surface, wipe it clean with a soft dry cloth, such as an eyeglass cleaner for plastic lenses, from the inside to the outside in a radial direction.

NOTICE:

  • Pressing on the disc by hand or rubbing the disc with a hard cloth may scratch the disc surface.
  • Use of solvents such as record spray, antistatic agents, alcohol, benzine, thinners or a chemical cloth may cause damage to the disc, making the disc unusable.

USB AUDIO SYSTEM FUNCTION OUTLINE

(a) The No. 1 stereo jack adapter assembly is equipped with a USB connector. Connecting a USB device or "iPod" to the No. 1 stereo jack adapter assembly allows music files to be played. Not only is it possible to play music from a USB device with audio functions, it is also possible to play MP3, WMA, AAC, WAV (LPCM), FLAC, ALAC or OGG Vorbis music files that are stored on a USB device. In addition, "iPod" control software is installed, allowing file selection from playlists and operation using shuffle mode.

HINT:

Operation through the controls of a USB device or "iPod" cannot be performed while it is connected.

(b) USB audio system compatible devices

(1) USB device

The following device formats can be used:

Compatible USB device formats

  • USB communication format: USB 2.0 HS (480 Mbps)
  • File format: FAT16/32 (Windows)
  • Class: Mass storage class

MP3, WMA, AAC, WAV (LPCM), FLAC, ALAC or OGG Vorbis files written to a USB device with any format other than those listed above may not be played correctly, and their names and folder names may not be displayed correctly.

Items related to standards and limitations are as follows:

  • Maximum directory hierarchy: 8 levels
  • Maximum number of folders in device: 3000 (including the root folder)
  • Maximum number of files in device: 9999
  • Maximum number of files per folder: 255

(2) "iPod"

"iPhone", "iPod nano" and "iPod touch" are trademarks of Apple Inc., registered in the U.S. and other countries.

The following "iPod nano", "iPod touch" and "iPhone" devices can be used with this system.

Made for:

  • "iPhone X"
  • "iPhone 8"
  • "iPhone 8 Plus"
  • "iPhone 7"
  • "iPhone 7 Plus"
  • "iPhone SE"
  • "iPhone 6s"
  • "iPhone 6s Plus"
  • "iPhone 6"
  • "iPhone 6 Plus"
  • "iPhone 5s"
  • "iPhone 5c"
  • "iPhone 5"
  • "iPhone 4s"
  • "iPod touch" (6th generation)
  • "iPod touch" (5th generation)
  • "iPod nano" (7th generation)

HINT:

  • This system only supports audio playback.
  • Depending on differences between models or software versions etc., some models might be incompatible with this system.

USB VIDEO SYSTEM FUNCTION OUTLINE

(a) Playable video file standards

File format

MPEG-4, AVI Container, Windows Media Video

Corresponding screen size

MAX 1920 x 1080

Corresponding frame rate

MAX 60i/30p

HIGH-RESOLUTION SOUND SOURCE OUTLINE

(a) This device supports high-resolution sound sources.

(b) The definition of high-resolution is based on the standards of groups such as the CTA (Consumer Technology Association).

(c) The following formats and media can be used:

Supported formats

WAV (LPCM), FLAC, ALAC, OGG Vorbis

Playable media

USB

FILE INFORMATION OUTLINE

(a) Playable MP3 file standards

Compatible standard

MPEG1 LAYER3, MPEG2 LSF LAYER3

Compatible sampling frequency

  • MPEG1 LAYER3: 32, 44.1, 48 (kHz)
  • MPEG2 LSF LAYER3: 16, 22.05, 24 (kHz)

Compatible bit rate

  • MPEG1 LAYER3: 32 to 320 (kbps)
  • MPEG2 LSF LAYER3: 8 to 160 (kbps)
  • Compatible with VBR

Compatible channel mode

Stereo, joint stereo, dual channel, monaural

(b) Playable WMA file standards

Compatible standard

WMA Ver. 7, 8, and 9

Compatible sampling frequency

32, 44.1, 48 (kHz)

Compatible bit rate (Only compatible with 2-channel playback)

  • Ver. 7, 8: CBR48 to 192 (kbps)
  • Ver. 9: CBR48 to 320 (kbps)
  • Compatible with VBR

(c) Playable AAC file standards

Compatible standard

MPEG4/AAC-LC

Compatible sampling frequency

11.025, 12, 16, 22.05, 24, 32, 44.1, 48 (kHz)

Compatible bit rate

  • 8 to 320 (kbps)
  • Compatible with VBR

(d) Playable WAV (LPCM) file standards*

*: Files with a sample rate higher than 48kHz are down-converted to 48kHz/24bit.

Compatible sampling frequency

8/11.025/12/16/22.05/24/32/44.1/48/88.2/96/176.4/192 (kHz)

Compatible bit rate

16/24 (bit)

(e) Playable FLAC file standards*

*: Files with a sample rate higher than 48kHz are down-converted to 48kHz/24bit.

Compatible sampling frequency

8/11.025/12/16/22.05/24/32/44.1/48/88.2/96/176.4/192 (kHz)

Compatible bit rate

16/24 (bit)

(f) Playable ALAC file standards*

*: Files with a sample rate higher than 48kHz are down-converted to 48kHz/24bit.

Compatible sampling frequency

8/11.025/12/16/22.05/24/32/44.1/48/64/88.2/96 (kHz)

Compatible bit rate

16/24 (bit)

(g) Playable OGG Vorbis file standards*

*: Files with a sample rate higher than 48kHz are down-converted to 48kHz/24bit.

Compatible sampling frequency

8/11.025/16/22.05/32/44.1/48 (kHz)

Compatible bit rate

  • 32-500 (kbps)
  • Compatible with VBR

(h) ID3 tag, WMA tag, AAC tag, TAG and Vorbis comment

(1) Additional text information called an ID3 tag can be input to MP3 files. Information such as song titles and artist names can be stored.

HINT:

This player is compatible with ID3 tags of ID3 Ver. 1.0 and 1.1, and ID3 Ver. 2.2 and 2.3. (Number of characters complies with ID3 Ver. 1.0 and 1.1, and ID3 Ver. 2.2 and 2.3)

(2) Additional text information called a WMA tag can be input to WMA files. Information such as song titles and artist names can be stored.

(3) Additional text information called an AAC tag can be input to AAC files. Information such as song titles and artist names can be stored.

(4) Additional text information called a TAG can be input to WAV (LPCM), FLAC, ALAC files. Information such as song titles and artist names can be stored.

(5) Additional text information called a Vorbis comment can be input to OGG Vorbis files. Information such as song titles and artist names can be stored.

(i) Usable media

(1) Only CD-ROMs, CD-Rs (CD-Recordable), CD-RWs (CD-ReWritable) and USB devices can be used to play MP3/WMA/AAC files.

NOTICE:

  • CD-Rs and CD-RWs are more easily affected by a hot and humid environment than discs used for normal audio CDs. For this reason, some CD-Rs and CD-RWs may not be played.
  • If there are fingerprints or scratches on a disc, the disc may not be played or may skip.
  • Some CD-Rs and CD-RWs may deteriorate if they are left in the cabin for a long time.
  • Keep CD-Rs and CD-RWs in an opaque case.

(2) Only USB devices can be used to play WAV (LPCM)/FLAC/ALAC/OGG Vorbis files.

(j) Usable media format

(1) Usable media format

Disc format

CD-ROM Mode 1, CD-ROM XA Mode 2 Form 1

File format

  • ISO9660 Level 1 and Level 2 (Joliet, Romeo)
  • UDF2.01 (Universal Disk Format)

HINT:

  • MP3/WMA/AAC files written in any unlisted format may not be played normally or the file names or folder names may not be displayed correctly.
  • This player is compatible with multi-session discs and can play CD-Rs and CD-RWs on which MP3/WMA/AAC files have been added. However, only the first session can be played.
  • Discs whose first session includes both music data and MP3, WMA and AAC format data may not be played.

(2) Standards and restrictions

Maximum directory levels

8 levels

Maximum number of characters for a folder name/file name

32 characters

Maximum number of folders

192 (Including empty folders, root folders, and folders that do not contain MP3/WMA/AAC files)

Maximum number of files in a disc

255 (Including non-MP3/WMA/AAC files)

(k) File names

(1) Only files with an extension of ".mp3", ".wma", ".m4a", ".wav", ".flac", ".alac", ".ogg" and ".oga" can be recognized and played as MP3, WMA, AAC, WAV (LPCM), FLAC, ALAC or OGG Vorbis files.

(2) Save MP3, WMA, AAC, WAV (LPCM), FLAC, ALAC or OGG Vorbis files with an extension of ".mp3", ".wma", ".m4a", ".wav", ".flac", ".alac", ".ogg" or ".oga".

NOTICE:

If non-MP3, non-WMA, non-AAC, non-WAV (LPCM), non-FLAC, non-ALAC or non-OGG Vorbis files are saved with an extension of ".mp3", ".wma", ".m4a", ".wav", ".flac", ".alac", ".ogg" or ".oga", those files may be wrongly recognized as MP3, WMA, AAC, WAV (LPCM), FLAC, ALAC or OGG Vorbis files and played. A loud noise may occur and damage to the speakers may result.

"Bluetooth" OUTLINE

*1

Radio Receiver Assembly

(Built-in "Bluetooth" Antenna)

-

-

*a

Example

*b

Cellular Network

*c

Cellular Phone

("Bluetooth" Compatible Type)

*d

Portable Audio Player

("Bluetooth" Compatible Type)

*e

"Bluetooth" Wireless Connection

-

-

(a) "Bluetooth" is a trademark owned by Bluetooth SIG, Inc.

(b) "Bluetooth" is a wireless connection technology that uses the 2.4 GHz frequency band.

HINT:

The communication performance of "Bluetooth" may vary depending on obstructions or radio wave conditions between communication devices, electromagnetic radiation, communication device sensitivity or antenna capacity.

(c) Hands-free function

(1) The "Bluetooth" built-in radio receiver assembly and a "Bluetooth" compatible cellular phone* can be connected using a "Bluetooth" wireless connection. This enables the use of the hands-free function on the cellular phone even if the phone is in a pocket or bag. For this reason, it is not necessary to use a connector or cable to connect the cellular phone.

*: Some versions of "Bluetooth" compatible cellular phones may not function properly.

(2) The hands-free function uses a "Bluetooth" wireless connection. A "Bluetooth" wireless connection can be affected by uncertain elements, such as vehicle location, time of day, etc. Therefore, problems related to establishing connection may be caused temporarily by "Bluetooth" connection conditions. It is necessary to check the frequency of occurrence, connection conditions using another cellular phone, etc. when performing diagnosis.

(3) Compatible hands-free devices

Required "Bluetooth" specifications

Ver. 2.0 or higher (Ver. 4.2 recommended)

Compatible profiles

  • HFP (Hands-Free Profile) Ver. 1.0 or higher (Ver. 1.7 or higher recommended)*1
  • OPP (Object Push Profile) Ver. 1.0 or higher (Ver. 1.2 or higher recommended)*2
  • PBAP (Phone Book Access Profile) Ver. 1.0 or higher (Ver. 1.2 or higher recommended)*2
  • MAP (Message Access Profile) Ver. 1.0 or higher (Ver. 1.2 or higher recommended)*3
  • SPP (Serial Port Profile) Ver. 1.2*4

Maximum number of hands-free devices that can be registered (including audio devices)

5

  • *1: This profile is necessary when using the hands-free function.
  • *2: This profile is necessary when transferring the phonebook data.
  • *3: This profile is necessary when using the message function (w/ SMS/MMS/e-mail Function).
  • *4: This profile is necessary when using the LEXUS App Suite function.

HINT:

The amount of remaining battery charge displayed on the radio receiver assembly may be different from that of the "Bluetooth" device.

(d) "Bluetooth" audio function

(1) The "Bluetooth" built-in radio receiver assembly and a "Bluetooth" compatible portable audio player* can be connected using a "Bluetooth" wireless connection. This enables files stored in the portable audio player to be heard from the vehicle speakers. In addition, operations such as play/stop can be performed directly from the radio receiver assembly.

*: Some versions of "Bluetooth" compatible audio players may not be able to be connected via the "Bluetooth" function, or music may play, but functions available using the radio receiver assembly may be limited.

(2) Compatible "Bluetooth" audio devices

Required "Bluetooth" specifications

Ver. 2.0 or higher (Ver. 4.2 recommended)

Compatible profiles

  • A2DP (Advanced Audio Distribution Profile) Ver. 1.0 or higher (Ver. 1.3 or higher recommended)
  • AVRCP (Audio/Video Remote Control Profile) Ver. 1.0 or higher (Ver. 1.6 or higher recommended)

Maximum number of audio devices that can be registered (including hands-free devices)

5

RADIO DESCRIPTION

(a) Radio frequency band

(1) Radio broadcasts use the radio frequency bands shown in the table below.

(b) Service area

(1) The service areas of AM and FM broadcasts are vastly different. Sometimes an AM broadcast can be received very clearly but an FM stereo broadcast cannot. FM stereo has the smallest service area, and is prone to pick up static and other types of interference such as noise.

*a

FM (Stereo)

*b

FM (Monaural)

*c

AM

(c) Radio reception problems

HINT:

In addition to static, other problems such as "phasing", "multipath" and "fade out" exist. These problems are not caused by electrical noise, but by the radio signal propagation method itself.

(1) Phasing

AM broadcasts are susceptible to electrical interference and another kind of interference called phasing. Occurring only at night, phasing is the interference created when a vehicle receives 2 radio wave signals from the same transmitter. One signal is reflected off the ionosphere and the other signal is received directly from the transmitter.

*a

Phasing

*b

Ionosphere

(2) Multipath

Multipath is a type of interference created when a vehicle receives 2 radio wave signals from the same transmitter. One signal is reflected off buildings or mountains and the other signal is received directly from the transmitter.

*a

Multipath

(3) Fade out

Fade out is caused by objects (buildings, mountains and other large obstructions) that deflect part of a signal, resulting in a weaker signal when the object is between the transmitter and vehicle. High frequency radio waves, such as FM broadcasts, are easily deflected by obstructions. Low frequency radio waves, such as AM broadcasts, are less likely to be deflected.

*a

Fade Out

(d) Noise problem

Technicians must have a clear understanding about each customer's noise complaint. Use the following table to diagnose noise problems.

Radio Frequency

Noise Occurrence Condition

Presumable Cause

AM

Noise occurs in a specific area

Foreign noise

Noise occurs when listening to an intermittent broadcast

An identical program transmitted from multiple towers can cause noise where the signals overlap

Noise occurs only at night

Signal phasing

FM

Noise occurs while driving in a specific area

Multipath resulting from a change in FM frequency

"HD Radio" FUNCTION OUTLINE (w/ HD Radio Function)

(a) The "HD Radio" system is a radio system that broadcasts in the IBOC (In-Band On-Channel) form that the iBiquity Co. has developed. By expanding the bandwidth per channel of conventional FM/AM bands, digital audio and data signals are additionally transmitted.

"HD Radio" technology is manufactured under license from iBiquity Digital Corporation. U.S. and Foreign Patents. "HD Radio" and the HD and HD Radio logos are proprietary trademarks of iBiquity Digital Corporation.

SiriusXM FUNCTION OUTLINE (w/ SXM Function)

(a) SiriusXM (SXM) satellite radio is a satellite digital radio broadcast provided by SiriusXM Radio Inc. The broadcast (pay-type) is performed through satellites and terrestrial repeater networks. Several unique channels are available, and even if a vehicle changes locations, the same information can be received without breaks. Information such as song names, broadcast station names, etc. can be received.

NOTICE:

To receive pay-type broadcasts, the customer must enter into a pay-type contract with SiriusXM Satellite Radio Inc. After entering into a contract, registration of the Radio ID is necessary. Also, if parts are replaced, the Radio ID must be re-registered.

HINT:

When disconnecting the cable from the negative (-) battery terminal, the broadcast station logo data will be initialized. It takes a while for the broadcast station logo data to be updated to the latest data.

VEHICLE CUSTOMIZATION OUTLINE

(a) Customization of functions can also be performed on the multi-display assembly screen. Refer to Owner's Manual for further information on customizable items for the audio and visual system.

HINT:

  • Items available for customization via the audio and visual system can also be customized by using the Techstream.
  • Some customize parameters displayed on the Techstream will be displayed on the "Vehicle Customization" screen for the audio and visual system. Users can customize these items.

AUTOMATIC SOUND LEVELIZER (ASL) FUNCTION OUTLINE

(a) The Automatic Sound Levelizer (ASL) function automatically adjusts the audio system volume in order to compensate for increased vehicle noise (vehicle noise tends to increase as vehicle speed increases). The ASL adjusts the volume based upon vehicle speed signals sent from the combination meter assembly.

MOBILE ASSISTANT FUNCTION OUTLINE (w/ Mobile Assistant Function)

(a) With a compatible portable device connected via "Bluetooth", this function allows the system to interface directly for voice recognition functions. The steering pad switch assembly is operated to start the Mobile Assistant function and the function is operated by using voice commands.

HINT:

Mobile assistant may not operate or the device may become unresponsive depending on the type of device connected, OS (iOS/Android) version or Google app version.

"Wi-Fi" hotspot OUTLINE (w/ "Wi-Fi" hotspot Function)

HINT:

  • To use the "Wi-Fi" hotspot function, initial setup of the LEXUS App Suite function is necessary.
  • To perform initial setup, refer to http://www.lexus.com/MobileLink/.

(a) "Wi-Fi" is a worldwide wireless communication standard widely used as a short range communication tool.

(b) "Wi-Fi" is a trademark owned by Wi-Fi Alliance, a non-profit industry association.

(c) The radio receiver assembly uses the 2.4 GHz frequency band for "Wi-Fi" communication.

HINT:

The communication performance of "Wi-Fi" may vary depending on obstructions or radio wave conditions between communication devices, electromagnetic radiation, communication device sensitivity or antenna capacity.

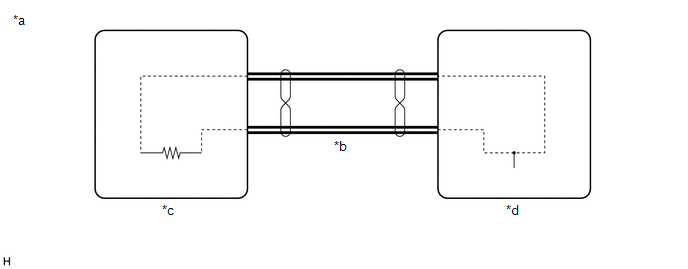
COMMUNICATION SYSTEM

(a) Local Bus Communication Outline

*a

Example

*b

Local Bus Communication Line

*c

Master Unit

*d

Slave Unit

(1) Components of the audio and visual system communicate with each other via the local bus.

(2) The local bus uses a twisted pair of wires for its communication lines.

(3) The master unit of the local bus is the radio receiver assembly.

HINT:

  • The radio receiver assembly has the resistance (108 to 132 Ω) necessary for communication.
  • If a short or open occurs in the local bus circuit, communication is interrupted and the system will not operate normally.

(b) AVC-LAN Outline

*a

Example

*b

AVC-LAN Communication Line

*c

Master Unit

*d

Slave Unit

(1) Components of the audio and visual system communicate with each other via AVC-LAN communication.

(2) The AVC-LAN uses a twisted pair of wires for its communication lines.

(3) The master unit of the AVC-LAN is the radio receiver assembly.

HINT:

  • The radio receiver assembly has the resistance (60 to 80 Ω) necessary for communication.
  • If a short or open occurs in the AVC-LAN circuit, communication is interrupted and the system will not operate normally.

(c) CAN Communication Outline

(1) The audio and visual system uses CAN communication between the radio receiver assembly and ECUs.

DIAGNOSTIC FUNCTION OUTLINE

(a) The audio and visual system has a diagnostic function (the result is indicated on the master unit).

eOwner's MANUAL FUNCTION OUTLINE

(a) The eOwner's Manual can be used by installing it to the radio receiver assembly.

HINT:

Re-install the eOwner's Manual when replacing the radio receiver assembly.

"Apple CarPlay" FUNCTION OUTLINE (w/ "Apple CarPlay" FUNCTION)

(a) The "Apple CarPlay" function is a function that enables the head unit to operate applications on an smartphone by connecting the smartphone to the head unit using a dedicated cable.

HINT:

  • Refer to the owner's manual included with the device for information about "Apple CarPlay" support.
  • Some applications have a display restriction in consideration of safe driving.

"Android Auto" FUNCTION OUTLINE (w/ "Android Auto" Function)

(a) The "Android Auto" function is a function that enables the head unit to operate applications on a smartphone by connecting the smartphone to the head unit using a dedicated cable.

HINT:

  • Refer to the owner's manual included with the device for information about "Android Auto" support.
  • Some applications have a display restriction in consideration of safe driving.

TOUCH FUNCTION CANCELLATION FUNCTION OUTLINE (w/ Touch Function Cancellation Function)

(a) Touch function cancellation function

(1) The touch function cancellation function disables touchpad operation of the remote touch, if it is not operated for 12 seconds or more.

Click here

HINT:

  • Touchpad operation of the remote touch can be resumed if any of the following conditions are met:
    • The "HOME", "MENU", back or sub-function switch of the remote touch is pressed.
    • A finger is slid from one side of the touchpad to the other.
  • When the handwriting input method is being used, it is necessary to enter the next stroke within 12 seconds as touchpad operation will be disabled if the touchpad is not operated for 12 seconds or more.

    (The first touchpad operation to resume operation may also be detected as handwriting input, possibly resulting in a typographical error.)

READ NEXT:

 System Diagram

SYSTEM DIAGRAM w/ Parking Assist Monitor System w/ Panoramic View Monitor System w/ Manual (SOS) Switch w/o Manual (SOS) Switch for 10 Speakers for 17 Speakers

 Terminals Of Ecu

TERMINALS OF ECU HINT: Check from the rear of the connector while it is connected to the components. RADIO RECEIVER ASSEMBLY Terminal No. (Symbol) Wiring Color Terminal Description Condition

 Sending Malfunction (Navigation to APGS) (U0073,U0100,U0129,U0140,U0155,U0164,U0198,U023B,U0265,U1110)

DESCRIPTION These DTCs are stored when a malfunction occurs in the CAN communication circuit. DTC No. Detection Item DTC Detection Condition Trouble Area U0073 Sending Malfunction (Navi

SEE MORE:

 Removal

REMOVAL CAUTION / NOTICE / HINT The necessary procedures (adjustment, calibration, initialization, or registration) that must be performed after parts are removed and installed, or replaced during outer rear view mirror assembly with cover removal/installation are shown below. Necessary Procedure Af

 Switch Lights of Remote Touch Always Illuminate or cannot be Controlled Using Rheostat

DESCRIPTION Power is supplied to the remote touch (remote operation controller assembly) illumination when the light control switch is in the tail or head position. HINT: When the remote touch (remote operation controller assembly) is in self check mode, the switch illumination on the remote touc

© 2016-2025 Copyright www.lexguide.net