Lexus ES manuals

Lexus ES: Stroke Sensor (C1247,C1392)

DESCRIPTION

The brake pedal stroke sensor assembly sends a signal about the pedal stroke to the skid control ECU (brake booster with master cylinder assembly).

DTC No.

Detection Item

INF Code

DTC Detection Condition

Trouble Area

MIL

Note

C1247

Stroke Sensor

211

212

213

214

215

216

217

  • INF Code: 211
    • The sensor supply voltage (VCSK) is 4.7 V or less, or 5.3 V or more for 0.2 seconds or more.
  • INF Code: 212
    • The sensor output voltage 1 (SKS1) is less than 0.3 V, or 4.7 V or more for 0.2 seconds or more.
  • INF Code: 213
    • The sensor output voltage 2 (SKS2) is less than 0.3 V, or 4.7 V or more for 0.2 seconds or more.
  • INF Code: 214
    • The difference between the current value and previous value of the sensor output voltage 1 (SKS1) is 8.5% or more for 0.2 seconds or more.
  • INF Code: 215
    • The difference between the current value and previous value of the sensor output voltage 2 (SKS2) is 8.5% or more for 0.2 seconds or more.
  • INF Code: 216
    • The difference in change between sensor output voltage 1 (SKS1) and sensor output voltage 2 (SKS2) is excessively large for 0.2 seconds or more.

      (The comparison value of SKS1 and SKS2 is invalid.)

  • INF Code: 217
    • Sensor data is invalid for 0.2 seconds or more.

      (The sensor data of SKS1 and SKS2 is invalid.)

  • INF Code: 211
    • Open or short in brake pedal stroke sensor assembly power supply circuit
    • Improperly connected connector, deformation or corrosion of terminals
    • Skid control ECU (brake booster with master cylinder assembly)
  • INF Code: 212, 213, 214, 215, 216, 217
    • Open or short in wire harness
    • Improperly connected connector, deformation or corrosion of terminals
    • Brake pedal stroke sensor assembly

Comes on

  • INF Code 211: SAE Code C0562
  • INF Code 212: SAE Code P057C and P057D
  • INF Code 213: SAE Code P05DD and P05DE
  • INF Code 214: SAE Code P057E
  • INF Code 215: SAE Code P05DF
  • INF Code 216: SAE Code P05E0
  • INF Code 217: SAE Code C124B
  • Electronically controlled brake system DTC

C1392

Zero Point Calibration of Stroke Sensor undone

1124

The brake pedal stroke sensor assembly zero point calibration is not performed.

(Normal brake pedal stroke sensor assembly zero point not memorized.)

Normal brake pedal stroke sensor assembly zero point not memorized.

(Linear solenoid valve offset learning is not performed or Test Mode is not performed or not complete.)

Only DTC C1392 (INF code 1124) is stored: Does not come on

SAE Code C1392 is stored: Comes on

  • INF Code 1124: SAE Code C1392
  • Electronically controlled brake system DTC

HINT:

During Test Mode, related DTCs are cleared (except SAE code).

MONITOR DESCRIPTION

C0562:
  • The skid control ECU (brake booster with master cylinder assembly) monitors the power supply voltage of the brake pedal stroke sensor assembly. When the brake pedal stroke sensor assembly power supply voltage is outside of the normal range, the skid control ECU (brake booster with master cylinder assembly) judges that the power supply is abnormal and illuminates the MIL and stores this DTC.
C124B:
  • When the following conditions are met, the skid control ECU (brake booster with master cylinder assembly) judges that the data from the brake pedal stroke sensor assembly is invalid and illuminates the MIL and stores this DTC.
    1. Brake pedal stroke sensor assembly related DTCs (C0562, P057D, P05DE, P057C, P05DD, P05E0, P057E and P05DF) are not stored.
    2. When related malfunction DTCs are not stored, the skid control ECU (brake booster with master cylinder assembly) continuously detects a brake pedal stroke sensor assembly malfunction.
SAE Code C1392:
  • After any of the following situations, if the zero point of the brake pedal stroke sensor 1 or brake pedal stroke sensor 2 has not been learned and the vehicle is being driven at a certain speed or more, the skid control ECU (brake booster with master cylinder assembly) judges that the zero point of the brake pedal stroke sensor is uncalibrated and illuminates the MIL and stores this DTC.
    1. The skid control ECU (brake booster with master cylinder assembly) has been replaced with a new one.
    2. After the brake actuator assembly, brake pedal stroke sensor assembly or brake pedal is removed and installed or replaced, the zero point is cleared.
P057C, P057D, P057E, P05DD, P05DE, P05DF and P05E0:
  • The skid control ECU (brake booster with master cylinder assembly) monitors the output value of the brake pedal stroke sensor assembly, and if the following conditions are detected, the skid control ECU (brake booster with master cylinder assembly) judges that the brake pedal stroke sensor assembly has a malfunction and illuminates the MIL and stores a DTC.
    1. The power supply voltage ratio of the brake pedal stroke sensor 1 and brake pedal stroke sensor 2 is outside the normal range.

      HINT:

      The power supply voltage ratio is the ratio of the voltage of SKS1 and VSK1 or SKS2 and VSK2.

    2. When the brake pedal is operated, the relationship between the value output by the brake pedal stroke sensor 1 and brake pedal stroke sensor 2 is outside the normal range.
    3. The difference between the current power supply voltage ratio and the previous power supply voltage ratio of the brake pedal stroke sensor 1 and brake pedal stroke sensor 2 exceeds a specific value (improbable sudden change repeats).

      HINT:

      The power supply voltage ratio is the ratio of the voltage of SKS1 and VSK1 or SKS2 and VSK2.

C1392 (INF Code 1124):
  • After any of the following situations, if the zero point of the brake pedal stroke sensor 1 or brake pedal stroke sensor 2 has not been learned, the skid control ECU (brake booster with master cylinder assembly) judges that the zero point of the brake pedal stroke sensor is uncalibrated and illuminates the ABS warning, brake warning / red (malfunction), brake warning / yellow (minor malfunction) and slip indicator lights, blinks* the brake hold operated indicator light and stores this DTC.
    1. The skid control ECU (brake booster with master cylinder assembly) has been replaced with a new one.
    2. After the brake actuator assembly, brake pedal stroke sensor assembly or brake pedal is removed and installed or replaced, the zero point is cleared.

      HINT:

      • *: The brake hold switch (No. 3 combination switch assembly) is turned on under the following vehicle conditions.
        • Vehicle Conditions:
          1. The driver side door is closed.
          2. The driver side seat belt is fastened.
      • As the detection conditions slightly differ from SAE code C1392, the detection conditions for DTC C1392 (INF code 1124) is also provided.

MONITOR STRATEGY

HINT:

SAE code only.

Related DTCs

C0562: Brake pedal stroke sensor assembly voltage circuit/open

C124B: Brake pedal stroke sensor assembly invalid data

C1392: Brake pedal stroke sensor learning not complete

P057C: Brake pedal stroke sensor assembly open circuit

P057D: Brake pedal stroke sensor assembly circuit high

P057E: Brake pedal stroke sensor assembly intermittent/erratic

P05DD: Brake pedal stroke sensor assembly open circuit

P05DE: Brake pedal stroke sensor assembly circuit high

P05DF: Brake pedal stroke sensor assembly intermittent/erratic

P05E0: Brake pedal stroke sensor assembly "1"/"2" correlation

Required Sensors/Components(Main)

Brake pedal stroke sensor assembly

Skid control ECU (brake booster with master cylinder assembly)

Required Sensors/Components(Related)

Skid control ECU (brake booster with master cylinder assembly)

Brake pedal stroke sensor assembly

Speed sensor

Frequency of Operation

Continuous

Duration

-: C1392

0.2 seconds: C0562, C124B, P057C, P057D, P057E, P05DD, P05DE, P05DF and P05E0

MIL Operation

Immediately

Sequence of Operation

None

TYPICAL ENABLING CONDITIONS

HINT:

SAE code only.

C0562

Monitor runs whenever the following DTCs are not stored

None

Brake system voltage 1 (VM1)

Higher than 6.92 V

C124B

Monitor runs whenever the following DTCs are not stored

C0562 (Brake pedal stroke sensor assembly voltage circuit/open)

P057C, P05DD (Brake pedal stroke sensor assembly open circuit)

P057D, P05DE (Brake pedal stroke sensor assembly circuit high)

P057E, P05DF (Brake pedal stroke sensor assembly intermittent/erratic)

P05E0 (Brake pedal stroke sensor assembly "1"/"2" correlation)

All of the following conditions are met

-

Brake system voltage 1 (VM1)

Higher than 6.92 V

Serial communication with high side IC

Valid

Brake pedal stroke sensor assembly fail (C0562, P057C, P057D, P057E, P05DD, P05DE, P05DF, P05E0)

Not detected

C1392

Monitor runs whenever the following DTCs are not stored

None

Vehicle speed

40 km/h (25 mph) or more

P057C, P057D, P057E, P05DD, P05DE and P05DF

Monitor runs whenever the following DTCs are not stored

None

Brake pedal stroke sensor assembly power supply

4.74 V or more, and 5.23 V or less

P05E0

Monitor runs whenever the following DTCs are not stored

C0562 (Brake pedal stroke sensor assembly voltage circuit/open)

C124B (Brake pedal stroke sensor assembly invalid data)

P057C, P05DD (Brake pedal stroke sensor assembly open circuit)

P057D, P05DE (Brake pedal stroke sensor assembly circuit high)

P057E, P05DF (Brake pedal stroke sensor assembly intermittent/erratic)

Both of the following conditions are met

-

Brake system voltage 1 (VM1)

Higher than 6.92 V

Brake pedal stroke sensor assembly fail (C0562, C124B, P057C, P057D, P057E, P05DD, P05DE, P05DF)

Not detected

TYPICAL MALFUNCTION THRESHOLDS

HINT:

SAE code only.

C0562

Brake pedal stroke sensor assembly power supply

Less than 4.74 V, or higher than 5.23 V

C124B

Brake pedal stroke sensor assembly state

Invalid

C1392

Either of the following conditions is met

-

Brake pedal stroke sensor 1 zero point calibration value

Not stored

Brake pedal stroke sensor 2 zero point calibration value

Not stored

P057C and P05DD

Power supply voltage ratio of SKS and VSK

Less than 0.06

HINT:

The power supply voltage ratio is the ratio of the voltage of SKS1 and VSK1 or SKS2 and VSK2.

P057D and P05DE

Power supply voltage ratio of SKS and VSK

Higher than 0.94

HINT:

The power supply voltage ratio is the ratio of the voltage of SKS1 and VSK1 or SKS2 and VSK2.

P057E and P05DF

Difference between the current power supply voltage ratio and the previous power supply voltage ratio of SKS and VSK

Higher than 8.5%

HINT:

The power supply voltage ratio is the ratio of the voltage of SKS1 and VSK1 or SKS2 and VSK2.

P05E0

Brake pedal stroke sensor assembly correlation state

Invalid

COMPONENT OPERATING RANGE

HINT:

SAE code only.

C0562

Both of the following conditions are met

-

Brake system voltage 1 (VM1)

Higher than 6.92 V

Brake pedal stroke sensor assembly power supply

4.74 V or more, and 5.23 V or less

C124B

Both of the following conditions are met

-

Brake system voltage 1 (VM1)

Higher than 6.92 V

Brake pedal stroke sensor assembly state

Valid

C1392

Both of the following conditions are met

-

Brake pedal stroke sensor 1 zero point calibration value

Stored

Brake pedal stroke sensor 2 zero point calibration value

Stored

P057C, P05DD, P057D and P05DE

Both of the following conditions are met

-

Brake pedal stroke sensor assembly power supply

4.74 V or more, and 5.23 V or less

Power supply voltage ratio of SKS and VSK

0.06 or more, and 0.94 or less

HINT:

The power supply voltage ratio is the ratio of the voltage of SKS1 and VSK1 or SKS2 and VSK2.

P057E and P05DF

Both of the following conditions are met

-

Brake pedal stroke sensor assembly power supply

4.74 V or more, and 5.23 V or less

Difference between the current power supply voltage ratio and the previous power supply voltage ratio of SKS and VSK

8.5% or less

HINT:

The power supply voltage ratio is the ratio of the voltage of SKS1 and VSK1 or SKS2 and VSK2.

P05E0

Both of the following conditions are met

-

Brake system voltage 1 (VM1)

Higher than 6.92 V

Brake pedal stroke sensor assembly on experience (low/mid/high)

On

CONFIRMATION DRIVING PATTERN

  1. Connect the Techstream to the DLC3.
  2. Turn the power switch on (IG).
  3. Turn the Techstream on.
  4. Clear the DTCs (even if no DTCs are stored, perform the clear DTC procedure).
  5. Turn the power switch off.
  6. Turn the power switch on (READY).
  7. Turn the Techstream on.
  8. Fully depress the brake pedal.
  9. Drive the vehicle at a speed of 40 km/h (25 mph) or more for 1 minute.

    HINT:

    Only DTC C1392 is stored when the vehicle speed reaches 40 km/h (25 mph).

  10. Enter the following menus: Chassis / ABS/VSC/TRAC / Trouble Codes.
  11. Read the DTCs.

    HINT:

    • If a DTC is output, the system is malfunctioning.
    • If a DTC is not output, perform the following procedure.
  12. If the DTCs are not output, perform a universal trip and check for permanent DTCs.

    Click here

    HINT:

    • If a permanent DTC is output, the system is malfunctioning.
    • If no permanent DTCs are output, the system is normal.

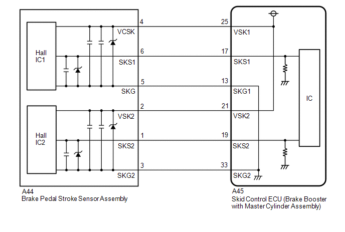
WIRING DIAGRAM

CAUTION / NOTICE / HINT

NOTICE:

After replacing the skid control ECU (brake booster with master cylinder assembly) or brake pedal stroke sensor assembly, perform linear solenoid valve offset learning, ABS holding solenoid valve learning, yaw rate and acceleration sensor zero point calibration and system information memorization after performing "Reset Memory".

Click here

HINT:

Check the condition of each related circuit connector before troubleshooting.

Click here

PROCEDURE

1.

CHECK BRAKE PEDAL

(a) Check that the brake pedal and the brake pedal stroke sensor assembly are properly installed and that the pedal can be depressed normally.

(b) Check and adjust the brake pedal height.

Click here

(c) Adjust the brake pedal stroke sensor assembly.

Click here

NEXT

2.

CHECK DTC

(a) Clear the DTCs.

Click here

Chassis > ABS/VSC/TRAC > Clear DTCs

(b) Turn the power switch off.

(c) Turn the power switch on (IG).

(d) Check if the same DTC is output.

Click here

Chassis > ABS/VSC/TRAC > Trouble Codes

Result

Proceed to

DTC C1247 is output.

A

DTC C1392 is output.

B

B

GO TO STEP 7

A

3.

CHECK FREEZE FRAME DATA

(a) Check the INF code from the Freeze Frame Data stored when DTC (C1247) was stored.

Click here

Chassis > ABS/VSC/TRAC > Trouble Codes

Result

Proceed to

INF code 211 is output.

A

INF code 212, 213, 214, 215, 216 or 217 is output.

B

B

GO TO STEP 6

A

4.

CHECK HARNESS AND CONNECTOR (BRAKE BOOSTER WITH MASTER CYLINDER ASSEMBLY - BRAKE PEDAL STROKE SENSOR ASSEMBLY)

(a) Turn the power switch off.

(b) Make sure that there is no looseness at the locking part and the connecting part of the connectors.

OK:

The connector is securely connected.

(c) Disconnect the A45 skid control ECU (brake booster with master cylinder assembly) connector.

(d) Disconnect the A44 brake pedal stroke sensor assembly connector.

(e) Check both the connector case and the terminals for deformation and corrosion.

OK:

No deformation or corrosion.

(f) Measure the resistance according to the value(s) in the table below.

Standard Resistance:

Tester Connection

Condition

Specified Condition

A45-13 (SKG1) - A44-5 (SKG)

Always

Below 1 Ω

A45-13 (SKG1) or A44-5 (SKG) - Body ground

Always

10 kΩ or higher

A45-21 (VSK2) - A44-2 (VSK2)

Always

Below 1 Ω

A45-21 (VSK2) or A44-2 (VSK2) - Body ground

Always

10 kΩ or higher

A45-25 (VSK1) - A44-4 (VCSK)

Always

Below 1 Ω

A45-25 (VSK1) or A44-4 (VCSK) - Body ground

Always

10 kΩ or higher

A45-33 (SKG2) - A44-3 (SKG2)

Always

Below 1 Ω

A45-33 (SKG2) or A44-3 (SKG2) - Body ground

Always

10 kΩ or higher

NG

REPAIR OR REPLACE HARNESS OR CONNECTOR

OK

5.

INSPECT BRAKE BOOSTER WITH MASTER CYLINDER ASSEMBLY (SENSOR OUTPUT)

(a) Reconnect the A45 skid control ECU (brake booster with master cylinder assembly) connector.

*a

Front view of wire harness connector

(to Brake Pedal Stroke Sensor Assembly)

(b) Turn the power switch on (IG).

(c) Measure the voltage according to the value(s) in the table below.

Standard Voltage:

Tester Connection

Condition

Specified Condition

A44-4 (VCSK) - A44-5 (SKG)

Power switch on (IG)

4.84 to 5.16 V

A44-2 (VSK2) - A44-3 (SKG2)

Power switch on (IG)

4.84 to 5.16 V

OK

REPLACE BRAKE PEDAL STROKE SENSOR ASSEMBLY

NG

REPLACE BRAKE BOOSTER WITH MASTER CYLINDER ASSEMBLY

6.

CHECK HARNESS AND CONNECTOR (BRAKE BOOSTER WITH MASTER CYLINDER ASSEMBLY - BRAKE PEDAL STROKE SENSOR ASSEMBLY)

(a) Turn the power switch off.

(b) Make sure that there is no looseness at the locking part and the connecting part of the connectors.

OK:

The connector is securely connected.

(c) Disconnect the A45 skid control ECU (brake booster with master cylinder assembly) connector.

(d) Disconnect the A44 brake pedal stroke sensor assembly connector.

(e) Check both the connector case and the terminals for deformation and corrosion.

OK:

No deformation or corrosion.

(f) Measure the resistance according to the value(s) in the table below.

Standard Resistance:

Tester Connection

Condition

Specified Condition

A45-17 (SKS1) - A44-6 (SKS1)

Always

Below 1 Ω

A45-17 (SKS1) or A44-6 (SKS1) - Body ground

Always

10 kΩ or higher

A45-19 (SKS2) - A44-1 (SKS2)

Always

Below 1 Ω

A45-19 (SKS2) or A44-1 (SKS2) - Body ground

Always

10 kΩ or higher

OK

REPLACE BRAKE PEDAL STROKE SENSOR ASSEMBLY

NG

REPAIR OR REPLACE HARNESS OR CONNECTOR

7.

PERFORM BRAKE PEDAL STROKE SENSOR ASSEMBLY ZERO POINT CALIBRATION

(a) Perform brake pedal stroke sensor assembly zero point calibration.

Click here

NOTICE:

Make sure to perform linear solenoid valve offset learning, ABS holding solenoid valve learning, brake pedal stroke sensor assembly zero point calibration and system information memorization after performing "Reset Memory" as the data stored during linear solenoid valve offset learning, ABS holding solenoid valve learning, brake pedal stroke sensor assembly zero point calibration and system information memorization is cleared.

Chassis > ABS/VSC/TRAC > Utility

Tester Display

Reset Memory

Chassis > ABS/VSC/TRAC > Utility

Tester Display

ECB Utility

NEXT

8.

RECONFIRM DTC

(a) Clear the DTCs.

Click here

Chassis > ABS/VSC/TRAC > Clear DTCs

(b) Turn the power switch off.

(c) Turn the power switch on (IG).

(d) Check if the same DTC is output.

Click here

Chassis > ABS/VSC/TRAC > Trouble Codes

Result

Proceed to

DTC C1392 is output.

A

DTCs are not output.

B

DTCs other than C1392 are output.

C

B

END

C

REPAIR CIRCUITS INDICATED BY OUTPUT DTCS

A

9.

INSPECT BRAKE BOOSTER WITH MASTER CYLINDER ASSEMBLY (SENSOR OUTPUT)

(a) Turn the power switch off.

*a

Front view of wire harness connector

(to Brake Pedal Stroke Sensor Assembly)

(b) Make sure that there is no looseness at the locking part and the connecting part of the connectors.

OK:

The connector is securely connected.

(c) Disconnect the A44 brake pedal stroke sensor assembly connector.

(d) Check both the connector case and the terminals for deformation and corrosion.

OK:

No deformation or corrosion.

(e) Turn the power switch on (IG).

(f) Measure the voltage according to the value(s) in the table below.

Standard Voltage:

Tester Connection

Condition

Specified Condition

A44-4 (VCSK) - A44-5 (SKG)

Power switch on (IG)

4.84 to 5.16 V

A44-2 (VSK2) - A44-3 (SKG2)

Power switch on (IG)

4.84 to 5.16 V

OK

REPLACE BRAKE PEDAL STROKE SENSOR ASSEMBLY

NG

REPLACE BRAKE BOOSTER WITH MASTER CYLINDER ASSEMBLY

READ NEXT:

 Brake Booster Pump Motor on Time Abnormally Long (C1252,C1253)

DESCRIPTION The skid control ECU (brake booster with master cylinder assembly) detects decreases in the accumulator pressure according to the data from the accumulator pressure sensor, and then starts

 Accumulator Low Pressure (C1256)

DESCRIPTION The accumulator pressure sensor is built into the brake actuator (brake booster with master cylinder assembly) and detects the accumulator pressure. The skid control ECU (brake booster wit

 Power Supply Drive Circuit (C1257)

DESCRIPTION The skid control ECU (brake booster with master cylinder assembly) detects a drop in accumulator pressure according to the signals from the accumulator pressure sensor, then operates and s

SEE MORE:

 Wheel Speed Sensor Malfunction (C164D)

DESCRIPTION This DTC is stored when the parking assist ECU receives a wheel speed sensor (front speed sensor RH or front speed sensor LH, rear speed sensor RH or rear speed sensor LH) abnormality signal from the electronically controlled brake system via CAN communication. This DTC is stored wh

 Error in Matching of ECUs (C1567)

DESCRIPTION The power steering ECU (rack and pinion power steering gear assembly) determines whether an incompatible ECM or skid control ECU (brake actuator assembly) is installed based on the identification information. DTC No. Detection Item DTC Detection Condition Trouble Area Warning

© 2016-2025 Copyright www.lexguide.net