Lexus ES manuals

Lexus ES: Brake Booster Pump Motor on Time Abnormally Long (C1252,C1253)

DESCRIPTION

The skid control ECU (brake booster with master cylinder assembly) detects decreases in the accumulator pressure according to the data from the accumulator pressure sensor, and then starts and stops the pump motor by operating the motor relay.

DTC No.

Detection Item

INF Code

DTC Detection Condition

Trouble Area

MIL

Note

C1252

Brake Booster Pump Motor on Time Abnormally Long

311

The pump motor is operating continuously for 178 seconds or more. (When the relay is malfunctioning for 98 seconds or more.)

  • Short in pump motor circuit or pump motor monitor circuit
  • Motor relay stuck
  • Accumulator pressure sensor malfunction
  • Skid control ECU (brake booster with master cylinder assembly)

Comes on

  • INF Code 311: SAE Code C0594
  • Electronically controlled brake system DTC

C1253

Pump Motor Relay

321

322

327

328

  • INF Code: 321, 327, 328
    • An open is detected in the motor relay drive circuit for 0.2 seconds or more.
  • INF Code: 322
    • A short is detected in the motor relay drive circuit for 2 seconds or more.
  • INF Code: 321, 327, 328
    • Open in pump motor circuit or pump motor monitor circuit
    • Skid control ECU (brake booster with master cylinder assembly)
  • INF Code: 322
    • Short in pump motor circuit or pump motor monitor circuit
    • Skid control ECU (brake booster with master cylinder assembly)

Comes on

(When only SAE code C121D or SAE code C121E is stored)

  • INF Code 321: SAE Code C121D
  • INF Code 322: SAE Code C121E
  • Electronically controlled brake system DTC

MONITOR DESCRIPTION

The skid control ECU (brake booster with master cylinder assembly) monitors the voltage of the pump motor.

When the pump motor relay is instructed to be on and the voltage of the pump motor is within the range of an open circuit malfunction (voltage value is practically equal to that when off), or when the pump motor is instructed to be off and the voltage of the pump motor is within the range of a short circuit malfunction (voltage value is practically equal to that when on), an open circuit or short circuit is judged respectively and the MIL is illuminated and stores a DTC.

Furthermore, when the voltage of the pump motor is practically equal to that when on for a long period of time, the skid control ECU (brake booster with master cylinder assembly) judges that the pump motor is operating for an abnormally long time and illuminates the MIL and stores a DTC.

MONITOR STRATEGY

Related DTCs

C0594: Pump motor performance

C121D: Pump motor open circuit

C121E: Pump motor circuit high

Required Sensors/Components(Main)

Brake booster pump assembly

Required Sensors/Components(Related)

Skid control ECU (brake booster with master cylinder assembly)

Brake booster pump assembly

Brake actuator (brake booster with master cylinder assembly)

Frequency of Operation

Continuous

Duration

0.2 seconds: C121D

2 seconds: C121E

98 seconds: C0594 (Case 1)

178 seconds: C0594 (Case 2)

MIL Operation

Immediately

Sequence of Operation

None

TYPICAL ENABLING CONDITIONS

C0594 (Case 1)

Monitor runs whenever the following DTCs are not stored

None

Both of the following conditions are met

A and B

A. Serial communication with high side IC

Valid

B. One of the following conditions is met

a, b or c

a. Pump motor circuit fail (C121D)

Detected

b. Pump motor circuit fail (C121E)

Detected

c. Both of the following conditions are met

-

Accumulator pressure sensor

Valid

Accumulator pressure

Higher than 19.88 MPa (202.7 kgf/cm2, 2884 psi)

C0594 (Case 2)

Monitor runs whenever the following DTCs are not stored

None

Serial communication with high side IC

Valid

C121D

Monitor runs whenever the following DTCs are not stored

None

Both of the following conditions are met

A and B

A. Serial communication with high side IC

Valid

B. Either of the following conditions is met

a or b

a. Command to pump motor relay

On

b. Both of the following conditions are met

-

Command to pump motor relay from hardware

On

Serial communication with low side IC

Valid

C121E

Monitor runs whenever the following DTCs are not stored

None

All of the following conditions are met

-

Serial communication with high side IC

Valid

Serial communication with low side IC

Valid

Command to pump motor relay

Off

Command to pump motor relay from hardware

Off

TYPICAL MALFUNCTION THRESHOLDS

C0594 (Case 1), C0594 (Case 2) and C121E

Pump motor voltage

Higher than 6 V

C121D

Pump motor voltage

Less than 6 V

COMPONENT OPERATING RANGE

C0594

Both of the following conditions are met

-

Prohibit pump motor operating from microcomputer

Off

Pump motor voltage

Less than 6 V

C121D

All of the following conditions are met

A, B and C

A. Serial communication with high side IC

Valid

B. Either of the following conditions is met

a or b

a. Command to pump motor relay

On

b. Both of the following conditions are met

-

Command to pump motor relay from hardware

On

Serial communication with low side IC

Valid

C. Pump motor voltage

Higher than 6 V

C121E

Both of the following conditions are met

-

Serial communication with high side IC

Valid

Pump motor voltage

Less than 6 V

CONFIRMATION DRIVING PATTERN

  1. Connect the Techstream to the DLC3.
  2. Turn the power switch on (IG).
  3. Turn the Techstream on.
  4. Clear the DTCs (even if no DTCs are stored, perform the clear DTC procedure).
  5. Turn the power switch off.
  6. Turn the power switch on (IG).
  7. Turn the Techstream on.
  8. Depress the brake pedal several times until the pump motor operates.
  9. Wait 3 minutes.
  10. Enter the following menus: Chassis / ABS/VSC/TRAC / Trouble Codes.
  11. Read the DTCs.

    HINT:

    • If a DTC is output, the system is malfunctioning.
    • If a DTC is not output, perform the following procedure.
  12. If the DTCs are not output, perform a universal trip and check for permanent DTCs.

    Click here

    HINT:

    • If a permanent DTC is output, the system is malfunctioning.
    • If no permanent DTCs are output, the system is normal.

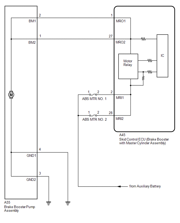
WIRING DIAGRAM

CAUTION / NOTICE / HINT

NOTICE:

  • After replacing the skid control ECU (brake booster with master cylinder assembly), perform linear solenoid valve offset learning, ABS holding solenoid valve learning, yaw rate and acceleration sensor zero point calibration and system information memorization after performing "Reset Memory".

    Click here

  • Inspect the fuses for circuits related to this system before performing the following procedure.

PROCEDURE

1.

CHECK DTC

(a) Check the DTCs that are output.

Click here

Chassis > ABS/VSC/TRAC > Trouble Codes

Result

Proceed to

DTCs C1252 and/or C1253 are output.

A

DTCs C1241 and/or C1242 are output with DTCs C1252 and/or C1253.

B

B

REPAIR CIRCUITS INDICATED BY OUTPUT DTCS

A

2.

READ VALUE USING TECHSTREAM (MOTOR RELAY 1 AND MOTOR RELAY 2)

(a) Select the Data List on the Techstream.

Click here

Chassis > ABS/VSC/TRAC > Data List

Tester Display

Measurement Item

Range

Normal Condition

Diagnostic Note

ECB Motor Relay

Motor relay 1 operation request

ON or OFF

ON: Relay on

OFF: Relay off

ECB: Electronically Controlled Brake System

ECB Motor Relay2

Motor relay 2 operation request

ON or OFF

ON: Relay on

OFF: Relay off

ECB: Electronically Controlled Brake System

Chassis > ABS/VSC/TRAC > Data List

Tester Display

ECB Motor Relay

ECB Motor Relay2

(b) Depress the brake pedal several times and check the operation status of the motor relay 1 and motor relay 2.

HINT:

Depressing the brake pedal several times drops the accumulator pressure and operates the pump motor.

Result

Proceed to

The motor relay 1 and motor relay 2 in the Data List turns on or off by depressing the brake pedal several times.

A

The status of motor relay 1 and motor relay 2 in the Data List does not change even after depressing the brake pedal several times.

B

B

GO TO STEP 8

A

3.

INSPECT BRAKE BOOSTER PUMP ASSEMBLY

(a) Turn the power switch off.

*a

Component without harness connected

(Brake Booster Pump Assembly)

(b) Make sure that there is no looseness at the locking part and the connecting part of the connector.

OK:

The connector is securely connected.

(c) Disconnect the A55 brake booster pump assembly connector.

(d) Check both the connector case and the terminals for deformation and corrosion.

OK:

No deformation or corrosion.

(e) Measure the resistance according to the value(s) in the table below.

Standard Resistance:

Tester Connection

Condition

Specified Condition

2 (BM1) - 4 (GND1)

Always

10 Ω or less

1 (BM2) - 3 (GND2)

Always

10 Ω or less

2 (BM1) - 1 (BM2)

Always

Below 1 Ω

4 (GND1) - 3 (GND2)

Always

Below 1 Ω

NG

REPLACE BRAKE BOOSTER PUMP ASSEMBLY

OK

4.

CHECK HARNESS AND CONNECTOR (GND TERMINAL)

(a) Measure the resistance according to the value(s) in the table below.

Standard Resistance:

Tester Connection

Condition

Specified Condition

A55-4 (GND1) - Body ground

Always

Below 1 Ω

A55-3 (GND2) - Body ground

Always

Below 1 Ω

*a

Front view of wire harness connector

(to Brake Booster Pump Assembly)

NG

REPAIR OR REPLACE HARNESS OR CONNECTOR (GND CIRCUIT)

OK

5.

READ VALUE USING TECHSTREAM (ACCUMULATOR PRESSURE)

(a) Reconnect the A55 brake booster pump assembly connector.

(b) Disconnect the A44 brake pedal stroke sensor assembly connector.

(c) Select the Data List on the Techstream.

Click here

Chassis > ABS/VSC/TRAC > Data List

Tester Display

Measurement Item

Range

Normal Condition

Diagnostic Note

MT Voltage Value

MT voltage value

Min.: 0.00 V, Max.: 20.00 V

Pump motor off: 0.00 V

Pump motor on: 12.00 V

-

Accumulator Pressure

Accumulator pressure output value

Min.: 0.00 MPa, Max.: 24.48 MPa

15.00 to 21.00 MPa

(Pressure stable and pump motor stopped)

When brake fluid is stored in the accumulator: Accumulator pressure changes in accordance with volume of fluid stored in the accumulator

Chassis > ABS/VSC/TRAC > Data List

Tester Display

MT Voltage Value

Accumulator Pressure

(d) Depress the brake pedal several times to operate the pump motor, then wait until it stops.

(e) After the pump motor stops, wait for 30 seconds, then check the drop in the accumulator pressure sensor output value and the state of the pump motor.

HINT:

  • This inspection checks whether an accumulator pressure sensor malfunction, internal brake actuator (brake booster with master cylinder assembly) leak or prolonged operation due to detection of low pressure caused by accumulator deterioration, caused the DTC to be stored.
  • If the brake fluid level in the brake master cylinder reservoir assembly (brake booster with master cylinder assembly) drops, an external brake fluid leak is suspected.

Result

Proceed to

The drop in the accumulator pressure sensor output value is less than 2.50 MPa 30 seconds after the pump motor stops, and the pump motor does not operate within 30 seconds after the pump motor stops.

A

The drop in the accumulator pressure sensor output value is 2.50 MPa or more 30 seconds after the pump motor stops, or the pump motor operates within 30 seconds after the pump motor stops.

B

B

GO TO STEP 7

A

6.

RECONFIRM DTC

(a) Turn the power switch off.

(b) Reconnect the A44 brake pedal stroke sensor assembly connector.

(c) Clear the DTCs.

Click here

Chassis > ABS/VSC/TRAC > Clear DTCs

(d) Turn the power switch off.

(e) Turn the power switch on (IG).

(f) Check if the same DTC is output.

Click here

Chassis > ABS/VSC/TRAC > Trouble Codes

Result

Proceed to

DTCs C1252 and C1253 are not output.

A

DTCs C1252 and/or C1253 are output.

B

A

USE SIMULATION METHOD TO CHECK

B

REPLACE BRAKE BOOSTER WITH MASTER CYLINDER ASSEMBLY

7.

READ VALUE USING TECHSTREAM (SERVO PRESSURE)

(a) Turn the power switch off.

(b) Reconnect the A44 brake pedal stroke sensor assembly connector.

(c) Select the Active Test on the Techstream.

Click here

Chassis > ABS/VSC/TRAC > Active Test

Tester Display

Measurement Item

Control Range

Diagnostic Note

ECB Solenoid (SLR)

Linear solenoid reduction valve (SLR)

Solenoid ON/OFF

ECB: Electronically Controlled Brake System

Chassis > ABS/VSC/TRAC > Data List

Tester Display

Measurement Item

Range

Normal Condition

Diagnostic Note

Servo Pressure

Pressure value of servo

Min.: 0.00 MPa, Max.: 24.48 MPa

Brake pedal released: 0.00 to 2.10 MPa

Brake pedal is being depressed: Changes in proportion to the depression force of the brake pedal

Chassis > ABS/VSC/TRAC > Active Test

Active Test Display

ECB Solenoid (SLR)

Data List Display

Servo Pressure

(d) Perform the Active Test and operate the linear solenoid (SLR) in the brake actuator (brake booster with master cylinder assembly).

(e) Check that the servo pressure output value does not increase when performing the Active Test.

OK:

The servo pressure output value does not increase when performing the Active Test.

HINT:

If the servo pressure output value increases, an internal brake fluid leak in the brake actuator (brake booster with master cylinder assembly) is suspected.

Result

Proceed to

The servo pressure output value increases.

A

The servo pressure output value does not increase.

B

A

REPLACE BRAKE BOOSTER WITH MASTER CYLINDER ASSEMBLY

B

REPLACE BRAKE BOOSTER PUMP ASSEMBLY

8.

CHECK HARNESS AND CONNECTOR (MRI TERMINAL)

(a) Turn the power switch off.

*a

Front view of wire harness connector

(to Skid Control ECU (Brake Booster with Master Cylinder Assembly))

(b) Make sure that there is no looseness at the locking part and the connecting part of the connector.

OK:

The connector is securely connected.

(c) Disconnect the A45 skid control ECU (brake booster with master cylinder assembly) connector.

(d) Check both the connector case and the terminals for deformation and corrosion.

OK:

No deformation or corrosion.

(e) Measure the voltage according to the value(s) in the table below.

Standard Voltage:

Tester Connection

Condition

Specified Condition

A45-2 (MRI1) - Body ground

Always

11 to 14 V

A45-28 (MRI2) - Body ground

Always

11 to 14 V

NG

REPAIR OR REPLACE HARNESS OR CONNECTOR (MRI CIRCUIT)

OK

9.

CHECK HARNESS AND CONNECTOR (BRAKE BOOSTER WITH MASTER CYLINDER ASSEMBLY - BRAKE BOOSTER PUMP ASSEMBLY)

(a) Make sure that there is no looseness at the locking part and the connecting part of the connector.

OK:

The connector is securely connected.

(b) Disconnect the A55 brake booster pump assembly connector.

(c) Check both the connector case and the terminals for deformation and corrosion.

OK:

No deformation or corrosion.

(d) Measure the resistance according to the value(s) in the table below.

Standard Resistance:

Tester Connection

Condition

Specified Condition

A45-1 (MRO1) - A55-2 (BM1)

Always

Below 1 Ω

A45-1 (MRO1) or A55-2 (BM1) - Body ground

Always

10 kΩ or higher

A45-27 (MRO2) - A55-1 (BM2)

Always

Below 1 Ω

A45-27 (MRO2) or A55-1 (BM2) - Body ground

Always

10 kΩ or higher

OK

REPLACE BRAKE BOOSTER WITH MASTER CYLINDER ASSEMBLY

NG

REPAIR OR REPLACE HARNESS OR CONNECTOR

READ NEXT:

 Accumulator Low Pressure (C1256)

DESCRIPTION The accumulator pressure sensor is built into the brake actuator (brake booster with master cylinder assembly) and detects the accumulator pressure. The skid control ECU (brake booster wit

 Power Supply Drive Circuit (C1257)

DESCRIPTION The skid control ECU (brake booster with master cylinder assembly) detects a drop in accumulator pressure according to the signals from the accumulator pressure sensor, then operates and s

 HV Control System Regenerative Malfunction (C1259,C1310)

DESCRIPTION The skid control ECU (brake booster with master cylinder assembly) communicates with the hybrid vehicle control ECU and controls braking force according to the motor's regenerative force.

SEE MORE:

 Generator Temperature Sensor Voltage Out of Range (P0A361C,P0A361F)

DTC SUMMARY MALFUNCTION DESCRIPTION These DTCs are stored when the generator temperature sensor output is abnormal. The cause of this malfunction may be one of the following: Generator temperature sensor malfunction Internal generator temperature sensor malfunction Open or short in generator te

 Dtc Check / Clear

DTC CHECK / CLEAR CHECK DTC (a) Connect the Techstream to the DLC3. (b) Turn the engine switch on (IG). (c) Turn the Techstream on. (d) Enter the following menus: Chassis / Lane Control / Trouble Codes. Chassis > Lane Control > Trouble Codes (e) Check for DTCs (Test Failed / Pending / Confirme

© 2016-2026 Copyright www.lexguide.net