Lexus ES manuals

Lexus ES: Stop Light Control Relay Malfunction (C1380)

DESCRIPTION

When any of the following conditions are met, the skid control ECU (brake booster with master cylinder assembly) sets the drive output (STPO) ON which operates the stop light control relay (stop light switch assembly) and turns on the stop lights.

Illumination Conditions:
  • Pre-collision brake is operating.
  • The dynamic radar cruise control system is operating and is applying the brakes.
  • Secondary collision brake is operating.
  • Brake hold is operating.
  • The parking brake is engaged while the vehicle is being driven.

DTC No.

Detection Item

INF Code

DTC Detection Condition

Trouble Area

MIL

Note

C1380

Stop Light Control Relay Malfunction

761

762

  • INF Code: 761
    • When terminal IG1 voltage is 9.5 V or more, stop light drive output (STPO) is on and STP2 is off for 2 seconds or more.
  • INF Code: 762
    • When terminal IG1 voltage is 9.5 V or more, stop light drive output (STPO) is off and the input signals for STP and STP2 differ for 5 seconds or more.
  • Wire harness or connector
  • Stop light switch assembly
  • Skid control ECU (brake booster with master cylinder assembly)
  • Rear combination light assembly LH
  • Rear combination light assembly RH
  • Rear light assembly LH
  • Rear light assembly RH
  • Center stop light set
  • Hybrid vehicle control ECU
  • Certification ECU (smart key ECU assembly)

Does not come on

VSC DTC

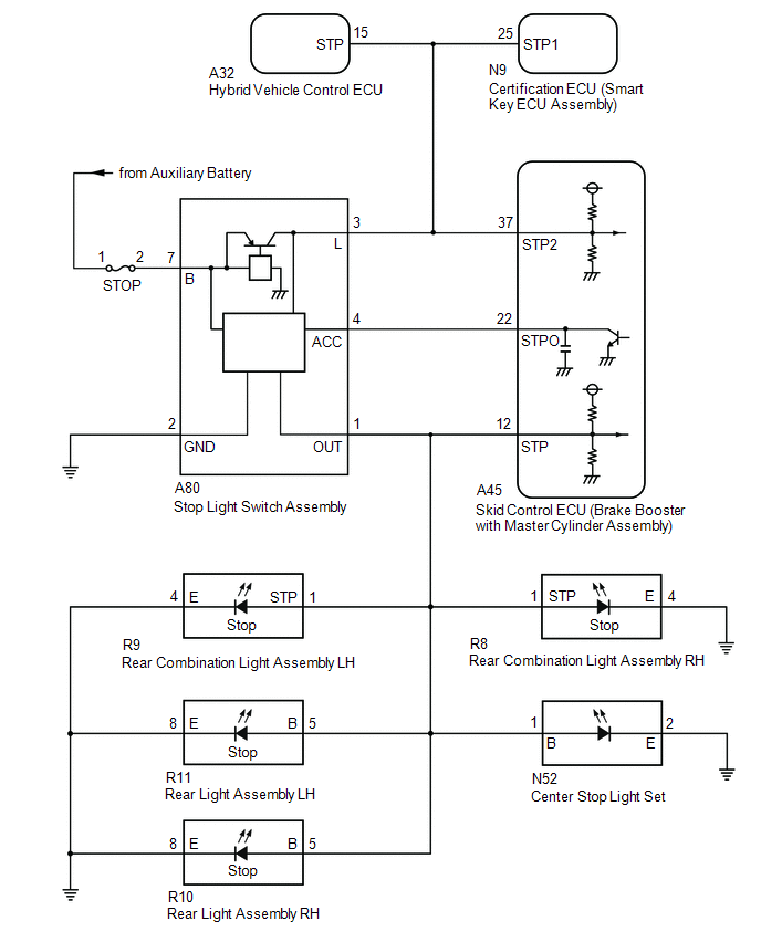
WIRING DIAGRAM

CAUTION / NOTICE / HINT

NOTICE:

  • After replacing the skid control ECU (brake booster with master cylinder assembly), perform linear solenoid valve offset learning, ABS holding solenoid valve learning, yaw rate and acceleration sensor zero point calibration and system information memorization after performing "Reset Memory".

    Click here

  • Inspect the fuses for circuits related to this system before performing the following procedure.

PROCEDURE

1.

CHECK HARNESS AND CONNECTOR (STP, STPO AND STP2 TERMINAL)

(a) Make sure that there is no looseness at the locking part and the connecting part of the connector.

OK:

The connector is securely connected.

*a

Front view of wire harness connector

(to Skid Control ECU (Brake Booster with Master Cylinder Assembly))

(b) Disconnect the A45 skid control ECU (brake booster with master cylinder assembly) connector.

(c) Check both the connector case and the terminals for deformation and corrosion.

OK:

No deformation or corrosion.

(d) Measure the voltage according to the value(s) in the table below.

Standard Voltage:

Tester Connection

Condition

Specified Condition

A45-12 (STP) - Body ground

Stop light switch assembly on (Brake pedal depressed)

11 to 14 V

A45-12 (STP) - Body ground

Stop light switch assembly off (Brake pedal released)

1.5 V or less

A45-22 (STPO) - Body ground

Always

11 to 14 V

A45-37 (STP2) - Body ground

Stop light switch assembly on (Brake pedal depressed)

11 to 14 V

A45-37 (STP2) - Body ground

Stop light switch assembly off (Brake pedal released)

1.5 V or less

Result

Proceed to

All terminal voltages are normal.

A

Only STP2 terminal voltage abnormal.

B

Only STPO terminal voltage abnormal.

C

Only STP terminal voltage abnormal.

D

STPO terminal and STP terminal voltage abnormal.

E

B

GO TO STEP 5

C

GO TO STEP 9

D

GO TO STEP 10

E

GO TO STEP 17

A

2.

PERFORM ACTIVE TEST USING TECHSTREAM (STOP LIGHT RELAY)

(a) Reconnect the A45 skid control ECU (brake booster with master cylinder assembly) connector.

(b) Select the Active Test on the Techstream.

Click here

Chassis > ABS/VSC/TRAC > Active Test

Tester Display

Measurement Item

Control Range

Diagnostic Note

Stop Light Relay

Stop light control relay (Stop light switch assembly)

Relay ON/OFF

-

Chassis > ABS/VSC/TRAC > Active Test

Tester Display

Stop Light Relay

(c) According to the display on the Techstream, perform the Active Test and check the operation of the stop lights.

OK:

Stop lights turn on/off in accordance with the Active Test.

NG

GO TO STEP 4

OK

3.

RECONFIRM DTC

(a) Clear the DTCs.

Click here

Chassis > ABS/VSC/TRAC > Clear DTCs

(b) Select the Active Test on the Techstream.

Click here

Chassis > ABS/VSC/TRAC > Active Test

Tester Display

Measurement Item

Control Range

Diagnostic Note

Stop Light Relay

Stop light control relay (Stop light switch assembly)

Relay ON/OFF

-

Chassis > ABS/VSC/TRAC > Active Test

Tester Display

Stop Light Relay

(c) According to the display on the Techstream, perform the Active Test.

(d) Check if the same DTC is output.

Click here

Chassis > ABS/VSC/TRAC > Trouble Codes

Result

Proceed to

DTC C1380 is output.

A

DTC C1380 is not output.

B

A

REPLACE BRAKE BOOSTER WITH MASTER CYLINDER ASSEMBLY

B

USE SIMULATION METHOD TO CHECK

4.

INSPECT BRAKE BOOSTER WITH MASTER CYLINDER ASSEMBLY

(a) Select the Active Test on the Techstream.

Click here

Chassis > ABS/VSC/TRAC > Active Test

Tester Display

Measurement Item

Control Range

Diagnostic Note

Stop Light Relay

Stop light control relay (Stop light switch assembly)

Relay ON/OFF

-

Chassis > ABS/VSC/TRAC > Active Test

Tester Display

Stop Light Relay

(b) Measure the voltage according to the value(s) in the table below.

Standard Voltage:

Tester Connection

Condition

Specified Condition

A80-4 (ACC) - Body ground

Active Test is on

1.5 V or less

*a

Component with harness connected

(Stop Light Switch Assembly)

OK

REPLACE STOP LIGHT SWITCH ASSEMBLY

NG

REPLACE BRAKE BOOSTER WITH MASTER CYLINDER ASSEMBLY

5.

CHECK HARNESS AND CONNECTOR (BRAKE BOOSTER WITH MASTER CYLINDER ASSEMBLY - HYBRID VEHICLE CONTROL ECU)

(a) Make sure that there is no looseness at the locking part and the connecting part of the connector.

OK:

The connector is securely connected.

*a

Front view of wire harness connector

(to Skid Control ECU (Brake Booster with Master Cylinder Assembly))

(b) Disconnect the A32 hybrid vehicle control ECU connector.

(c) Check both the connector case and the terminals for deformation and corrosion.

OK:

No deformation or corrosion.

(d) Measure the voltage according to the value(s) in the table below.

Standard Voltage:

Tester Connection

Condition

Specified Condition

A45-37 (STP2) - Body ground

Stop light switch assembly on (Brake pedal depressed)

11 to 14 V

A45-37 (STP2) - Body ground

Stop light switch assembly off (Brake pedal released)

1.5 V or less

OK

REPLACE HYBRID VEHICLE CONTROL ECU

NG

6.

CHECK HARNESS AND CONNECTOR (BRAKE BOOSTER WITH MASTER CYLINDER ASSEMBLY - SMART KEY ECU ASSEMBLY)

(a) Make sure that there is no looseness at the locking part and the connecting part of the connector.

OK:

The connector is securely connected.

*a

Front view of wire harness connector

(to Skid Control ECU (Brake Booster with Master Cylinder Assembly))

(b) Disconnect the N9 certification ECU (smart key ECU assembly) connector.

(c) Check both the connector case and the terminals for deformation and corrosion.

OK:

No deformation or corrosion.

(d) Measure the voltage according to the value(s) in the table below.

Standard Voltage:

Tester Connection

Condition

Specified Condition

A45-37 (STP2) - Body ground

Stop light switch assembly on (Brake pedal depressed)

11 to 14 V

A45-37 (STP2) - Body ground

Stop light switch assembly off (Brake pedal released)

1.5 V or less

OK

REPLACE SMART KEY ECU ASSEMBLY

NG

7.

CHECK HARNESS AND CONNECTOR (BRAKE BOOSTER WITH MASTER CYLINDER ASSEMBLY - STOP LIGHT SWITCH ASSEMBLY)

(a) Make sure that there is no looseness at the locking part and the connecting part of the connector.

OK:

The connector is securely connected.

*a

Front view of wire harness connector

(to Skid Control ECU (Brake Booster with Master Cylinder Assembly))

(b) Disconnect the A80 stop light switch assembly connector.

(c) Check both the connector case and the terminals for deformation and corrosion.

OK:

No deformation or corrosion.

(d) Measure the voltage according to the value(s) in the table below.

Standard Voltage:

Tester Connection

Condition

Specified Condition

A45-37 (STP2) - Body ground

Always

1.5 V or less

NG

REPAIR OR REPLACE HARNESS OR CONNECTOR

OK

8.

CHECK HARNESS AND CONNECTOR (BRAKE BOOSTER WITH MASTER CYLINDER ASSEMBLY - STOP LIGHT SWITCH ASSEMBLY)

(a) Measure the resistance according to the value(s) in the table below.

Standard Resistance:

Tester Connection

Condition

Specified Condition

A45-37 (STP2) - A80-3 (L)

Always

Below 1 Ω

A45-37 (STP2) or A80-3 (L) - Body ground

Always

10 kΩ or higher

OK

REPLACE STOP LIGHT SWITCH ASSEMBLY

NG

REPAIR OR REPLACE HARNESS OR CONNECTOR

9.

CHECK HARNESS AND CONNECTOR (BRAKE BOOSTER WITH MASTER CYLINDER ASSEMBLY - STOP LIGHT SWITCH ASSEMBLY)

(a) Make sure that there is no looseness at the locking part and the connecting part of the connector.

OK:

The connector is securely connected.

(b) Disconnect the A80 stop light switch assembly connector.

(c) Check both the connector case and the terminals for deformation and corrosion.

OK:

No deformation or corrosion.

(d) Measure the resistance according to the value(s) in the table below.

Standard Resistance:

Tester Connection

Condition

Specified Condition

A45-22 (STPO) - A80-4 (ACC)

Always

Below 1 Ω

OK

REPLACE STOP LIGHT SWITCH ASSEMBLY

NG

REPAIR OR REPLACE HARNESS OR CONNECTOR

10.

CHECK HARNESS AND CONNECTOR (BRAKE BOOSTER WITH MASTER CYLINDER ASSEMBLY - REAR COMBINATION LIGHT ASSEMBLY LH)

(a) Make sure that there is no looseness at the locking part and the connecting part of the connector.

OK:

The connector is securely connected.

*a

Front view of wire harness connector

(to Skid Control ECU (Brake Booster with Master Cylinder Assembly))

(b) Disconnect the R9 rear combination light assembly LH connector.

(c) Check both the connector case and the terminals for deformation and corrosion.

OK:

No deformation or corrosion.

(d) Measure the voltage according to the value(s) in the table below.

Standard Voltage:

Tester Connection

Condition

Specified Condition

A45-12 (STP) - Body ground

Stop light switch assembly on (Brake pedal depressed)

11 to 14 V

A45-12 (STP) - Body ground

Stop light switch assembly off (Brake pedal released)

1.5 V or less

OK

REPLACE REAR COMBINATION LIGHT ASSEMBLY LH

NG

11.

CHECK HARNESS AND CONNECTOR (BRAKE BOOSTER WITH MASTER CYLINDER ASSEMBLY - REAR COMBINATION LIGHT ASSEMBLY RH)

(a) Make sure that there is no looseness at the locking part and the connecting part of the connector.

OK:

The connector is securely connected.

*a

Front view of wire harness connector

(to Skid Control ECU (Brake Booster with Master Cylinder Assembly))

(b) Disconnect the R8 rear combination light assembly RH connector.

(c) Check both the connector case and the terminals for deformation and corrosion.

OK:

No deformation or corrosion.

(d) Measure the voltage according to the value(s) in the table below.

Standard Voltage:

Tester Connection

Condition

Specified Condition

A45-12 (STP) - Body ground

Stop light switch assembly on (Brake pedal depressed)

11 to 14 V

A45-12 (STP) - Body ground

Stop light switch assembly off (Brake pedal released)

1.5 V or less

OK

REPLACE REAR COMBINATION LIGHT ASSEMBLY RH

NG

12.

CHECK HARNESS AND CONNECTOR (BRAKE BOOSTER WITH MASTER CYLINDER ASSEMBLY - REAR LIGHT ASSEMBLY LH)

(a) Make sure that there is no looseness at the locking part and the connecting part of the connector.

OK:

The connector is securely connected.

*a

Front view of wire harness connector

(to Skid Control ECU (Brake Booster with Master Cylinder Assembly))

(b) Disconnect the R11 rear light assembly LH connector.

(c) Check both the connector case and the terminals for deformation and corrosion.

OK:

No deformation or corrosion.

(d) Measure the voltage according to the value(s) in the table below.

Standard Voltage:

Tester Connection

Condition

Specified Condition

A45-12 (STP) - Body ground

Stop light switch assembly on (Brake pedal depressed)

11 to 14 V

A45-12 (STP) - Body ground

Stop light switch assembly off (Brake pedal released)

1.5 V or less

OK

REPLACE REAR LIGHT ASSEMBLY LH

NG

13.

CHECK HARNESS AND CONNECTOR (BRAKE BOOSTER WITH MASTER CYLINDER ASSEMBLY - REAR LIGHT ASSEMBLY RH)

(a) Make sure that there is no looseness at the locking part and the connecting part of the connector.

OK:

The connector is securely connected.

*a

Front view of wire harness connector

(to Skid Control ECU (Brake Booster with Master Cylinder Assembly))

(b) Disconnect the R10 rear light assembly RH connector.

(c) Check both the connector case and the terminals for deformation and corrosion.

OK:

No deformation or corrosion.

(d) Measure the voltage according to the value(s) in the table below.

Standard Voltage:

Tester Connection

Condition

Specified Condition

A45-12 (STP) - Body ground

Stop light switch assembly on (Brake pedal depressed)

11 to 14 V

A45-12 (STP) - Body ground

Stop light switch assembly off (Brake pedal released)

1.5 V or less

OK

REPLACE REAR LIGHT ASSEMBLY RH

NG

14.

CHECK HARNESS AND CONNECTOR (BRAKE BOOSTER WITH MASTER CYLINDER ASSEMBLY - CENTER STOP LIGHT SET)

(a) Make sure that there is no looseness at the locking part and the connecting part of the connector.

OK:

The connector is securely connected.

*a

Front view of wire harness connector

(to Skid Control ECU (Brake Booster with Master Cylinder Assembly))

(b) Disconnect the N52 center stop light set connector.

(c) Check both the connector case and the terminals for deformation and corrosion.

OK:

No deformation or corrosion.

(d) Measure the voltage according to the value(s) in the table below.

Standard Voltage:

Tester Connection

Condition

Specified Condition

A45-12 (STP) - Body ground

Stop light switch assembly on (Brake pedal depressed)

11 to 14 V

A45-12 (STP) - Body ground

Stop light switch assembly off (Brake pedal released)

1.5 V or less

OK

REPLACE CENTER STOP LIGHT SET

NG

15.

CHECK HARNESS AND CONNECTOR (BRAKE BOOSTER WITH MASTER CYLINDER ASSEMBLY - STOP LIGHT SWITCH ASSEMBLY)

(a) Make sure that there is no looseness at the locking part and the connecting part of the connector.

OK:

The connector is securely connected.

*a

Front view of wire harness connector

(to Skid Control ECU (Brake Booster with Master Cylinder Assembly))

(b) Disconnect the A80 stop light switch assembly connector.

(c) Check both the connector case and the terminals for deformation and corrosion.

OK:

No deformation or corrosion.

(d) Measure the voltage according to the value(s) in the table below.

Standard Voltage:

Tester Connection

Condition

Specified Condition

A45-12 (STP) - Body ground

Always

1.5 V or less

NG

REPAIR OR REPLACE HARNESS OR CONNECTOR

OK

16.

CHECK HARNESS AND CONNECTOR (BRAKE BOOSTER WITH MASTER CYLINDER ASSEMBLY - STOP LIGHT SWITCH ASSEMBLY)

(a) Measure the resistance according to the value(s) in the table below.

Standard Resistance:

Tester Connection

Condition

Specified Condition

A80-1 (OUT) - A45-12 (STP)

Always

Below 1 Ω

A80-1 (OUT) or A45-12 (STP) - Body ground

Always

10 kΩ or higher

OK

REPLACE STOP LIGHT SWITCH ASSEMBLY

NG

REPAIR OR REPLACE HARNESS OR CONNECTOR

17.

CHECK STOP LIGHT SWITCH ASSEMBLY POWER SOURCE CIRCUIT

(a) Make sure that there is no looseness at the locking part and the connecting part of the connector.

OK:

The connector is securely connected.

*a

Front view of wire harness connector

(to Stop Light Switch Assembly)

(b) Disconnect the A80 stop light switch assembly connector.

(c) Check both the connector case and the terminals for deformation and corrosion.

OK:

No deformation or corrosion.

(d) Measure the voltage according to the value(s) in the table below.

Standard Voltage:

Tester Connection

Condition

Specified Condition

A80-7 (B) - Body ground

Always

11 to 14 V

(e) Measure the resistance according to the value(s) in the table below.

Standard Resistance:

Tester Connection

Condition

Specified Condition

A80-2 (GND) - Body ground

Always

Below 1 Ω

NG

REPAIR OR REPLACE HARNESS OR CONNECTOR

OK

18.

CHECK HARNESS AND CONNECTOR (BRAKE BOOSTER WITH MASTER CYLINDER ASSEMBLY - STOP LIGHT SWITCH ASSEMBLY)

(a) Measure the resistance according to the value(s) in the table below.

Standard Resistance:

Tester Connection

Condition

Specified Condition

A45-22 (STPO) or A80-4 (ACC) - Body ground

Always

10 kΩ or higher

OK

REPLACE STOP LIGHT SWITCH ASSEMBLY

NG

REPAIR OR REPLACE HARNESS OR CONNECTOR

READ NEXT:

 Abnormal Power Supply Voltage in Yaw Rate and/or Deceleration Sensor (C1381)

DESCRIPTION The airbag ECU assembly has a built-in yaw rate and acceleration sensor and detects the vehicle condition using 2 circuits (GL1, GL2). If a power source malfunction signal from the yaw rat

 Abnormal Leak in Accumulator (C1391)

DESCRIPTION This DTC is stored if internal or external brake fluid leaks are detected due to improper sealing in the brake actuator (brake booster with master cylinder assembly) or brake booster pump

 Malfunction in Front Speed Sensor RH Circuit (C1401,C1402)

DESCRIPTION Refer to DTCs C1413 and C1414. Click here DTC No. Detection Item INF Code DTC Detection Condition Trouble Area MIL Note C1401 Malfunction in Front Speed Sensor RH Ci

SEE MORE:

 Transmitter ID1 Operation Stop (C2111-C2114)

DESCRIPTION The tire pressure warning valve and transmitters that are installed in the tire and wheel assemblies measure the tire pressure of each wheel. The measured values are transmitted to the tire pressure warning ECU and receiver in the vehicle as radio waves. The ECU compares the measured tir

 Key-off Operation Function Operates even if Operating Conditions are not Satisfied

DESCRIPTION When the front doors are closed, each power window regulator motor assembly can be operated for approximately 45 seconds after the engine switch is turned from on (IG) to off by receiving operation permission signals from the main body ECU (multiplex network body ECU). However, when appr

© 2016-2025 Copyright www.lexguide.net