Lexus ES manuals

Lexus ES: Stop Lamp Relay Actuator Stuck On (C13807E)

DESCRIPTION

When any of the following conditions are met, the skid control ECU (brake actuator assembly) sets the drive output (STPO) ON which operates the stop light control relay (stop light switch assembly) and turns on the stop lights.

Illumination Conditions:
  • Pre-collision brake is operating.
  • The dynamic radar cruise control system is operating and is applying the brakes.
  • Secondary collision brake is operating.
  • Brake hold is operating.
  • The parking brake is engaged while the vehicle is being driven.

DTC No.

Detection Item

DTC Detection Condition

Trouble Area

C13807E

Stop Lamp Relay Actuator Stuck On

When the voltage at the +BS terminal is between 10 V or more and the stop light control relay (stop light switch assembly) drive output (STPO) is off, the signal at the STP2 terminal is different from the input signal at the STP terminal for 5 seconds or more.

  • Wire harness or connector
  • Stop light switch assembly
  • Skid control ECU (brake actuator assembly)
  • Rear combination light lens and body LH
  • Rear light assembly LH
  • Rear combination light lens and body RH
  • Rear light assembly RH
  • Center stop light set

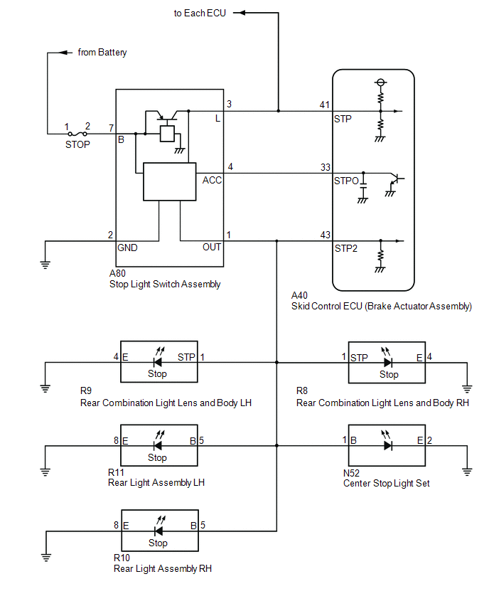
WIRING DIAGRAM

CAUTION / NOTICE / HINT

NOTICE:

  • Inspect the fuses for circuits related to this system before performing the following procedure.
  • After replacing the skid control ECU (brake actuator assembly), perform acceleration sensor zero point calibration and store system information memorization.

    Click here

HINT:

When DTC P057111, P057112 and/or P057113 are output together with DTC C13807E, inspect and repair the trouble areas indicated by DTC P057111, P057112 and/or P057113 first.

P057111: Click here

P057112: Click here

P057113: Click here

PROCEDURE

1.

CHECK STOP LIGHT ILLUMINATION STATUS

(a) With the brake pedal released, check the illumination status of the brake lights.

Result

Proceed to

The stop lights are illuminated.

A

The stop lights are not illuminated.

B

B

GO TO STEP 7

A

2.

CHECK HARNESS AND CONNECTOR (STOP LIGHT CONTROL RELAY CIRCUIT)

(a) Make sure that there is no looseness at the locking part and the connecting part of the connector.

OK:

The connector is securely connected.

*a

Component with harness connected

(Stop Light Switch Assembly)

(b) Measure the voltage according to the value(s) in the table below.

Standard Voltage:

Tester Connection

Condition

Specified Condition

A80-4 (ACC) - Body ground

Always

11 to 14 V

NG

GO TO STEP 5

OK

3.

CHECK STOP LIGHT ILLUMINATION STATUS

(a) Make sure that there is no looseness at the locking part and the connecting part of the connector.

OK:

The connector is securely connected.

(b) Disconnect the A80 stop light switch assembly connector.

(c) Check both the connector case and the terminals for deformation and corrosion.

OK:

No deformation or corrosion.

(d) Check the illumination status of the brake lights.

Result

Proceed to

The stop lights are illuminated.

A

The stop lights are not illuminated.

B

B

REPLACE STOP LIGHT SWITCH ASSEMBLY

A

4.

CHECK STOP LIGHT ILLUMINATION STATUS

(a) Make sure that there is no looseness at the locking part and the connecting part of the connector.

OK:

The connector is securely connected.

(b) Disconnect the A40 skid control ECU (brake actuator assembly) connector.

(c) Disconnect the A80 stop light switch assembly connector.

(d) Check both the connector case and the terminals for deformation and corrosion.

OK:

No deformation or corrosion.

(e) Check the illumination status of the brake lights.

Result

Proceed to

The stop lights are illuminated.

A

The stop lights are not illuminated.

B

A

REPAIR OR REPLACE HARNESS OR CONNECTOR (STOP LIGHT CIRCUIT)

B

REPLACE BRAKE ACTUATOR ASSEMBLY

5.

CHECK HARNESS AND CONNECTOR (STOP LIGHT CONTROL RELAY CIRCUIT)

(a) Make sure that there is no looseness at the locking part and the connecting part of the connectors.

OK:

The connector is securely connected.

*a

Component with harness connected

(Stop Light Switch Assembly)

(b) Disconnect the A40 skid control ECU (brake actuator assembly) connector.

(c) Check both the connector case and the terminals for deformation and corrosion.

OK:

No deformation or corrosion.

(d) Measure the voltage according to the value(s) in the table below.

Standard Voltage:

Tester Connection

Condition

Specified Condition

A80-4 (ACC) - Body ground

Always

11 to 14 V

OK

REPLACE BRAKE ACTUATOR ASSEMBLY

NG

6.

CHECK HARNESS AND CONNECTOR (STOP LIGHT SWITCH ASSEMBLY - BRAKE ACTUATOR ASSEMBLY)

(a) Make sure that there is no looseness at the locking part and the connecting part of the connectors.

OK:

The connector is securely connected.

(b) Disconnect the A40 skid control ECU (brake actuator assembly) connector.

(c) Disconnect the A80 stop light switch assembly connector.

(d) Check both the connector case and the terminals for deformation and corrosion.

OK:

No deformation or corrosion.

(e) Measure the resistance according to the value(s) in the table below.

Standard Resistance:

Tester Connection

Condition

Specified Condition

A80-4 (ACC) or A40-33 (STPO) - Body ground and other terminals

Always

10 kΩ or higher

OK

REPLACE STOP LIGHT SWITCH ASSEMBLY

NG

REPAIR OR REPLACE HARNESS OR CONNECTOR

7.

CHECK STOP LIGHT OPERATION

(a) Check that the stop lights come on when the brake pedal is depressed.

OK:

The stop lights illuminate.

NG

GO TO STEP 9

OK

8.

CHECK HARNESS AND CONNECTOR (STOP LIGHT SIGNAL INPUT CIRCUIT)

(a) Make sure that there is no looseness at the locking part and the connecting part of the connectors.

OK:

The connector is securely connected.

*a

Front view of wire harness connector

(to Skid Control ECU (Brake Actuator Assembly))

(b) Disconnect the A40 skid control ECU (brake actuator assembly) connector.

(c) Check both the connector case and the terminals for deformation and corrosion.

OK:

No deformation or corrosion.

(d) Measure the voltage according to the value(s) in the table below.

Standard Voltage:

Tester Connection

Condition

Specified Condition

A40-43 (STP2) - Body ground

Brake pedal depressed

11 to 14 V

OK

REPLACE BRAKE ACTUATOR ASSEMBLY

NG

REPAIR OR REPLACE HARNESS OR CONNECTOR

9.

CHECK STOP LIGHT OPERATION

(a) Make sure that there is no looseness at the locking part and the connecting part of the connectors.

OK:

The connector is securely connected.

(b) Disconnect the A40 skid control ECU (brake actuator assembly) connector.

(c) Check both the connector case and the terminals for deformation and corrosion.

OK:

No deformation or corrosion.

(d) Check that the stop lights come on when the brake pedal is depressed.

OK:

The stop lights illuminate.

OK

REPLACE BRAKE ACTUATOR ASSEMBLY

NG

10.

CHECK HARNESS AND CONNECTOR (STOP LIGHT SWITCH ASSEMBLY - REAR COMBINATION LIGHT LENS AND BODY LH)

(a) Make sure that there is no looseness at the locking part and the connecting part of the connectors.

OK:

The connector is securely connected.

*a

Front view of wire harness connector

(to Rear Combination Light Lens and Body LH)

(b) Disconnect the A40 skid control ECU (brake actuator assembly) connector.

(c) Disconnect the R9 rear combination light lens and body LH connector.

(d) Check both the connector case and the terminals for deformation and corrosion.

OK:

No deformation or corrosion.

(e) Measure the voltage according to the value(s) in the table below.

Standard Voltage:

Tester Connection

Condition

Specified Condition

R9-1 (STP) - Body ground

Brake pedal depressed

11 to 14 V

OK

REPLACE REAR COMBINATION LIGHT LENS AND BODY LH

NG

11.

CHECK HARNESS AND CONNECTOR (STOP LIGHT SWITCH ASSEMBLY - REAR COMBINATION LIGHT LENS AND BODY RH)

(a) Make sure that there is no looseness at the locking part and the connecting part of the connectors.

OK:

The connector is securely connected.

*a

Front view of wire harness connector

(to Rear Combination Light Lens and Body RH)

(b) Disconnect the A40 skid control ECU (brake actuator assembly) connector.

(c) Disconnect the R9 rear combination light lens and body LH connector.

(d) Disconnect the R8 rear combination light lens and body RH connector.

(e) Check both the connector case and the terminals for deformation and corrosion.

OK:

No deformation or corrosion.

(f) Measure the voltage according to the value(s) in the table below.

Standard Voltage:

Tester Connection

Condition

Specified Condition

R8-1 (STP) - Body ground

Brake pedal depressed

11 to 14 V

OK

REPLACE REAR COMBINATION LIGHT LENS AND BODY RH

NG

12.

CHECK HARNESS AND CONNECTOR (STOP LIGHT SWITCH ASSEMBLY - REAR LIGHT ASSEMBLY LH)

(a) Make sure that there is no looseness at the locking part and the connecting part of the connectors.

OK:

The connector is securely connected.

*a

Front view of wire harness connector

(to Rear Light Assembly LH)

(b) Disconnect the A40 skid control ECU (brake actuator assembly) connector.

(c) Disconnect the R9 rear combination light lens and body LH connector.

(d) Disconnect the R8 rear combination light lens and body RH connector.

(e) Disconnect the R11 rear light assembly LH connector.

(f) Check both the connector case and the terminals for deformation and corrosion.

OK:

No deformation or corrosion.

(g) Measure the voltage according to the value(s) in the table below.

Standard Voltage:

Tester Connection

Condition

Specified Condition

R11-5 (B) - Body ground

Brake pedal depressed

11 to 14 V

OK

REPLACE REAR LIGHT ASSEMBLY LH

NG

13.

CHECK HARNESS AND CONNECTOR (STOP LIGHT SWITCH ASSEMBLY - REAR LIGHT ASSEMBLY RH)

(a) Make sure that there is no looseness at the locking part and the connecting part of the connectors.

OK:

The connector is securely connected.

*a

Front view of wire harness connector

(to Rear Light Assembly RH)

(b) Disconnect the A40 skid control ECU (brake actuator assembly) connector.

(c) Disconnect the R9 rear combination light lens and body LH connector.

(d) Disconnect the R8 rear combination light lens and body RH connector.

(e) Disconnect the R11 rear light assembly LH connector.

(f) Disconnect the R10 rear light assembly RH connector.

(g) Check both the connector case and the terminals for deformation and corrosion.

OK:

No deformation or corrosion.

(h) Measure the voltage according to the value(s) in the table below.

Standard Voltage:

Tester Connection

Condition

Specified Condition

R10-5 (B) - Body ground

Brake pedal depressed

11 to 14 V

OK

REPLACE REAR LIGHT ASSEMBLY RH

NG

14.

CHECK HARNESS AND CONNECTOR (STOP LIGHT SWITCH ASSEMBLY - CENTER STOP LIGHT SET)

(a) Make sure that there is no looseness at the locking part and the connecting part of the connectors.

OK:

The connector is securely connected.

*a

Front view of wire harness connector

(to Center Stop Light Set)

(b) Disconnect the A40 skid control ECU (brake actuator assembly) connector.

(c) Disconnect the R9 rear combination light lens and body LH connector.

(d) Disconnect the R8 rear combination light lens and body RH connector.

(e) Disconnect the R11 rear light assembly LH connector.

(f) Disconnect the R10 rear light assembly RH connector.

(g) Disconnect the N52 center stop light set connector.

(h) Check both the connector case and the terminals for deformation and corrosion.

OK:

No deformation or corrosion.

(i) Measure the voltage according to the value(s) in the table below.

Standard Voltage:

Tester Connection

Condition

Specified Condition

N52-1 (B) - Body ground

Brake pedal depressed

11 to 14 V

OK

REPLACE CENTER STOP LIGHT SET

NG

15.

CHECK HARNESS AND CONNECTOR (STOP LIGHT SWITCH ASSEMBLY - REAR COMBINATION LIGHT LENS AND BODY LH)

(a) Make sure that there is no looseness at the locking part and the connecting part of the connectors.

OK:

The connector is securely connected.

(b) Disconnect the A40 skid control ECU (brake actuator assembly) connector.

(c) Disconnect the A80 stop light switch assembly connector.

(d) Disconnect the R9 rear combination light lens and body LH connector.

(e) Disconnect the R8 rear rear combination light lens and body RH connector.

(f) Disconnect the R11 rear light assembly LH connector.

(g) Disconnect the R10 rear light assembly RH connector.

(h) Disconnect the N52 center stop light set connector.

(i) Check both the connector case and the terminals for deformation and corrosion.

OK:

No deformation or corrosion.

(j) Measure the resistance according to the value(s) in the table below.

Standard Resistance:

Tester Connection

Condition

Specified Condition

A80-1 (OUT) - R9-1 (STP)

Always

Below 1 Ω

A80-1 (OUT) or R9-1 (STP) - Body ground

Always

10 kΩ or higher

OK

REPLACE STOP LIGHT SWITCH ASSEMBLY

NG

REPAIR OR REPLACE HARNESS OR CONNECTOR

READ NEXT:

 Stop Lamp Relay Actuator Stuck Off (C13807F)

DESCRIPTION Refer to DTC C13807E. Click here DTC No. Detection Item DTC Detection Condition Trouble Area C13807F Stop Lamp Relay Actuator Stuck Off When the voltage at the +BS termi

 Stop Lamp Relay Actuator Stuck Off (C13807F)

DESCRIPTION Refer to DTC C13807E. Click here DTC No. Detection Item DTC Detection Condition Trouble Area C13807F Stop Lamp Relay Actuator Stuck Off When the voltage at the +BS termi

 Left Front Wheel Speed Sensor Circuit Short to Battery (C050012)

DESCRIPTION Each speed sensor detects wheel speed and sends signals to the skid control ECU (brake actuator assembly). These signals are used by the ABS control. The speed sensor detects the magnetic

SEE MORE:

 Stereo Component Amplifier Disconnected (B15D3)

DESCRIPTION The radio receiver assembly and stereo component amplifier assembly are connected via MOST communication lines. When a MOST communication error occurs between the radio receiver assembly and stereo component amplifier assembly, this DTC will be stored. DTC No. Detection Item DTC D

 System Description

SYSTEM DESCRIPTION NAVIGATION SYSTEM OUTLINE (a) Vehicle position tracking methods It is essential that the navigation system correctly tracks the current vehicle position and displays it on the map. There are 2 methods to track the current vehicle position: autonomous (dead reckoning) and GPS* (sat

© 2016-2026 Copyright www.lexguide.net