Lexus ES manuals

Lexus ES: Sliding Roof does not Move by Operating Sliding Roof Control Switch

Lexus ES (XZ10) Service Manual / Vehicle Exterior / Sliding Roof / Convertible / Sliding Roof System (for Gasoline Model) / Sliding Roof does not Move by Operating Sliding Roof Control Switch

DESCRIPTION

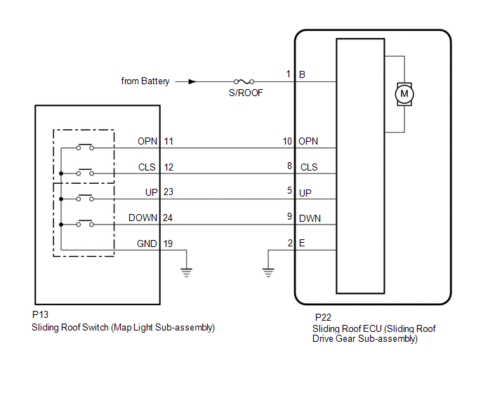
The sliding roof ECU (sliding roof drive gear sub-assembly) receives slide and tilt signals and operates its built-in motor when the sliding roof switch (map light sub-assembly) is operated.

WIRING DIAGRAM

CAUTION / NOTICE / HINT

NOTICE:

  • Inspect the fuses for circuits related to this system before performing the following procedure.
  • If the sliding roof ECU (sliding roof drive gear sub-assembly) is removed and reinstalled or replaced, the sliding roof ECU (sliding roof drive gear sub-assembly) must be initialized.

    Click here

  • If a sliding roof ECU (sliding roof drive gear sub-assembly) DTC is output, first perform troubleshooting for the sliding roof ECU (sliding roof drive gear sub-assembly) DTC.

    Click here

PROCEDURE

1.

PERFORM ACTIVE TEST USING TECHSTREAM (SLIDING ROOF)

(a) Connect the Techstream to the DLC3.

(b) Turn the engine switch on (IG).

(c) Turn the Techstream on.

(d) Enter the following menus: Body Electrical / Sliding Roof / Active Test.

(e) Perform the Active Test according to the display on the Techstream.

Body Electrical > Sliding Roof > Active Test

Tester Display

Measurement Item

Control Range

Diagnostic Note

Slide Roof

Operate sliding roof motor

OFF / Opn/Dwn / Clos/Up

-

Body Electrical > Sliding Roof > Active Test

Tester Display

Slide Roof

OK:

Slide roof is operated using Techstream.

NG

GO TO STEP 5

OK

2.

READ VALUE USING TECHSTREAM

(a) Enter the following menus: Body Electrical / Sliding Roof / Data List.

(b) Read the Data List according to the display on the Techstream.

Body Electrical > Sliding Roof > Data List

Tester Display

Measurement Item

Range

Normal Condition

Diagnostic Note

Open Switch

OPEN switch signal

OFF or ON

OFF: OPEN switch not pressed

ON: OPEN switch pressed

-

Close Switch

CLOSE switch signal

OFF or ON

OFF: CLOSE switch not pressed

ON: CLOSE switch pressed

-

Up Switch

UP switch signal

OFF or ON

OFF: UP switch not pressed

ON: UP switch pressed

-

Down Switch

DOWN switch signal

OFF or ON

OFF: DOWN switch not pressed

ON: DOWN switch pressed

-

Body Electrical > Sliding Roof > Data List

Tester Display

Open Switch

Close Switch

Up Switch

Down Switch

OK:

The Techstream display changes according to the operation of each switch as shown in the table.

OK

REPLACE SLIDING ROOF ECU (SLIDING ROOF DRIVE GEAR SUB-ASSEMBLY)

NG

3.

INSPECT SLIDING ROOF SWITCH (MAP LIGHT SUB-ASSEMBLY)

(a) Remove the sliding roof switch (map light sub-assembly).

Click here

(b) Inspect the sliding roof switch (map light sub-assembly).

Click here

NG

REPLACE SLIDING ROOF SWITCH (MAP LIGHT SUB-ASSEMBLY)

OK

4.

CHECK HARNESS AND CONNECTOR (SLIDING ROOF ECU (SLIDING ROOF DRIVE GEAR SUB-ASSEMBLY) - SLIDING ROOF SWITCH (MAP LIGHT SUB-ASSEMBLY) AND BODY GROUND)

(a) Disconnect the P13 sliding roof switch (map light sub-assembly) connector.

(b) Disconnect the P22 sliding roof ECU (sliding roof drive gear sub-assembly) connector.

(c) Measure the resistance according to the value(s) in the table below.

Standard Resistance:

Tester Connection

Condition

Specified Condition

P22-8 (CLS) - P13-12 (CLS)

Always

Below 1 Ω

P22-8 (CLS) or P13-12 (CLS) - Body ground

Always

10 kΩ or higher

P22-10 (OPN) - P13-11 (OPN)

Always

Below 1 Ω

P22-10 (OPN) or P13-11 (OPN) - Body ground

Always

10 kΩ or higher

P22-9 (DWN) - P13-24 (DOWN)

Always

Below 1 Ω

P22-9 (DWN) or P13-24 (DOWN) - Body ground

Always

10 kΩ or higher

P22-5 (UP) - P13-23 (UP)

Always

Below 1 Ω

P22-5 (UP) or P13-23 (UP) - Body ground

Always

10 kΩ or higher

P13-19 (GND) - Body ground

Always

Below 1 Ω

P22-2 (E) - Body ground

Always

Below 1 Ω

OK

REPLACE SLIDING ROOF ECU (SLIDING ROOF DRIVE GEAR SUB-ASSEMBLY)

NG

REPAIR OR REPLACE HARNESS OR CONNECTOR

5.

CHECK HARNESS AND CONNECTOR (SLIDING ROOF ECU (SLIDING ROOF DRIVE GEAR SUB-ASSEMBLY) - IG POWER SUPPLY AND BODY GROUND)

(a) Disconnect the P22 sliding roof ECU (sliding roof drive gear sub-assembly) connector.

*a

Front view of wire harness connector

(to Sliding Roof ECU (Sliding Roof Drive Gear Sub-assembly))

(b) Measure the voltage according to the value(s) in the table below.

Standard Voltage:

Tester Connection

Condition

Specified Condition

P22-1 (B) - Body ground

Engine switch off

11 to 14 V

(c) Measure the resistance according to the value(s) in the table below.

Standard Resistance:

Tester Connection

Condition

Specified Condition

P22-2 (E) - Body ground

Always

Below 1 Ω

OK

REPLACE SLIDING ROOF ECU (SLIDING ROOF DRIVE GEAR SUB-ASSEMBLY)

NG

REPAIR OR REPLACE HARNESS OR CONNECTOR

READ NEXT:

 Sliding Roof System (for Hv Model)

 Precaution

PRECAUTION PRECAUTION FOR DISCONNECTING CABLE FROM NEGATIVE AUXILIARY BATTERY TERMINAL NOTICE: When disconnecting the cable from the negative (-) auxiliary battery terminal, initialize the following s

 Parts Location

PARTS LOCATION ILLUSTRATION *1 FRONT DOOR COURTESY LIGHT SWITCH ASSEMBLY (for LH) *2 FRONT DOOR COURTESY LIGHT SWITCH ASSEMBLY (for RH) *3 SLIDING ROOF SWITCH (MAP LIGHT SUB-ASSEMBLY)

SEE MORE:

 Hybrid/EV Battery Positive Contactor Circuit Stuck Closed (P0AA000)

DTC SUMMARY MALFUNCTION DESCRIPTION The hybrid vehicle control ECU detects a stuck closed malfunction of a system main relay on the HV battery positive (+) terminal side. The cause of this malfunction may be one of the following: Inverter voltage sensor (VH) internal circuit malfunction Voltage s

 Lost Communication with Brake System Control Module (U0129,U0140,U0293)

DESCRIPTION These DTCs are stored when the CAN communication system is malfunctioning. DTC No. Detection Item DTC Detection Condition Trouble Area U0129 Lost Communication with Brake System Control Module The vehicle approaching speaker controller does not receive data from the skid

© 2016-2026 Copyright www.lexguide.net