Lexus ES manuals

Lexus ES: Sensor (Motor) Failure (Fr Shade) (B2347,B2349)

DESCRIPTION

When the roof sunshade ECU (sliding roof drive gear assembly) detects a motor malfunction and the sliding roof operation is stopped, DTC B2347 is stored.

When the roof sunshade ECU (sliding roof drive gear assembly) detects a gear position malfunction and the sliding roof operation is stopped, DTC B2349 is stored.

DTC No.

Detection Item

DTC Detection Condition

Trouble Area

B2347

Sensor (Motor) Failure (Fr Shade)

Sensor (motor) failure (When the roof sunshade ECU (sliding roof drive gear assembly) enters fail-safe mode due to a problem with the motor)

  • Roof sunshade ECU (Sliding roof drive gear assembly)
  • Panoramic moon roof switch (Map light sub-assembly)
  • Wire harness or connector

B2349

Position Failure (Fr Shade)

Position failure (When the roof sunshade ECU (sliding roof drive gear assembly) enters fail-safe mode due to a problem with the gear position)

  • Roof sunshade ECU (Sliding roof drive gear assembly)
  • Panoramic moon roof switch (Map light sub-assembly)
  • Wire harness or connector

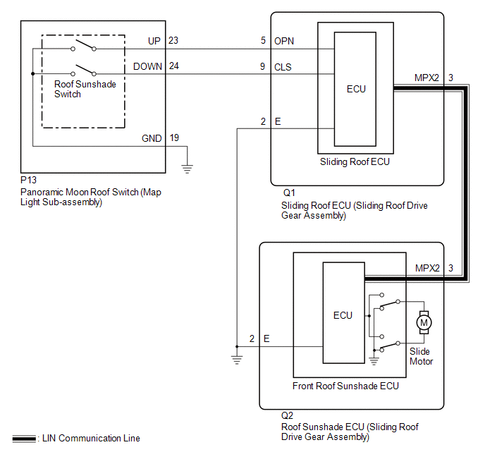
WIRING DIAGRAM

CAUTION / NOTICE / HINT

NOTICE:

  • When the roof sunshade ECU (sliding roof drive gear assembly) is removed and reinstalled or replaced, the roof sunshade ECU (sliding roof drive gear assembly) must be initialized.

    Click here

  • The panoramic moon roof system uses the CAN and LIN communication system. First, confirm that there are no malfunctions in the CAN and LIN communication system. Refer to How to Proceed with Troubleshooting.

    Click here

PROCEDURE

1.

CHECK ROOF SUNSHADE OPERATION

(a) Check the roof sunshade auto operation function.

Click here

OK:

Auto operation function operates normally.

NG

GO TO STEP 3

OK

2.

CHECK DTC OUTPUT

(a) Clear the DTCs.

Body Electrical > Sliding Roof > Clear DTCs

(b) Check for DTCs.

Body Electrical > Sliding Roof > Trouble Codes

OK:

DTCs B2341 and B2344 are not output.

OK

USE SIMULATION METHOD TO CHECK

NG

REPLACE ROOF SUNSHADE ECU (SLIDING ROOF DRIVE GEAR ASSEMBLY)

3.

INITIALIZE ROOF SUNSHADE ECU (SLIDING ROOF DRIVE GEAR ASSEMBLY)

(a) Check that the roof sunshade ECU (sliding roof drive gear assembly) can be initialized.

Click here

OK:

Roof sunshade ECU (sliding roof drive gear assembly) can be initialized.

NG

GO TO STEP 5

OK

4.

CHECK DTC OUTPUT

(a) Clear the DTCs.

Body Electrical > Sliding Roof > Clear DTCs

(b) Check for DTCs.

Body Electrical > Sliding Roof > Trouble Codes

OK:

DTCs B2341 and B2344 are not output.

OK

END (MALFUNCTION DUE TO INITIALIZATION FAILURE)

NG

REPLACE ROOF SUNSHADE ECU (SLIDING ROOF DRIVE GEAR ASSEMBLY)

5.

READ VALUE USING TECHSTREAM (SLIDING ROOF)

(a) Connect the Techstream to the DLC3.

(b) Turn the engine switch on (IG).

(c) Turn the Techstream on.

(d) Enter the following menus: Body Electrical / Sliding Roof / Data List.

(e) Read the Data List according to the display on the Techstream.

Body Electrical > Sliding Roof > Data List

Tester Display

Measurement Item

Range

Normal Condition

Diagnostic Note

Up Switch

Roof sunshade close switch signal

OFF or ON

OFF: Roof sunshade switch not slid forward

ON: Roof sunshade switch slid forward

-

Down Switch

Roof sunshade open switch signal

OFF or ON

OFF: Roof sunshade switch not slid backward

ON: Roof sunshade switch slid backward

-

Body Electrical > Sliding Roof > Data List

Tester Display

Up Switch

Down Switch

OK:

OFF appears on the Techstream screen.

OK

REPLACE ROOF SUNSHADE ECU (SLIDING ROOF DRIVE GEAR ASSEMBLY)

NG

6.

CHECK HARNESS AND CONNECTOR (ROOF SUNSHADE ECU (SLIDING ROOF DRIVE GEAR ASSEMBLY) - PANORAMIC MOON ROOF SWITCH (MAP LIGHT SUB-ASSEMBLY) AND BODY GROUND)

(a) Disconnect the P13 panoramic moon roof switch (map light sub-assembl) connector.

(b) Disconnect the Q1 sliding roof ECU (sliding roof drive gear assembly) connector.

(c) Disconnect the Q2 roof sunshade ECU (sliding roof drive gear assembly) connector.

(d) Measure the resistance according to the value(s) in the table below.

Standard Resistance:

Tester Connection

Condition

Specified Condition

Q1-9 (CLS) - P13-24 (DOWN)

Always

Below 1 Ω

Q1-9 (CLS) or P13-24 (DOWN) - Body ground

Always

10 kΩ or higher

Q1-5 (OPN) - P13-23 (UP)

Always

Below 1 Ω

Q1-5 (OPN) or P13-23 (UP) - Body ground

Always

10 kΩ or higher

Q1-2 (E) - Body ground

Always

Below 1 Ω

P13-19 (GND) - Body ground

Always

Below 1 Ω

NG

REPAIR OR REPLACE HARNESS OR CONNECTOR

OK

7.

INSPECT PANORAMIC MOON ROOF SWITCH (MAP LIGHT SUB-ASSEMBLY)

(a) Remove the panoramic moon roof switch (map light sub-assembl).

Click here

(b) Inspect the panoramic moon roof switch (map light sub-assembl).

Click here

OK

REPLACE ROOF SUNSHADE ECU (SLIDING ROOF DRIVE GEAR ASSEMBLY)

NG

REPLACE PANORAMIC MOON ROOF SWITCH (MAP LIGHT SUB-ASSEMBLY)

READ NEXT:

 Position Initialization Incomplete (Fr Shade) (B2348)

DESCRIPTION This DTC is stored when the roof sunshade ECU (sliding roof drive gear assembly) has not been initialized. DTC No. Detection Item DTC Detection Condition Trouble Area B2348

 Motor Control Relay Stuck ON (Fr Shade) (B234A)

DESCRIPTION This DTC will be stored if the operation of the front roof sunshade is suspended and a pulse input of 10 Hz or more is detected when the motor relay is off. DTC No. Detection Item D

 Remote Control System does not Operate

DESCRIPTION The main body ECU (multiplex network body ECU) receives remote control signals from the driver door key cylinder or wireless transmitter. Then, the main body ECU (multiplex network body EC

SEE MORE:

 Open in Bus 4 Main Bus Line

DESCRIPTION There may be an open circuit in one of the CAN main bus lines when the resistance between terminals 22 (CA2H) and 7 (CA2L) of the central gateway ECU (network gateway ECU) is 70 Ω or higher. Symptom Trouble Area Resistance between terminals 22 (CA2H) and 7 (CA2L) of the central

 Control Module Communication Bus Off (U0073,U0100,U0126,U0129,U0140,U0163,U0233,U023B,U0265,U0293,U1110)

DESCRIPTION These DTCs are stored if there is a malfunction in the CAN communication system connected to the parking assist ECU. HINT: If CAN communication system DTCs are stored, they may also be stored in other systems. DTC No. Detection Item DTC Detection Condition Trouble Area U0073

© 2016-2026 Copyright www.lexguide.net